한국의

한국의

Get a Quote
제품

핫 제품

회사 뉴스

What is the manufacturing process for ISO 15761 gate valves? From raw material to pressure testing
What is the manufacturing process for ISO 15761 gate valves? From raw material to pressure testing
2026-04-30

ISO 15761 is a standard for small-bore steel valves used in the oil and gas industry, covering sizes from DN 15 to DN 100 and pressure classes from Class 150 to Class 2500. It applies to gate valves, globe valves, and check valves.   These valves are not produced in a single step, but through a sequential manufacturing chain. The quality of each stage directly affects the next. Understanding this chain helps identify critical issues more efficiently during valve selection, compliance review, and supplier evaluation.   Complete Manufacturing Process   Step 1: Material Selection   Material determines the applicable service conditions and is the starting point of the entire process. Common materials under ISO 15761 include: ●  Carbon steel for general oil and gas service ●  Low-temperature carbon steel for cryogenic or low-temperature conditions (e.g., LNG applications) ●  Stainless steel for corrosive media If the service contains hydrogen sulfide (H₂S), materials must also comply with NACE MR0175 / ISO 15156 to prevent sulfide stress cracking. This requirement is applied independently of ISO 15761. Incorrect material selection cannot be compensated by subsequent process control.   Step 2: Forging   This step determines the internal quality of the valve body. Forging involves forming heated metal under pressure, resulting in a dense internal structure with a lower probability of defects. It is typically preferred for high-pressure or high-reliability applications. For Class 800 and above, forged bodies are commonly selected in engineering practice to reduce internal defect risks and improve structural reliability, although final selection depends on project specifications.   Step 3: Machining   After forming, precision machining is performed to meet dimensional and sealing requirements. Sealing surface machining is a critical control point. The contact surfaces between the seat and disc must undergo multiple machining and lapping processes to achieve specified flatness and surface roughness, directly affecting shut-off performance. The stem surface must also meet low roughness requirements to ensure long-term packing sealing stability. Excessive roughness accelerates packing wear and may lead to external leakage during operation.   Step 4: Welding (Hardfacing of Sealing Surfaces)   This process is used to enhance sealing surface performance. For wear or corrosion-resistant applications, sealing surfaces are typically overlaid with hard alloys such as Stellite to improve resistance. During welding, heat input and dilution rate must be controlled to prevent excessive mixing of the base material, which would reduce surface hardness. The hardfacing layer is usually required to meet a specified hardness range (e.g., Stellite typically ≥ HRC 35–45). This process must be performed by qualified welders, with welding procedure specifications (WPS), procedure qualification records (PQR...

자동 보안경 밸브 액추에이터 유형: 전기식 vs. 유압식
자동 보안경 밸브 액추에이터 유형: 전기식 vs. 유압식
2026-04-24

원격 작동이나 빈번한 전환이 필요한 애플리케이션에서는 자동 기능이 사용됩니다. 라인 블라인드 밸브 일반적으로 전기식 또는 유압식 작동 장치를 갖추고 있습니다. 두 시스템의 근본적인 차이점은 사용 가능 여부에 있는 것이 아니라, 부하 용량, 반응 특성, 환경 적응성 및 시스템 복잡성에 있습니다. 1. 전기 작동식 (전기 작동식 라인 블라인드 밸브) 전기 구동 방식은 모터와 감속 기어박스를 결합하여 토크를 발생시키고, 이 토크로 블라인드 플레이트를 구동하여 스위칭 작동을 완료합니다. 선택 논리: ● 현장의 전력 공급이 안정적이라면 → 전기 구동 방식을 우선적으로 고려해야 합니다. ● 원격 제어 또는 자동화 통합(DCS/PLC)이 필요한 경우 → 전기 구동 방식이 더 간단합니다 ● 스위칭 주파수가 비교적 높을 경우 → 전기 구동 방식은 작동 속도를 더 효과적으로 제어할 수 있습니다. 주요 특징: ● 간편한 제어: 제어 시스템에 직접 통합하여 원격 작동 및 위치 피드백이 가능합니다. ● 컴팩트한 구조: 추가 유압 동력 장치가 필요하지 않습니다. ● 유지보수 요구사항 감소: 정기 점검은 주로 모터와 기어박스에 집중됩니다. 제한 사항: ● 밸브 크기가 크거나 높은 추력이 필요한 경우 → 전기 구동 장치의 토크가 부족할 수 있습니다. ● 환경이 고온, 위험(폭발성) 또는 분진이 많은 경우 → 더 높은 전기 보호 기준(예: ATEX)이 필요합니다. ● 전원 공급이 불안정하거나 자주 중단될 경우 → 신뢰성이 저하될 수 있습니다. 결론: 표준 자동화 요구 사항과 적당한 부하 조건이 필요한 애플리케이션의 경우, 일반적으로 전기 구동 방식이 선호되는 솔루션입니다. 2. 유압 작동 (유압식 작동) 라인 블라인드 밸브 ) 유압 구동 방식은 유압 유체 압력을 통해 추력을 발생시키므로 고하중 적용 분야에 적합합니다. 선택 논리: ● 밸브 크기가 큰 경우(예: DN300 이상) → 유압 작동 방식을 우선적으로 고려해야 합니다. ● 높은 추력이 필요하거나 저항/걸림 현상을 극복해야 하는 경우 → 유압식 작동이 더 안정적입니다. ● 현장에 이미 유압 시스템이 설치되어 있는 경우 → 통합 비용이 절감됩니다 주요 특징: ● 높은 추력 출력: 고하중 막힘판 또는 고압 파이프라인에 적합합니다. ● 안정적인 작동: 충격 부하에 대한 강력한 저항력을 바탕으로 지속적인 출력을 제공합니다. ● 우수한 제어성: 압력 조절을 통해 정밀한 제어가 가능합니다. 제한 사항: ● 현장에 유압 동력 장치가 없는 경우 → 시스템 복잡성이 증가합니다. ● 주변 온도 변화가 클 경우 → 유압유 성능이 변동될 수 있습니다. ● 유지보수가 불충분할 경우 → 누수 문제가 발생할 가능성이 높아집니다 결론: 높은 부하와 높은 신뢰성이 요구되는 애플리케이션의 경우 유압 구동 방식이 더 적합한 선택입니다. 3. 전기식 vs. 유압식: 주요 선택 기준 일반적인 비교보다는, 다음은 엔지니어링 기반의 직접적인 선택 논리를 제시합니다. ● 높은 추력이 필요한 경우 → 유압식 작동 방식을 선택하십시오 ● 시스템 단순성이 최우선이라면 → 전기 구동 방식을 선택하세요 ● 원격 자동화 및 제어가 필요한 경우 → 전기 구동 방식이 선호됩니다 ● 작동 조건이 가혹한 경우(고온/과부하/고착 위험) → 유압 작동 방식이 더 안정적입니다. 4. 일반적인 적용 시나리오 ● 증기 또는 고온 파이프라인용 (예: 600등급/F22 재질) → 열 변형이나 고착 위험이 있는 경우 유압 작동 방식을 우선적으로 고려해야 합니다. ● 석유화학 설비의 유지 보수 격리(중간 정도의 스위칭 빈도): → 제어 시스템과의 통합이 필요한 경우, 전기 구동 방식이 더 적합합니다. ● 대구경 배관(DN400 이상 슬라이딩 라인 블라인드 밸브)의 경우: → 수동 조작이 어려운 경우 일반적으로 유압 작동 방식이 채택됩니다. ● 공간이 제한적이거나 기존 건물을 개조하는 프로젝트의 경우: → 유압 시스템 설치가 현실적으로 불가능하다면 전기 구동 방식을 우선적으로 고려해야 합니다. 5. 흔히 저지르는 선택 실수 실수 1: 추진력 요구 사항을 무시하고 자동화에만 집중하는 것 원격 제어만 고려하고 추력 요구 사항을 간과할 경우, 전기 액추에이터의 크기가 부족하여 작동 불량이 발생할 수 있습니다. 두 번째 실수: 환경적 요인을 무시하는 것 고온 환경이나 옥외 환경에서 적절한 보호 등급 없이 전기 구동 장치를 사용할 경우 고장률이 증가합니다. 세 번째 실수: 유압 시스템의 부적절한 유지 관리 유압 시스템이 제대로 유지 관리되지 않으면 누출이나 압력 변동이 밸브 작동에 직접적인 영향을 미칩니다. 6. 공학적 결론 ● 부하가 높고 신뢰성이 최우선인 경우 → 유압 구동 방식을 선택하십시오 ● 시스템의 단순성과 자동화가 우선이라면 → 전기 구동 방식을 선택하십시오. ● 불확실한 경우 → 먼저 필요한 추력을 계산한 다음 적절한 작동 방식을 결정하십시오. 질문과 답변 Q1: 자동 라인 블라인드 밸브에는 항상 유압 작동이 필요한가요? 반드시 그런 것은 아닙니다. 밸브 크기가 비교적 작고 추력 요구량이 적당하다면 전기 구동 방식으로도 충분히 요구 사항을 충족할 수 있습니다. Q2: 전기 구동 방식이 유압 구동 방식을 대체할 수 있습니까? 필요한 부하가 모터의 처리 능력 범위 내에 있으면 모터를 대체품으로 사용할 수 있습니다. 하지만 필요한 토크가 액추에이터의 용량을 초과하면 사용할 수 없습니다. 질문 3: 유압식 작동 방식이 더 신뢰할 수 있습니까? 고부하 또는 극한 작동 조건에서는 유압 구동 방식이 일반적으로 더 안정적입니다. 표준 조건에서는 두 방식 간의 신뢰성 차이가 미미합니다. 질문 4: 작동 방식을 빠르게 확인하는 방법은 무엇입니까? 주요 위험 요소가 구동력 부족인 경우 → 유압식 작동 방식을 선택하십시오. 제어 및 시스템 통합이 주요 요구 사항이라면 → 전기 구동 방식을 선택하십시오. Q5: 하나의 자동 라인 블라인드 밸브에 두 가지 작동 방식을 모두 구성할 수 있습니까? 예. 예를 들어, 전기식 + 수동식 또는 유압식 + 수동식 구성을 백업으로 사용할 수 있습니다. 하지만 전기식과 유압식 구동 방식을 모두 주 구동 ...

DERVOS 밸브, API 6D 및 API 600 인증 갱신 완료
DERVOS 밸브, API 6D 및 API 600 인증 갱신 완료
2026-04-17

최근 DERVOS Valve는 미국 석유협회(API)의 심사를 성공적으로 통과했습니다. API Spec 6D 인증 파이프라인 밸브에 대한 API 600 규격이 갱신되었습니다. 인증서도 발급되었습니다. 두 인증서 모두 2029년까지 유효합니다. API6D 인증서란 무엇인가요? API 6D는 석유 및 가스 파이프라인 운송 시스템에 사용되는 밸브에 대한 국제적으로 인정받는 표준입니다. 이 표준은 제품의 설계, 제조 및 검사에 대한 모든 공정 요구 사항을 포괄합니다. 볼 밸브 게이트 밸브 및 체크 밸브를 포함합니다. 해당 인증은 일반적으로 3년마다 갱신 심사를 받아야 합니다. API600 인증서란 무엇인가요? API 600 이 인증은 석유 및 가스 정제 시설에 사용되는 강철 게이트 밸브에 대한 국제적으로 인정받는 표준입니다. 설계, 재료, 제조, 검사 및 시험에 대한 요구 사항을 정의합니다. 이 인증은 일반적으로 유효성 유지를 위해 3년마다 갱신됩니다. 입수 가능한 정보에 따르면, 이번 감사는 다음과 같은 여러 측면을 다루었습니다. 품질 관리 시스템 운영, 생산 공정 관리, 검사 장비 교정 및 인력 자격 검증을 포함한 전반적인 과정을 점검했습니다. API 검사팀은 감사 기간 동안 DERVOS Valve의 원자재 조달부터 최종 제품 납품까지 전체 공정에 대한 현장 검토를 실시했습니다. 회사 품질 관리 부서 관계자는 데르보스 밸브가 표준화된 시스템 관리를 지속적으로 개선해 왔으며, 제품 수명 주기 전반에 걸친 품질 관리 시스템을 구축했다고 밝혔습니다. 주요 생산 공정은 표준화된 작업 지침에 따라 이루어지며, 검사 기록은 개별 주문까지 완벽하게 추적 가능합니다. 이번 인증 갱신 성공은 DERVOS Valve가 산업용 밸브 분야에서 제품 제조 및 품질 보증에 대한 API 요구 사항을 지속적으로 충족하고 있음을 보여줍니다. 또한, 이는 석유 및 가스 파이프라인과 같은 국제 프로젝트에 제품을 공급할 수 있는 회사의 자격을 뒷받침합니다. LNG 수입 터미널 . 회사 측은 품질경영시스템의 효과적인 운영을 위해 표준화된 생산 및 공정 관리에 지속적으로 집중할 것이라고 밝혔습니다.

스테인리스 스틸 라인 블라인드 밸브
加载中...

스테인리스 스틸 라인 블라인드 밸브 8인치, 클래스 150 CF8/CF8M, ASME B16.34, Dervos

  • 지불:

    30% when order confirmed, 70% before shipment
  • 제품 원산지:

    china
  • 색:

    Customization
  • 배송 포트:

    Shanghai, China
  • 리드 타임:

    30~60 days Ex Works after order confirmation
  • Material:

    ASTM A351 CF8 / CF8M (Stainless Steel)
  • Method of Operation:

    Handwheel
지금 문의
제품 상세 정보

이것 8인치 150급 스테인리스 스틸 라인 블라인드 밸브 제공하도록 설계되었습니다 절대 양성 격리 부식성, 화학적 또는 해양 매체를 처리하는 파이프라인에 사용됩니다. 녹과 화학적 공격에 취약할 수 있는 탄소강 밸브와 달리 이 밸브는 특수 소재로 제작되었습니다. ASTM A351 CF8/CF8M 스테인리스강 부식성이 강한 환경에서도 탁월한 내식성과 장기적인 신뢰성을 제공합니다.

그만큼 슬라이딩 또는 스윙형 블라인드 메커니즘 (모델에 따라) 견고한 물리적 장벽을 형성하여 누출 없음 마모되거나 열화될 수 있는 시트에 의존하지 않고 유지 보수를 진행할 수 있습니다. 이 설계는 작업자가 흐름 위치와 시야 차단 위치 사이를 전환할 수 있도록 합니다. 라인의 압력을 낮추지 않고 가동 중지 시간을 크게 줄이고 안전성을 향상시킵니다.

완벽하게 규정을 준수합니다. ASME B16.34 그리고 테스트되었습니다 API 598 이 밸브는 다음과 같은 특징을 가지고 있습니다. ASME B16.5 규격에 따른 RF 플랜지 수동 핸드휠, 기어 작동식 또는 공압/전기 작동식으로 제공됩니다. 이 제품은 다음과 같은 용도에 이상적입니다. 화학 공장, 해양 플랫폼, 수처리 시설 및 부식 저항성이 매우 중요한 모든 파이프라인 시스템 .

제품 매개변수

매개변수

사양

유형

라인 블라인드 밸브(슬라이딩/스윙 타입)

크기

8인치(DN200)

압력

클래스 150 (PN20)

연결

RF 플랜지, ASME B16.5

작업

핸드휠/기어/옵션 액추에이터

본체 재질

ASTM A351 CF8 / CF8M (스테인리스강)

안경 접시

스테인리스강(CF8/316)

물개

PTFE / 흑연 / 금속 (옵션 선택 가능)

설계 표준

ASME B16.34

시험 표준

API 598

온도 범위

-29°C ~ 150°C (금속 시트 사용 시 최대 425°C)

적용 가능한 미디어

물, 기름, 가스, 부식성 유체, 화학 물질, 해수

특징

스테인리스 스틸 CF8/CF8M 본체 – 녹, 부식 및 화학적 공격에 대한 탁월한 저항성을 제공하여 부식성 환경에서 긴 수명을 보장합니다.

절대적인 물리적 격리 – 견고한 블라인드 플레이트는 완벽한 차단막을 형성하여 파이프라인 유지 보수 중 누출이 전혀 발생하지 않도록 보장합니다.

감압 없이 인라인 작동 슬라이딩 메커니즘을 통해 시스템 다운 없이 전환이 가능하여 가동 중지 시간과 운영 위험을 줄입니다.

API 598에 따라 테스트 완료 – 누수 방지 성능을 보장하기 위해 100% 수압 및 공압 테스트를 거쳤습니다.

다양한 작동 옵션 - 시스템 요구 사항에 맞춰 핸드휠, 기어 작동기, 공압식 또는 전기식 작동 방식을 선택할 수 있습니다.

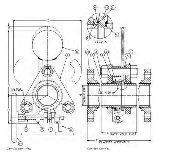
기술 도면

8" Line Blind Valve

라인 블라인드 밸브에 스테인리스 스틸을 선택해야 하는 이유는 무엇일까요?

내식성: 탄소강이 녹슬 수 있는 해양, 화학 및 폐수 처리 시설에 이상적입니다.

유지보수가 적음: 시간이 지남에 따라 물개와 몸체가 손상될 위험이 줄어듭니다.

넓은 온도 범위: 적절한 밀봉을 통해 극저온 및 고온 환경 모두에 적합합니다.

위생적 용도: 세척이 용이하여 식품, 음료 및 제약 산업에서 널리 사용됩니다.

부식성 환경이 없는 일반적인 산업 응용 분야에서는 당사의 탄소강 시리즈가 여전히 신뢰할 수 있고 비용 효율적인 선택입니다.

메시지를 남길

에 관심이 있다면 우리의 제품과한 자세한 내용을 알고 싶다면,메시지를 남겨주십시오 여기,우리가 응답할 것입니다 당신은 빨리 우리가 할 수 있습니다.

관련 상품

메시지를 남겨주세요

    에 관심이 있다면 우리의 제품과한 자세한 내용을 알고 싶다면,메시지를 남겨주십시오 여기,우리가 응답할 것입니다 당신은 빨리 우리가 할 수 있습니다.

제품

접촉