한국의

한국의

Get a Quote
제품

핫 제품

회사 뉴스

블라인드 밸브의 특징
블라인드 밸브의 특징
2026-04-10

게이트 밸브와 블라인드 밸브는 모두 파이프라인 차단에 사용되지만, 작동 원리는 근본적으로 다릅니다. 산업용 배관 시스템에서 목표가 다음과 같다면 진정한 물리적 고립 (양의 격리)의 경우, 블라인드 밸브(라인 블라인드 밸브)는 일반적으로 기존 밸브보다 신뢰성이 높습니다. 시트 밀봉에 의존하는 대신, 블라인드 밸브는 유체를 차단하는 방식으로 격리합니다. 솔리드 블라인드 플레이트 이는 적용 범위와 엔지니어링 가치를 모두 정의합니다. 블라인드 밸브의 주요 특징은 공학적 관점에서 다음과 같이 이해할 수 있습니다. 1. 절대적인 물리적 격리 만약에 누출 없음 밀폐가 필요한 경우, 기존 밸브(게이트 밸브 또는 볼 밸브 등)는 밀봉 무결성에 성능이 좌우되므로 위험을 초래할 수 있습니다. 블라인드 밸브는 다른 논리를 따릅니다. ▶ 단단한 판을 삽입하면 흐름이 완전히 차단됩니다. ▶ 블라인드 플레이트가 올바르게 위치하면 밀봉 불량은 더 이상 문제가 되지 않습니다. 이러한 특징 때문에 블라인드 밸브는 다음과 같은 용도에 더 적합합니다. ● 석유 및 가스 파이프라인 격리 ● 가연성 물질(석유, LNG, 화학물질) ● 고온 증기 시스템 에스 공학적 결론: 검증 가능한 격리가 필요한 프로젝트라면, 밀폐형 산업용 밸브보다는 블라인드 밸브를 우선적으로 고려해야 합니다. 2. 인라인 운영 기능 기존의 스페이드 및 스페이서 블라인드는 일반적으로 플랜지 분해가 필요하므로 작동이 복잡해지고 안전 위험이 발생합니다. 블라인드 밸브(예: 슬라이딩 블라인드 밸브 (스윙 블라인드 밸브와 같은) 밸브는 다른 접근 방식으로 설계되었습니다. ▶ 운영과 유지보수 간의 잦은 전환이 필요한 경우, 수동 개입을 최소화해야 합니다. ▶ 가동 중단이 허용되지 않는 경우, 가압된 배관 조건 하에서 전환 작업을 수행해야 합니다(특정 설계에 따름). 그러므로: ● 슬라이딩 블라인드 밸브: 제한된 공간 및 높은 자동화 요구 사항에 적합합니다. ● 스윙 블라인드 밸브: 구조가 간단하여 중저주파 스위칭에 적합합니다. ● 안경 블라인드 밸브 : 저주파 작동 및 비용에 민감한 프로젝트에 적합합니다. 공학적 결론: 유지보수가 빈번하거나 가동 중단이 불가능한 경우, 인라인 작동 기능을 갖춘 블라인드 밸브를 우선적으로 고려해야 합니다. 3. 기계적 신뢰성 블라인드 밸브의 신뢰성은 복잡한 밀봉 시스템에 달려 있는 것이 아니라 다음과 같은 요소에 달려 있습니다. ● 기계적 구조적 안정성 ● 재질 강도 (예: A105, WCB, F22, LF2) ● 작동 방식 (수동, 기어 작동식 또는 유압식) ▶ 고온, 고압 또는 부식성 매체와 같은 사용 환경 조건에서는 밀봉식 밸브가 고장날 가능성이 더 높습니다. ▶ 블라인드 밸브를 사용하는 경우, 주요 위험은 구조 설계 및 작동 메커니즘으로 옮겨갑니다. 일반적인 적용 분야는 다음과 같습니다. ● 정유 공장 격리 시스템 ● 석유화학 공장 ● 발전소 증기 배관 공학적 결론: 시스템 고장의 결과가 심각한 경우, 밀봉 성능에 의존하는 밸브 설계보다는 구조적으로 신뢰할 수 있는 솔루션을 우선시해야 합니다. 4. 안전 연동 설계 실제 프로젝트에서 운영 오류는 주요 위험 요소 중 하나입니다. 블라인드 밸브는 일반적으로 다음과 같은 기능을 갖추고 있습니다. ● 기계식 위치 잠금 ● 오작동 방지용 연동 장치 ● 명확한 열림/닫힘 위치 표시 ▶ 공정 매체가 가연성 또는 독성이 있는 경우, 오작동 위험을 최소화해야 합니다. ▶ 기존 밸브를 사용하는 경우, "완전히 닫혔다"는 잘못된 가정으로 인해 안전사고가 발생할 수 있습니다. 공학적 결론: 안전이 최우선이라면 인터록 설계가 적용된 블라인드 밸브를 선택해야 합니다. 5. 유지보수 중심 설계 유지보수 및 운영 관점에서: ▶ 기존 밸브를 차단용으로 사용하는 경우에도 안전을 확보하기 위해 추가적인 블라인드 설치가 필요합니다. ▶ 블라인드 밸브를 직접 사용하면 반복적인 격리 절차를 줄일 수 있습니다. 그 결과는 다음과 같습니다. ● 가동 중지 시간 단축 ● 수작업 감소 ● 유지보수 안전성 향상 공학적 결론: 시스템이 장기간 가동되고 빈번한 유지보수가 필요한 경우, 블라인드 밸브는 총 소유 비용을 절감하는 데 도움이 됩니다. 결론 블라인드 밸브의 가치는 유량 제어에 있는 것이 아니라, 검증 가능한 물리적 차단(확실한 차단)을 제공하는 데 있습니다. 프로젝트에 다음과 같은 조건이 적용되는 경우: ● 누출이 전혀 없어야 합니다. ● 가연성 또는 고위험 물질이 관련되어 있음 ● 운영과 유지보수 간의 잦은 전환이 필요합니다. ● 안전 격리에 대한 명확한 요구 사항이 정의되어 있습니다. 따라서 블라인드 밸브를 선택하는 것은 단순히 기술적인 결정일 뿐만 아니라 위험 관리 전략이기도 합니다. 석유 및 가스, 석유화학, 발전 분야 프로젝트의 경우 이러한 고려 사항이 결정적인 역할을 하는 경우가 많습니다. 질문과 답변 Q1: 블라인드 밸브가 게이트 밸브를 대체할 수 있습니까? 유량 조절이나 차단이 목적이라면 게이트 밸브를 사용할 수 있습니다. 완전한 격리(확실한 격리)가 필요한 경우에는 블라인드 밸브가 필요합니다. ▶ 누출 제로가 목표라면 게이트 밸브는 대안이 될 수 없습니다. Q2: 슬라이딩 블라인드 밸브, 스윙 블라인드 밸브, 스펙터클 블라인드 밸브 중에서 어떻게 선택해야 할까요? 간단한 지침: ● 공간이 제한적일 경우 → 슬라이딩 블라인드 밸브를 선택하세요 ● 간단한 구조를 선호하는 경우 → 스윙 블라인드 밸브를 선택하십시오 ● 작동 빈도가 낮으면 → 안경형 블라인드 밸브를 선택하십시오 ▶ 전환이 빈번한 경우 자동화 또는 기계 보조 설계를 고려해야 합니다. Q3: 블라인드 밸브는 압력이 가해진 상태에서 작동할 수 있습니까? 디자인에 따라 다릅니다. ▶ 표준 설계인 경우 → 일반적으로 감압이 필요합니다 ▶ 특수 설계(예: 밀봉 메커니즘 포함)인 경우 → 가압 상태에서의 작동이 가능할 수 있습니다. 그러므로 선택은 실제 서비스 조건에 따라 이루어져야 합니다. 질문 4: 블라인드 밸브에 사용할 재료는 어떻게 선택해야 하나요? ● A105 / WCB → 일반 석유 및 가스 서비스 ● LF2 → 저온 서비스 ●...

2026년 모든 엔지니어가 알아야 할 산업용 밸브 5가지
2026년 모든 엔지니어가 알아야 할 산업용 밸브 5가지
2026-03-27

산업용 밸브 유형을 올바르게 선택하는 것은 시스템 설계에서 가장 중요한 결정 중 하나입니다. 고품질 밸브를 사용하더라도 잘못된 선택은 누출, 압력 손실, 진동, 잦은 유지 보수 및 장기적인 운영 비효율로 이어질 수 있습니다. 이 가이드에서는 주요 산업용 밸브 유형에 대해 설명합니다. 2026년 프로젝트에 적합한 밸브를 선택하는 데 도움이 되는 실질적인 정보와 함께, 다양한 적용 분야, 장점 및 한계점을 자세히 살펴보겠습니다. 산업용 밸브의 종류는 무엇인가요? 산업용 밸브는 배관 시스템에서 유체 흐름을 제어, 조절 또는 차단하는 데 사용되는 다양한 밸브 설계를 지칭합니다. 각 유형은 차단, 유량 조절 또는 역류 방지와 같은 특정 기능을 위해 설계되었으며, 시스템의 안전과 효율성을 위해서는 올바른 유형을 선택하는 것이 필수적입니다. 산업용 밸브의 주요 5가지 유형과 그 적용 분야 1. 볼 밸브 최적의 용도: 빠른 차단 및 낮은 압력 손실 볼 밸브는 직선형 내경을 가진 회전하는 볼을 사용합니다. 완전히 열렸을 때 저항이 최소화되어 유체 이송에 가장 효율적인 방식 중 하나입니다. 일반적인 적용 사례: ● 석유 및 가스 파이프라인 ● 고압 시스템 ● 잦은 켜짐/꺼짐 작동 선택 참고 사항: ● 풀포트 설계는 에너지 손실을 최소화합니다. ● 금속 시트 볼 밸브는 마모가 심하거나 작동 주기가 잦은 조건에서 더 나은 성능을 발휘합니다. 다음과 같은 경우에는 피하십시오: 정밀한 유량 제어가 필요합니다. 볼 밸브를 이용한 유량 조절은 시간이 지남에 따라 밀봉면을 손상시킬 수 있습니다. 2. 게이트 밸브 최적 사용 용도: 유동 저항이 최소화된 격리 서비스 게이트 밸브는 유로에서 게이트를 들어 올려 작동하는 밸브입니다. 완전 개방 또는 완전 폐쇄 작동이 필요한 대구경 파이프라인에 널리 사용됩니다. 일반적인 적용 사례: ● 장거리 송전 파이프라인 ● 수처리 시스템 ● 고온 증기 라인 선택 참고 사항: ● 완전히 열렸을 때 압력 강하가 거의 없음 ● 웨지 게이트 밸브는 고온 조건에서 더 나은 밀봉 성능을 제공합니다. 다음과 같은 경우에는 피하십시오: 잦은 작동 또는 조절이 필요합니다. 게이트 밸브는 반복적인 작동을 위해 설계되지 않았습니다. 3. 글로브 밸브 최적의 용도: 정밀한 유량 조절 글로브 밸브는 제어된 흐름 경로를 통해 유체를 강제로 통과시켜 정확한 유량 조절과 안정적인 유량 제어를 가능하게 합니다. 일반적인 적용 사례: ● 증기 시스템 ● 고온 공정 ● 유량 조절 응용 분야 선택 참고 사항: ● 탁월한 스로틀링 성능 ● 유량 변동 조건에서도 안정적인 작동 다음과 같은 경우에는 피하십시오: 압력 강하는 최소화되어야 합니다. 글로브 밸브는 본질적으로 더 높은 유량 저항을 발생시킵니다. 4. 체크 밸브 최적 사용 용도: 자동 역류 방지 체크 밸브는 유체 흐름 방향에 따라 자동으로 작동하여 장비 손상을 유발할 수 있는 역류를 방지합니다. 일반적인 적용 사례: ● 펌프 배출 라인 ● 압축기 시스템 ● 공정 배관 네트워크 선택 참고 사항: ● 이중판 및 저소음 체크 밸브는 수격 현상을 줄여줍니다. ● 디스크 진동을 방지하려면 적절한 크기 선택과 설치가 매우 중요합니다. 다음과 같은 경우에는 피하십시오: 수동 차단 또는 격리가 필요합니다. 5. 블라인드 밸브 (라인 블라인드 밸브) 최적의 상황: 격리 및 최대한의 안전 확보 블라인드 밸브는 파이프라인에 단단한 판을 삽입하여 물리적으로 격리합니다. 기존 밸브와 달리 밀봉 표면에 의존하지 않으므로 위험도가 높은 시스템에 필수적입니다. 일반적인 적용 사례: ● 석유 및 가스 플랜트 유지보수 ● 화학 공장 가동 중단 및 정기 보수 ● 고압 및 위험 매체 시스템 선택 참고 사항: ● 안경형 블라인드와 슬라이딩 블라인드는 개폐 상태를 안전하게 전환할 수 있도록 설계되었습니다. ● 잠금/태그아웃(LOTO) 안전 절차에 이상적입니다. ● 표준 차단 밸브보다 더 높은 안전성을 제공합니다. 다음과 같은 경우에는 피하십시오: 스위칭 작업에는 일반적으로 기계적 조작이 필요하므로 빈번한 작동이 요구됩니다. 산업용 밸브 종류 비교 밸브 유형 주요 기능 압력 강하 유량 제어 격리 수준 볼 밸브 전원 차단 낮은 가난한 중간 게이트 밸브 격리 매우 낮음 없음 중간 글로브 밸브 스로틀링 높은 훌륭한 중간 체크 밸브 역류 방지 중간 오토매틱 낮은 블라인드 밸브 양성 격리 없음 없음 매우 높음 적합한 산업용 밸브 유형 선택 방법 ▶올바른 밸브 유형을 선택하는 것은 작동 조건에 따라 달라집니다. 다음 요소를 고려하십시오. ● 기능: 차단, 유량 조절 또는 역류 방지 ● 압력 및 온도: 재질 및 밸브 설계를 결정하는 요소입니다. ● 유동 특성: 연속 유동, 맥동 유동 또는 고속 유동 ● 안전 요구사항: 격리 조치가 필요한지 여부 ▶예를 들면: ● 빠른 차단과 효율성을 위해 볼 밸브를 선택하십시오. ● 정밀한 유량 조절을 위해서는 글로브 밸브를 선택하십시오. ● 안전상의 이유로 절대적인 차단이 필요한 경우 블라인드 밸브를 선택하십시오. 밸브 선택 시 흔히 저지르는 실수 ● 볼 밸브를 이용한 스로틀 조절 ● 잦은 작동에 적합한 게이트 밸브 선택 ● 글로브 밸브의 압력 강하를 무시함 ● 체크 밸브의 크기 부적절로 인한 진동 ● 중요 격리를 위해 블라인드 밸브 대신 표준 밸브를 사용하는 것 이러한 실수를 피하면 유지 보수 비용과 시스템 오류를 크게 줄일 수 있습니다. 자주 묻는 질문 Q1: 석유 및 가스 프로젝트에서 가장 일반적으로 사용되는 산업용 밸브 유형은 무엇입니까? 볼 밸브와 게이트 밸브는 파이프라인에 널리 사용됩니다. 글로브 밸브는 제어용으로 사용되며, 체크 밸브는 펌프와 압축기를 보호합니다. Q2: 볼 밸브와 글로브 밸브 중 어떤 것을 선택해야 할까요? 차단 및 낮은 저항이 필요한 경우에는 볼 밸브를 사용하십시오. 정밀한 유량 조절이 필요한 경우에는 글로브 밸브를 사용하십시오. Q3: 게이트 밸브가 잦은 작동에 적합하지 않은 이유는 무엇입니까? 이 제품들은 스트로크 시간이 길고, 밀봉면이 반복적인 작동 중에 빠르게 마모됩니다. 질문 4: 체크 밸브 선택 시 가장 큰 실수는 무엇입니까...

라인 블라인드 밸브는 고온 증기 환경에 사용할 수 있습니까?
라인 블라인드 밸브는 고온 증기 환경에 사용할 수 있습니까?
2026-03-19

최근에, 데르보스 밸브 헝가리의 한 고객사가 산업용 증기 시스템에서 흔히 발생하는 문제, 즉 누출이나 가동 중단 없이 고온 파이프라인을 안전하게 격리하는 방법을 해결하도록 지원했습니다. 약 250°C의 포화 증기 환경에서 작동하고 -39°C까지 내려가는 극한 온도에 노출되는 고객 시스템은 견고하고 신뢰할 수 있는 솔루션을 요구했습니다. 기존 밸브는 이러한 조건에서 밀폐를 제대로 유지하지 못하는 경우가 많았고, 기존 차단 방식은 배관의 압력을 낮춰야 했기 때문에 가동 중지 시간과 운영 위험이 증가했습니다. 이러한 문제들을 해결하기 위해 Dervos는 DN400 PN40을 공급했습니다. 슬라이딩 라인 블라인드 밸브 이 밸브는 프로젝트의 열악한 환경에 맞춰 특별히 설계되었습니다. 밸브의 슬라이딩 블라인드 메커니즘을 통해 작업자는 시스템의 압력을 낮추지 않고도 유량 조절 위치와 차단 위치 사이를 전환할 수 있어 유지보수 중 안전성과 효율성을 향상시킵니다. 단조 20GML 강철과 금속 대 금속 스테인리스 스틸 밀봉 구조로 제작된 이 제품은 판막 고온 증기 및 극한의 실외 환경에서도 안정적인 성능을 제공합니다. 전체 구경 설계로 유동 저항을 최소화했으며, 웜 기어 수동 액추에이터는 대형 및 고압 환경에서도 부드럽고 정밀한 작동을 보장합니다. 오작동 방지 장치 및 보호 블라인드 플레이트 구조와 같은 안전 기능은 취급 중 오류 발생 위험을 더욱 줄여줍니다. 설치 이후, 이 밸브는 누출 없는 작동, 더욱 안전한 유지보수 절차, 그리고 극한 온도에서도 안정적인 성능을 제공해 왔습니다. 30년 이상의 수명을 고려하여 설계된 이 밸브는 장기적인 저유지보수 솔루션을 제공하여 고객에게 증기 시스템의 신뢰성과 안전성에 대한 확신을 심어줍니다. 이 프로젝트는 정교하게 설계된 슬라이딩 라인 블라인드 밸브가 고온 증기 응용 분야에서 중요한 차단 문제를 해결하고, 작동 안전성, 내구성 및 효율성을 하나의 솔루션으로 결합하는 방법을 보여줍니다.

다섯 개의 백성 중 하나
加载中...

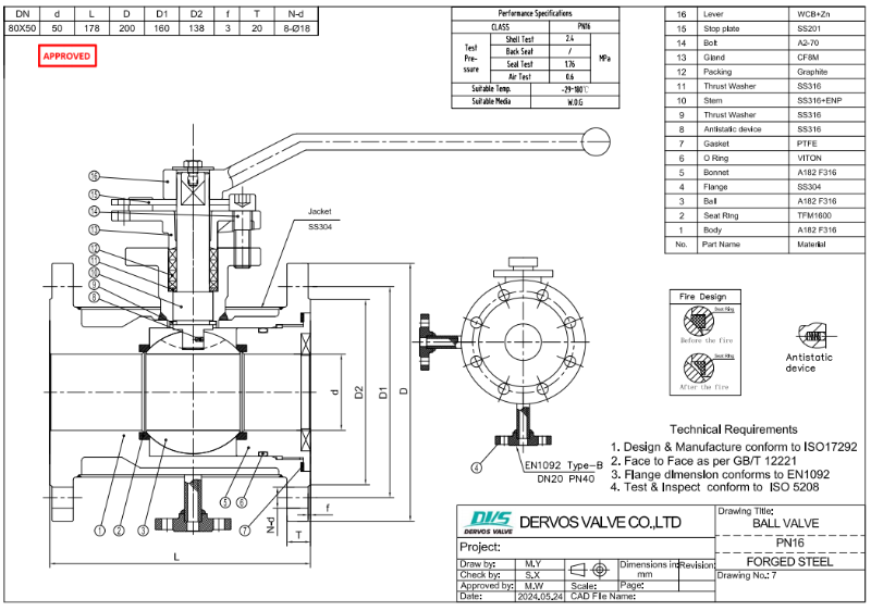
DN80*50 PN16 단조강 볼 밸브 F316 ISO17292 EN1092-1 B

  • 지불:

    30% when order confirmed, 70% before shipment
  • 제품 원산지:

    china
  • 색:

    Customization
  • 배송 포트:

    Shanghai, China
  • 리드 타임:

    30~60 days Ex Works after order confirmation
  • Material:

    A182 F316
  • Method of Operation:

    hand wheel
지금 문의
제품 상세 정보

DN80*50 PN16 단조강 볼 밸브는 ISO17292 표준에 따라 제작되었습니다. 밸브 본체는 A182 F316 재질이며, 축소형 내경, 절연 재킷, 두 개의 DN20 PN40 소형 플랜지, 밸브 측면과 하단에 각각 하나씩 있는 가열 연결부, 배수 플러그 불필요 등의 구조적 특징을 갖추고 있습니다. 연결 방식은 EN1092-1 B이며, 핸드휠 조작 방식을 채택하고 있습니다.

제품 매개변수

유형

단조강 볼 밸브

크기

DN80*50

압력

PN16

연결

EN1092-1 B

작업

핸드휠

본체 재질

A182 F316

디자인 표준

ISO17292

대면

GB/T 12221

플랜지 치수

EN1092

시험 및 검사 규정

ISO 5208

온도

-29 ~ 180 °C

적용 가능한 매체

물, 석유 및 가스

특징

1. F316 스테인리스강으로 단조 제작되어 PN16 압력 적용 분야에서 탁월한 내식성과 안정적인 성능을 제공합니다.

2. ISO 17292 규격을 준수하는 볼 밸브 설계와 EN1092-1 B 플랜지는 원활한 유량 제어와 안전한 설치를 보장합니다.

기술 도면

Forged Steel Ball Valve

단조강 볼 밸브

치수 검사

Forged Steel Ball Valve

압력 테스트

Forged Steel Ball Valve

명판 및 포장

Forged Steel Ball Valve

검사 보고서

Forged Steel Ball Valve Forged Steel Ball Valve Forged Steel Ball Valve Forged Steel Ball Valve

메시지를 남길

에 관심이 있다면 우리의 제품과한 자세한 내용을 알고 싶다면,메시지를 남겨주십시오 여기,우리가 응답할 것입니다 당신은 빨리 우리가 할 수 있습니다.

관련 상품
클래스 150 플로팅 볼 밸브
알루미늄 청동 뜨 공 벨브 1 인치 150lb

1 인치 플로팅 타입 볼 밸브는 알루미늄 브론즈 c95800으로 제작되었습니다. 감소 된 보어 볼 밸브에는 레버 작동, rf 플랜지, 2 피스 타입 본체가 있습니다. 빠른 세부 사항 유형 볼 밸브 크기 1" 압력 아니 150 구성 떠 있는   볼, 2 피스 바디, 측면 입구, 보어 감소 연결 플랜지   종료 조작 지렛대   조작 신체   재료 알류미늄   청동 ASTM B148 C95800 미디어 w.o.g 볼 밸브에 사용 가능한 수정 공칭 압력 밸브 크기 -감소 된 포트 & amp; 풀 포트 -몸체, 볼, 스템, 시트, 패킹, 볼트 및 너트의 재질 밸브 작동 (레버, 기어 박스, 공압 또는 유압 또는 전기 액추에이터) 연결 유형 사용 가능한 확장 스템 맞춤형 코팅 및 포장 배수구 수정 dervos 포장 좋은 포장은 좋은 첫 인상을 의미합니다. 아래 두 개의 상자를 볼 때 어떻게 다르게 느끼는가? 그리고 당신은 왜 dervos에서 우리가 포장을 그렇게 중요하게 생각하는지 이유를 알 것입니다. dervos에서 우리는 1. 모든 밸브가 깨끗하고 건조합니다. 우리는 무엇을해야합니까? 포장하기 전에 밸브를 청소 녹슬지 않는 기름을 첨가하십시오 플랜지 커버 추가 납품에있는 벨브에 2.no 손상. 우리는 이것을 어떻게 달성합니까? 철 와이어로 밸브를 고정 부드러운 재료로 밸브를 분리하십시오. 합판을 가진 벨브를 층을 이루십시오 3.strong 상자 및 명확한 배송 표시

두 조각 캐스트 스틸 볼 밸브
캐스팅 2 피스 볼 밸브 4 인치 클래스 150 렌치

2 피스 타입 플로팅 볼 밸브 전체 포트, 화재 안전 설계, 안티 분출 스템, ANSI 150 플랜지 및 레버 작동. 탄소강 볼 밸브는 a216 wcb 바디, f316 스템 및 볼, ptfe 소프트 시트로 설계되었습니다. 빠른 세부 사항 유형 볼 밸브 크기 4 " 압력 150 파운드 구성 플로팅 타입   볼, 2 피스 바디, 풀 보어 연결 높인   면 플랜지 끝 조작 렌치   조작 신체   재료 캐스트 스틸   wcb 손질   재료 ss316 및 ptfe 디자인 표준 API 6D 압력   & amp; 임시 코드 asme b16.34 면 대면 asme b16.10 종료   연결 asme b16.5 검사   암호 API 6D 온도   범위 -29 ℃ ~ + 125 ℃ 미디어 물, 기름   가스 소재 & amp; 치수 아니 부품 이름 탄소   강철에서 ASTM으로 스테인리스   강철에서 ASTM으로 wcb lcb cf8 cf8m cf3 cf3m 1 신체 a216 화장실 a352 lcb a351 cf8 a351 cf8m a351 cf3 a351 cf3m 2 보닛 너트 a194 2 시간 a194 4 a194 8 삼 보닛 볼트 a193 b7 a320 l7 a193 b8 4 캡 a216 화장실 a352 lcb a351 cf8 a351 cf8m a351 cf3 a351 cf3m 5 틈 메우는 물건 ss 나선형 상처 / 흑연 또는   ss 나선형 상처 / ptfe 6 공 a105 / ep.cr 또는 f6 a182 f6 a351 cf8 a351 cf8m a351 cf3 a351 cf3m 7 좌석 링 rptfe 또는 pom 8 작은 봄 스테인레스 9 작은 공 a182 f304 a182 f316l 10 줄기 a182 f6 a182 f6 a182 f304 a182 f316 a182 f304l a182 f316l 11 줄기 좌석 ptfe 12 줄기 포장 ptfe 또는 흑연 13 선 a182 f6 a182 f304 a182 f316 a182 f304l a182 f316l 14 글 랜드 볼트 a193 b7 a193 b8 15 갈드 플랜지 a216 화장실 a351 cf8 16 포지셔닝 플레이트 강철 17 브렌치 a216 화장실 재료는   ASTM 표준에 따라 클래스 150 dn mm 15 20 25 40 50 65 80 100 150 200 250 nps 에 0.5 0.75 1 1.5 2 2.5 삼 4 6 8 10 엘 (rf) mm 108 117 127 165 178 191 203 229 394 457 533 에 4.25 4.6 5 6.5 7 7.5 8 9 15.5 18 21 l1 (bw) mm 140 152 165 190 216 241 283 305 457 521 559 에 5.5 6 6.5 7.48 8.5 9.5 11.13 12 18 20.5 22 l2 (rtj) mm 119 129.7 139.7 178 191 203 216 241 406 470 546 에 4.69 5.11 5.5 6.9 7.5 8 8.5 9.5 16 18.5 21.5 h mm 66 74 87 105 132 152 182 215 250 285 495 에 2.6 2.9 3.48 4.2 5.28 6.08 7.28 8.6 10 11.4 19.5 할 (w) mm 130 130 160 230 400 400 600 850 1100 1500 년 * 350 에 5.1 5.11 6.3 9 15.74 15.74 23.62 33.46 43.3 59 13.8 rf (kg) & emsp; 2.3 삼 4.5 7 15 20 25 40 97 160 240 bw (kg) & emsp; 2.0 2.5 3.8 5.8 12 17 21 36 92.8 154 227 * 웜 기어 또는 전동 액추에이터 작동 특별 시험 & amp; 검사 dervos는 정기적 인 유압 테스트 및 공기 테스트 외에도 pt 테스트, rt 테스트, ut 테스트, 극저온 테스트, 저 누출 테스트, 내화 테스트 및 경도 테스트 등과 같은 고객의 요청에 따라 특수 테스트를 수행 할 수 있습니다 .

DN100 WCB 볼 밸브
DIN 볼 밸브 DN100 PN16 WCB 부동 볼 가열 자켓

딘 볼 밸브 전체 기공 rf floaing 볼 화재 방지 정전기 방지 레버 wcb 바디 a105 + enp 볼 17-4ph 줄기 f304 + ni55 좌석 x750 봄 용접 플랜지 가열 재킷 dn100 pn16 빠른 세부 사항 유형 볼 밸브 크기 dn100 설계 압력 pn16 구성 플로팅 볼 밸브 연결 타입 올린 얼굴 플랜지 작업 유형 지렛대 바디 재료 wcb 공 재료 a105 + ni60 줄기 재료 17-4ph 시트 재료 f304 + ni55 디자인 코드 en12516-1 대면 치수 en558-1 연결 종료 en1092-1 b1 압력 및 온도 en12266 매질 물, 기름 및 가스 유래 중국

API 6D 볼 밸브 제조업체
API 6D 플로팅 볼 밸브 2 인치 600lb 확장 스템 A105

API 6D 볼 밸브는 지하 볼 밸브 또는 저온과 같은 특수 용도의 확장 스템 신청. 연장 된 줄기의 길이는 클라이언트의에 의하여 주문을 받아서 만들어 질 수 있습니다 의뢰. 빠른 세부 사항 유형 볼 밸브 크기 2 인치 압력 클래스 600 구성 스플릿   몸, 옆 입장, 뜨 유형, 내화성 디자인, 정전기 방지 체계,   폭발 방지 스템, 확장 보닛 연결 rf 플랜지 작동 모드 지렛대 바디 재료 a105n 트림 재료 SS304 볼 및 스템, RPTFE 시트 디자인 및 제조 API 6D 압력 및 임시 코드 asme b16.34 끝으로 종료 asme b16.10 연결 종료 asme b16.5 검사 API 6D,   API 598 온도 범위 -29 ℃ ~ + 200 ℃ 매질 기름,   수성 가스 dervos의 qc 프로세스 주조 검사 : 우리 급격한 주조와 같은 원료의 문제를 확인할 수 있습니다. 벽 두께, 화학 성분 등으로 인해 속이는 가공 검사 : -안전하게 하다 가공 정확도 -찾기 수리 시간을 더 많이 확보하기 위해 가능한 빨리 가공 실수를 재생 최종 검사 : -최종 검사 활동에는 문서 및 QC 기록이 포함됩니다 검토, 육안 검사, 치수 검사, 압력 테스트, 도장 및 포장 검사 -시간과 비용 절약 : 직접 방문해서 검사 할 필요가 없습니다. 모든 문서는 증거로 제공 될 수 있습니다. 검사 보고서는 다음을 포함하여 무료로 제공됩니다 : -en 10204 3.1 밀 테스트 인증서 전체 검사 과정을 보여주는 검사 보고서

 단조 스틸 a105 npt 볼 밸브
DN25 PN100 단조 스틸 A105 NPT 볼 밸브

DN25 PN100 단조 스틸 A105 NPT 연결 방식 2 개 구성 풀 포어 레버 작동 플로팅 볼 화재 안전 바디 및 보닛 A105 볼 A182 F304 시트 링 PTFE 스템 A182 F304 스템 O 링 바이 톤 패킹 흑연 글 랜드 스테인레스 스틸 디자인 및 제조 Asme B16.34 페이스 페이스 디자인 제조 표준 제조 표준 나사 및 치수 ansi b1.20.1 검사 및 테스트 API598 화재 안전 설계 API 607 빠른 세부 사항 유형 볼 밸브 크기 dn25 압력 pn100 구성 2 조각 연결 npt 작동 모드 지렛대 바디 재료 a105 덮개 a105 디자인 및 제조 asme b16.34 끝으로 종료 asme b16.10 연결 종료 ANSI B1.20.1 검사 API 598 온도 범위 -29 ℃ ~ + 538 ℃ 매질 기름, 물, 가스

다섯 개의 백성 중 하나
2 조각 플로팅 볼 밸브 WCB 150lb 4inch 감소 보어

API 6a에 따라 제작 된 2 피스 플로팅 볼 밸브는 보어 감소, 내화 설계, 폭발 방지 스템 설계를 갖추고 있습니다. rptfe 시트와 ptfe o 링이 장착 된 4 인치 wcb 밸브는 인증서를 제공합니다.

다섯 개의 백성 중 하나
JIS2 조각 부동 볼밸브 RF×NPT25A16K

이 공 벨브로 설계,ASME B16.34,기능 두 가지 다양한 연결 방법으로 한쪽 RF 및 다른 쪽 NPT. 밸브와 함께 떠 공 PTFE seat,SCS13 몸체와 다른 특징은 훌륭한 바다표범 어업 성과가 있습니다.

다섯 개의 백성 중 하나
2 인치 600LB API6D 볼 밸브 RF 전체 2 조각 구멍 유형

단조 강철 공 벨브로 만든 A105 체와 17 4PH 손 RTJ flange end 및 레버 작업입니다. 이동 볼밸브 기능을 신뢰할 수 있는 실링 성능고 쉽게 작업입니다.

다섯 개의 백성 중 하나
스테인리스 스틸 2 조각의 형 볼밸브 1-1/2 인치 800 파운드

의 F316,부동 공 벨브 설계에서 코드의 ASME B16.34. 밸브로 구성되어 있는 두 개의 조각 몸에 떠 있는 볼,레버 작동으로 좋은 신뢰할 수 있는 실링 성능과 작은 토크가 있습니다.

단조강 플로팅 볼 밸브
DN25 PN16 단조강 플로팅 볼 밸브 바디 ASTM ISO 17292

DN25 PN16 단조강 플로팅 볼 밸브는 ISO17292 표준에 따라 제작됩니다. 밸브 본체는 ASTM-A105 규격으로 제작되었습니다. 분리형, 플로팅 볼, 풀 보어, 내화성, 정전기 방지, 폭발 방지 스템의 구조적 특성을 갖추고 있습니다. 연결 방식은 RF이며, 핸드 휠 작동 방식을 사용합니다.

다섯 개의 백성 중 하나
1 인치 3 피스 수동 볼 밸브 풀 보어

CF8M으로 제작 된 2 개 밸브는 ASME B16.34. 혼합 와 15 %의 유리 섬유, RPTFE 밸브의 시트는 고온 및 높은 부식성 작업 조건을 견딜 수 있습니다.

다섯 개의 백성 중 하나
플랜지 엔드 볼 밸브, ASTM A350 LF6, CL600, 1 / 2 인치, 두 조각

중국 플랜지 엔드 볼 밸브 Producer, Dervos는 플랜지 엔드 볼 밸브, ASTM A350 LF6, 클래스 600, 1 / 2 인치, 투피스, 단조, API 608, BS 5351, ASME B16.34.

메시지를 남겨주세요

    에 관심이 있다면 우리의 제품과한 자세한 내용을 알고 싶다면,메시지를 남겨주십시오 여기,우리가 응답할 것입니다 당신은 빨리 우리가 할 수 있습니다.

제품

접촉