한국의

한국의

Get a Quote
제품

핫 제품

회사 뉴스

블라인드 밸브의 특징
블라인드 밸브의 특징
2026-04-10

게이트 밸브와 블라인드 밸브는 모두 파이프라인 차단에 사용되지만, 작동 원리는 근본적으로 다릅니다. 산업용 배관 시스템에서 목표가 다음과 같다면 진정한 물리적 고립 (양의 격리)의 경우, 블라인드 밸브(라인 블라인드 밸브)는 일반적으로 기존 밸브보다 신뢰성이 높습니다. 시트 밀봉에 의존하는 대신, 블라인드 밸브는 유체를 차단하는 방식으로 격리합니다. 솔리드 블라인드 플레이트 이는 적용 범위와 엔지니어링 가치를 모두 정의합니다. 블라인드 밸브의 주요 특징은 공학적 관점에서 다음과 같이 이해할 수 있습니다. 1. 절대적인 물리적 격리 만약에 누출 없음 밀폐가 필요한 경우, 기존 밸브(게이트 밸브 또는 볼 밸브 등)는 밀봉 무결성에 성능이 좌우되므로 위험을 초래할 수 있습니다. 블라인드 밸브는 다른 논리를 따릅니다. ▶ 단단한 판을 삽입하면 흐름이 완전히 차단됩니다. ▶ 블라인드 플레이트가 올바르게 위치하면 밀봉 불량은 더 이상 문제가 되지 않습니다. 이러한 특징 때문에 블라인드 밸브는 다음과 같은 용도에 더 적합합니다. ● 석유 및 가스 파이프라인 격리 ● 가연성 물질(석유, LNG, 화학물질) ● 고온 증기 시스템 에스 공학적 결론: 검증 가능한 격리가 필요한 프로젝트라면, 밀폐형 산업용 밸브보다는 블라인드 밸브를 우선적으로 고려해야 합니다. 2. 인라인 운영 기능 기존의 스페이드 및 스페이서 블라인드는 일반적으로 플랜지 분해가 필요하므로 작동이 복잡해지고 안전 위험이 발생합니다. 블라인드 밸브(예: 슬라이딩 블라인드 밸브 (스윙 블라인드 밸브와 같은) 밸브는 다른 접근 방식으로 설계되었습니다. ▶ 운영과 유지보수 간의 잦은 전환이 필요한 경우, 수동 개입을 최소화해야 합니다. ▶ 가동 중단이 허용되지 않는 경우, 가압된 배관 조건 하에서 전환 작업을 수행해야 합니다(특정 설계에 따름). 그러므로: ● 슬라이딩 블라인드 밸브: 제한된 공간 및 높은 자동화 요구 사항에 적합합니다. ● 스윙 블라인드 밸브: 구조가 간단하여 중저주파 스위칭에 적합합니다. ● 안경 블라인드 밸브 : 저주파 작동 및 비용에 민감한 프로젝트에 적합합니다. 공학적 결론: 유지보수가 빈번하거나 가동 중단이 불가능한 경우, 인라인 작동 기능을 갖춘 블라인드 밸브를 우선적으로 고려해야 합니다. 3. 기계적 신뢰성 블라인드 밸브의 신뢰성은 복잡한 밀봉 시스템에 달려 있는 것이 아니라 다음과 같은 요소에 달려 있습니다. ● 기계적 구조적 안정성 ● 재질 강도 (예: A105, WCB, F22, LF2) ● 작동 방식 (수동, 기어 작동식 또는 유압식) ▶ 고온, 고압 또는 부식성 매체와 같은 사용 환경 조건에서는 밀봉식 밸브가 고장날 가능성이 더 높습니다. ▶ 블라인드 밸브를 사용하는 경우, 주요 위험은 구조 설계 및 작동 메커니즘으로 옮겨갑니다. 일반적인 적용 분야는 다음과 같습니다. ● 정유 공장 격리 시스템 ● 석유화학 공장 ● 발전소 증기 배관 공학적 결론: 시스템 고장의 결과가 심각한 경우, 밀봉 성능에 의존하는 밸브 설계보다는 구조적으로 신뢰할 수 있는 솔루션을 우선시해야 합니다. 4. 안전 연동 설계 실제 프로젝트에서 운영 오류는 주요 위험 요소 중 하나입니다. 블라인드 밸브는 일반적으로 다음과 같은 기능을 갖추고 있습니다. ● 기계식 위치 잠금 ● 오작동 방지용 연동 장치 ● 명확한 열림/닫힘 위치 표시 ▶ 공정 매체가 가연성 또는 독성이 있는 경우, 오작동 위험을 최소화해야 합니다. ▶ 기존 밸브를 사용하는 경우, "완전히 닫혔다"는 잘못된 가정으로 인해 안전사고가 발생할 수 있습니다. 공학적 결론: 안전이 최우선이라면 인터록 설계가 적용된 블라인드 밸브를 선택해야 합니다. 5. 유지보수 중심 설계 유지보수 및 운영 관점에서: ▶ 기존 밸브를 차단용으로 사용하는 경우에도 안전을 확보하기 위해 추가적인 블라인드 설치가 필요합니다. ▶ 블라인드 밸브를 직접 사용하면 반복적인 격리 절차를 줄일 수 있습니다. 그 결과는 다음과 같습니다. ● 가동 중지 시간 단축 ● 수작업 감소 ● 유지보수 안전성 향상 공학적 결론: 시스템이 장기간 가동되고 빈번한 유지보수가 필요한 경우, 블라인드 밸브는 총 소유 비용을 절감하는 데 도움이 됩니다. 결론 블라인드 밸브의 가치는 유량 제어에 있는 것이 아니라, 검증 가능한 물리적 차단(확실한 차단)을 제공하는 데 있습니다. 프로젝트에 다음과 같은 조건이 적용되는 경우: ● 누출이 전혀 없어야 합니다. ● 가연성 또는 고위험 물질이 관련되어 있음 ● 운영과 유지보수 간의 잦은 전환이 필요합니다. ● 안전 격리에 대한 명확한 요구 사항이 정의되어 있습니다. 따라서 블라인드 밸브를 선택하는 것은 단순히 기술적인 결정일 뿐만 아니라 위험 관리 전략이기도 합니다. 석유 및 가스, 석유화학, 발전 분야 프로젝트의 경우 이러한 고려 사항이 결정적인 역할을 하는 경우가 많습니다. 질문과 답변 Q1: 블라인드 밸브가 게이트 밸브를 대체할 수 있습니까? 유량 조절이나 차단이 목적이라면 게이트 밸브를 사용할 수 있습니다. 완전한 격리(확실한 격리)가 필요한 경우에는 블라인드 밸브가 필요합니다. ▶ 누출 제로가 목표라면 게이트 밸브는 대안이 될 수 없습니다. Q2: 슬라이딩 블라인드 밸브, 스윙 블라인드 밸브, 스펙터클 블라인드 밸브 중에서 어떻게 선택해야 할까요? 간단한 지침: ● 공간이 제한적일 경우 → 슬라이딩 블라인드 밸브를 선택하세요 ● 간단한 구조를 선호하는 경우 → 스윙 블라인드 밸브를 선택하십시오 ● 작동 빈도가 낮으면 → 안경형 블라인드 밸브를 선택하십시오 ▶ 전환이 빈번한 경우 자동화 또는 기계 보조 설계를 고려해야 합니다. Q3: 블라인드 밸브는 압력이 가해진 상태에서 작동할 수 있습니까? 디자인에 따라 다릅니다. ▶ 표준 설계인 경우 → 일반적으로 감압이 필요합니다 ▶ 특수 설계(예: 밀봉 메커니즘 포함)인 경우 → 가압 상태에서의 작동이 가능할 수 있습니다. 그러므로 선택은 실제 서비스 조건에 따라 이루어져야 합니다. 질문 4: 블라인드 밸브에 사용할 재료는 어떻게 선택해야 하나요? ● A105 / WCB → 일반 석유 및 가스 서비스 ● LF2 → 저온 서비스 ●...

2026년 모든 엔지니어가 알아야 할 산업용 밸브 5가지
2026년 모든 엔지니어가 알아야 할 산업용 밸브 5가지
2026-03-27

산업용 밸브 유형을 올바르게 선택하는 것은 시스템 설계에서 가장 중요한 결정 중 하나입니다. 고품질 밸브를 사용하더라도 잘못된 선택은 누출, 압력 손실, 진동, 잦은 유지 보수 및 장기적인 운영 비효율로 이어질 수 있습니다. 이 가이드에서는 주요 산업용 밸브 유형에 대해 설명합니다. 2026년 프로젝트에 적합한 밸브를 선택하는 데 도움이 되는 실질적인 정보와 함께, 다양한 적용 분야, 장점 및 한계점을 자세히 살펴보겠습니다. 산업용 밸브의 종류는 무엇인가요? 산업용 밸브는 배관 시스템에서 유체 흐름을 제어, 조절 또는 차단하는 데 사용되는 다양한 밸브 설계를 지칭합니다. 각 유형은 차단, 유량 조절 또는 역류 방지와 같은 특정 기능을 위해 설계되었으며, 시스템의 안전과 효율성을 위해서는 올바른 유형을 선택하는 것이 필수적입니다. 산업용 밸브의 주요 5가지 유형과 그 적용 분야 1. 볼 밸브 최적의 용도: 빠른 차단 및 낮은 압력 손실 볼 밸브는 직선형 내경을 가진 회전하는 볼을 사용합니다. 완전히 열렸을 때 저항이 최소화되어 유체 이송에 가장 효율적인 방식 중 하나입니다. 일반적인 적용 사례: ● 석유 및 가스 파이프라인 ● 고압 시스템 ● 잦은 켜짐/꺼짐 작동 선택 참고 사항: ● 풀포트 설계는 에너지 손실을 최소화합니다. ● 금속 시트 볼 밸브는 마모가 심하거나 작동 주기가 잦은 조건에서 더 나은 성능을 발휘합니다. 다음과 같은 경우에는 피하십시오: 정밀한 유량 제어가 필요합니다. 볼 밸브를 이용한 유량 조절은 시간이 지남에 따라 밀봉면을 손상시킬 수 있습니다. 2. 게이트 밸브 최적 사용 용도: 유동 저항이 최소화된 격리 서비스 게이트 밸브는 유로에서 게이트를 들어 올려 작동하는 밸브입니다. 완전 개방 또는 완전 폐쇄 작동이 필요한 대구경 파이프라인에 널리 사용됩니다. 일반적인 적용 사례: ● 장거리 송전 파이프라인 ● 수처리 시스템 ● 고온 증기 라인 선택 참고 사항: ● 완전히 열렸을 때 압력 강하가 거의 없음 ● 웨지 게이트 밸브는 고온 조건에서 더 나은 밀봉 성능을 제공합니다. 다음과 같은 경우에는 피하십시오: 잦은 작동 또는 조절이 필요합니다. 게이트 밸브는 반복적인 작동을 위해 설계되지 않았습니다. 3. 글로브 밸브 최적의 용도: 정밀한 유량 조절 글로브 밸브는 제어된 흐름 경로를 통해 유체를 강제로 통과시켜 정확한 유량 조절과 안정적인 유량 제어를 가능하게 합니다. 일반적인 적용 사례: ● 증기 시스템 ● 고온 공정 ● 유량 조절 응용 분야 선택 참고 사항: ● 탁월한 스로틀링 성능 ● 유량 변동 조건에서도 안정적인 작동 다음과 같은 경우에는 피하십시오: 압력 강하는 최소화되어야 합니다. 글로브 밸브는 본질적으로 더 높은 유량 저항을 발생시킵니다. 4. 체크 밸브 최적 사용 용도: 자동 역류 방지 체크 밸브는 유체 흐름 방향에 따라 자동으로 작동하여 장비 손상을 유발할 수 있는 역류를 방지합니다. 일반적인 적용 사례: ● 펌프 배출 라인 ● 압축기 시스템 ● 공정 배관 네트워크 선택 참고 사항: ● 이중판 및 저소음 체크 밸브는 수격 현상을 줄여줍니다. ● 디스크 진동을 방지하려면 적절한 크기 선택과 설치가 매우 중요합니다. 다음과 같은 경우에는 피하십시오: 수동 차단 또는 격리가 필요합니다. 5. 블라인드 밸브 (라인 블라인드 밸브) 최적의 상황: 격리 및 최대한의 안전 확보 블라인드 밸브는 파이프라인에 단단한 판을 삽입하여 물리적으로 격리합니다. 기존 밸브와 달리 밀봉 표면에 의존하지 않으므로 위험도가 높은 시스템에 필수적입니다. 일반적인 적용 사례: ● 석유 및 가스 플랜트 유지보수 ● 화학 공장 가동 중단 및 정기 보수 ● 고압 및 위험 매체 시스템 선택 참고 사항: ● 안경형 블라인드와 슬라이딩 블라인드는 개폐 상태를 안전하게 전환할 수 있도록 설계되었습니다. ● 잠금/태그아웃(LOTO) 안전 절차에 이상적입니다. ● 표준 차단 밸브보다 더 높은 안전성을 제공합니다. 다음과 같은 경우에는 피하십시오: 스위칭 작업에는 일반적으로 기계적 조작이 필요하므로 빈번한 작동이 요구됩니다. 산업용 밸브 종류 비교 밸브 유형 주요 기능 압력 강하 유량 제어 격리 수준 볼 밸브 전원 차단 낮은 가난한 중간 게이트 밸브 격리 매우 낮음 없음 중간 글로브 밸브 스로틀링 높은 훌륭한 중간 체크 밸브 역류 방지 중간 오토매틱 낮은 블라인드 밸브 양성 격리 없음 없음 매우 높음 적합한 산업용 밸브 유형 선택 방법 ▶올바른 밸브 유형을 선택하는 것은 작동 조건에 따라 달라집니다. 다음 요소를 고려하십시오. ● 기능: 차단, 유량 조절 또는 역류 방지 ● 압력 및 온도: 재질 및 밸브 설계를 결정하는 요소입니다. ● 유동 특성: 연속 유동, 맥동 유동 또는 고속 유동 ● 안전 요구사항: 격리 조치가 필요한지 여부 ▶예를 들면: ● 빠른 차단과 효율성을 위해 볼 밸브를 선택하십시오. ● 정밀한 유량 조절을 위해서는 글로브 밸브를 선택하십시오. ● 안전상의 이유로 절대적인 차단이 필요한 경우 블라인드 밸브를 선택하십시오. 밸브 선택 시 흔히 저지르는 실수 ● 볼 밸브를 이용한 스로틀 조절 ● 잦은 작동에 적합한 게이트 밸브 선택 ● 글로브 밸브의 압력 강하를 무시함 ● 체크 밸브의 크기 부적절로 인한 진동 ● 중요 격리를 위해 블라인드 밸브 대신 표준 밸브를 사용하는 것 이러한 실수를 피하면 유지 보수 비용과 시스템 오류를 크게 줄일 수 있습니다. 자주 묻는 질문 Q1: 석유 및 가스 프로젝트에서 가장 일반적으로 사용되는 산업용 밸브 유형은 무엇입니까? 볼 밸브와 게이트 밸브는 파이프라인에 널리 사용됩니다. 글로브 밸브는 제어용으로 사용되며, 체크 밸브는 펌프와 압축기를 보호합니다. Q2: 볼 밸브와 글로브 밸브 중 어떤 것을 선택해야 할까요? 차단 및 낮은 저항이 필요한 경우에는 볼 밸브를 사용하십시오. 정밀한 유량 조절이 필요한 경우에는 글로브 밸브를 사용하십시오. Q3: 게이트 밸브가 잦은 작동에 적합하지 않은 이유는 무엇입니까? 이 제품들은 스트로크 시간이 길고, 밀봉면이 반복적인 작동 중에 빠르게 마모됩니다. 질문 4: 체크 밸브 선택 시 가장 큰 실수는 무엇입니까...

라인 블라인드 밸브는 고온 증기 환경에 사용할 수 있습니까?
라인 블라인드 밸브는 고온 증기 환경에 사용할 수 있습니까?
2026-03-19

최근에, 데르보스 밸브 헝가리의 한 고객사가 산업용 증기 시스템에서 흔히 발생하는 문제, 즉 누출이나 가동 중단 없이 고온 파이프라인을 안전하게 격리하는 방법을 해결하도록 지원했습니다. 약 250°C의 포화 증기 환경에서 작동하고 -39°C까지 내려가는 극한 온도에 노출되는 고객 시스템은 견고하고 신뢰할 수 있는 솔루션을 요구했습니다. 기존 밸브는 이러한 조건에서 밀폐를 제대로 유지하지 못하는 경우가 많았고, 기존 차단 방식은 배관의 압력을 낮춰야 했기 때문에 가동 중지 시간과 운영 위험이 증가했습니다. 이러한 문제들을 해결하기 위해 Dervos는 DN400 PN40을 공급했습니다. 슬라이딩 라인 블라인드 밸브 이 밸브는 프로젝트의 열악한 환경에 맞춰 특별히 설계되었습니다. 밸브의 슬라이딩 블라인드 메커니즘을 통해 작업자는 시스템의 압력을 낮추지 않고도 유량 조절 위치와 차단 위치 사이를 전환할 수 있어 유지보수 중 안전성과 효율성을 향상시킵니다. 단조 20GML 강철과 금속 대 금속 스테인리스 스틸 밀봉 구조로 제작된 이 제품은 판막 고온 증기 및 극한의 실외 환경에서도 안정적인 성능을 제공합니다. 전체 구경 설계로 유동 저항을 최소화했으며, 웜 기어 수동 액추에이터는 대형 및 고압 환경에서도 부드럽고 정밀한 작동을 보장합니다. 오작동 방지 장치 및 보호 블라인드 플레이트 구조와 같은 안전 기능은 취급 중 오류 발생 위험을 더욱 줄여줍니다. 설치 이후, 이 밸브는 누출 없는 작동, 더욱 안전한 유지보수 절차, 그리고 극한 온도에서도 안정적인 성능을 제공해 왔습니다. 30년 이상의 수명을 고려하여 설계된 이 밸브는 장기적인 저유지보수 솔루션을 제공하여 고객에게 증기 시스템의 신뢰성과 안전성에 대한 확신을 심어줍니다. 이 프로젝트는 정교하게 설계된 슬라이딩 라인 블라인드 밸브가 고온 증기 응용 분야에서 중요한 차단 문제를 해결하고, 작동 안전성, 내구성 및 효율성을 하나의 솔루션으로 결합하는 방법을 보여줍니다.

다섯 개의 백성 중 하나
加载中...

DN100 PN40 스테인리스강 게이트 밸브 EN 1.4571 EN1984

  • 지불:

    30% when order confirmed, 70% before shipment
  • 제품 원산지:

    china
  • 색:

    Customization
  • 배송 포트:

    Shanghai, China
  • 리드 타임:

    30~60 days Ex Works after order confirmation
  • Material:

    X6CrNiMoTi17-12-2
  • Method of Operation:

    hand wheel
지금 문의
제품 상세 정보

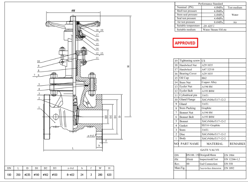
DN100 PN40 스테인리스 스틸 게이트 밸브는 EN 1984 표준에 따라 제작되었습니다. 밸브 본체는 X6CrNiMoTi17-12-2 재질로 만들어졌습니다. EN 1.4571(AISI 316Ti)은 입계 부식 및 중간 정도의 염화물 부식에 대한 저항성이 요구되는 중온 및 고온 환경, 특히 용접 후 열처리가 없는 용접 시스템에 널리 사용됩니다. 연결 방식은 EN558이며, 핸드휠이 장착되어 있습니다. operation mode.

Product Parameters

Type

Stainless Steel Gate Valve

Size

DN100

Pressure

PN40

Connection

EN 558

Operation

Hand Wheel

Body Material

X6CrNiMoTi17-12-2

Design Norm

EN 1984

Face to Face dimension

EN 1092

End connection

EN 558

Test & Inspection Code

EN 12266-1,2

Temperature

-29 ~ 425°C

Applicable Medium

Water, Oil and Gas

Features

1.Made from EN 1.4571 stainless steel, offering excellent corrosion resistance and high-temperature stability for PN40 pressure applications.

2.Gate valve design compliant with EN 1984 ensures reliable shutoff and long service life in industrial piping systems.

Technical Drawing

DN100 PN40 Stainless Steel Gate Valve

Dimension Checking

DN100 PN40 Stainless Steel Gate Valve

Pressure Testing

DN100 PN40 Stainless Steel Gate Valve

Spectrum

DN100 PN40 Stainless Steel Gate Valve

Nameplate & Packing

DN100 PN40 Stainless Steel Gate Valve

메시지를 남길

에 관심이 있다면 우리의 제품과한 자세한 내용을 알고 싶다면,메시지를 남겨주십시오 여기,우리가 응답할 것입니다 당신은 빨리 우리가 할 수 있습니다.

관련 상품
스테인레스 스틸 플랜지 게이트 밸브
스테인레스 스틸 게이트 밸브 DIN 3352 PN16 OS&Y

스테인레스 스틸 CF8M 게이트 밸브는 DIN 3352에 따른 플랜지 연결 및 핸드휠 작동으로 설계되었습니다. PN16 DN200 풀 포트 게이트 밸브는 OS&Y 구조, 탄력 있는 웨지 및 교체 가능한 시트를 갖추고 있습니다. 설계사양 설계 및 제조: DIN 3352 종단 간 차원: DIN3202 플랜지 끝: EN1092-1 테스트 및 검사: EN12266-1/2 디자인특징 -풀 보어 디자인 -우수한 유량 및 작은 마찰 손실 -밸브 개폐 토크 값이 낮음 -더 나은 착석감과 간편한 작동을 위한 유연한 웨지 -매끄러운 마감과 시트면의 우수한 밀봉성 - 모든 밸브는 추적성을 위해 몸체에 특정 번호로 제조됩니다. 빠른 세부정보 유형 문 판막 크기 DN 200 압력 PN 16 건설 볼트로 고정됨 보닛, 라이징 스템, 외부 나사 및 요크 연결 플랜지 연결 작업 핸드휠 본체 재질 스테인레스 스틸 CF8M 재료 다듬기 스테인레스 스틸 온도 범위 -268…~+648… 중간 물, 석유 및 가스 기원 중국 더보스 포장 포장은 결코 무시할 수 없는 중요한 부분입니다. Dervos는 주문의 안전하고 명확한 배송을 보장하기 위해 각 주문에 대한 포장 프로세스를 갖추고 있습니다.

다섯 개의 백성 중 하나
4" 150LB 게이트 밸브 API603 스테인레스 스틸 HW-OP OS&Y CF8M

4" 150LB 게이트 밸브는 API에 따라 제작됩니다. 603 표준. 밸브 본체는 ASTM A351 CF8M+STL로 만들어졌습니다. 그것은 볼트 커버, 탄성 쐐기 및 라이징 스템의 구조적 특성. 그것은 테스트 및 검사는 API 598을 준수하며, 작동 모드는 핸드휠 작동입니다.

다섯 개의 백성 중 하나
DN200 PN40 스테인레스 스틸 게이트 밸브 EN1984 HW-OP BB RF OS&Y

DN200 PN40 게이트 밸브는 EN1984에 따라 제작되었습니다. 기준. 밸브 몸체는 1.4571+STL로 제작되었습니다. 그것은 구조적 볼트 커버, 탄성 게이트, 라이징 스템 및 브라켓의 특징. 그것의 연결 모드는 EN1092-1/B입니다. 그리고 핸드 휠 작동 모드가 있습니다.

다섯 개의 백성 중 하나
DIN DN125 PN16 스테인레스 스틸 게이트 밸브 HW-OP BB RF

DN125 PN16 게이트 밸브는 DIN에 따라 제작됩니다. 3352 표준. 밸브 몸체는 1.4408로 만들어졌습니다. 그것은 구조적 SS316을 사용한 볼트 커버, 라이징 스템, 탄성 웨지의 특성 절연 재킷 및 구조 길이 325mm. 연결 모드는 RF입니다. EN1092-1 B1. 그리고 핸드 휠 작동 모드가 있습니다.

다섯 개의 백성 중 하나
2" 150LB 스테인레스 스틸 게이트 밸브 RF CF3 API600 핸드휠

2" 150LB 게이트 밸브는 API에 따라 제작됩니다. 600 표준. 밸브 본체는 A351 CF3으로 만들어졌습니다. 그것은 구조적 볼트 커버, 라이징 스템 브라켓의 특징. 연결 모드는 RF입니다. 그리고 핸드휠 작동 모드가 있습니다.

다섯 개의 백성 중 하나
DN100 PN40 5A 듀플렉스 스테인리스 스틸 게이트 밸브 EN 1984

DN100 PN40 5A 듀플렉스 스테인리스 스틸 게이트 밸브는 EN 1984 표준에 따라 제작되었습니다. 밸브 본체는 ASTM A995 5A+STL 규격으로 제작되었습니다. 풀 보어(Full Bore), 볼트 체결 보닛, 요크가 있는 라이징 스템(Rising Stem), 플렉시블 웨지(Flexible Wedge) 구조의 특징을 가지고 있습니다. 연결 방식은 EN1092-1 B1이며, 핸드 휠 작동 방식을 채택했습니다.

다섯 개의 백성 중 하나
EN1984 DN150 PN40 스테인리스강 게이트 밸브 EN 1.4571

DN150 PN40 스테인리스 스틸 게이트 밸브는 EN 1984 표준에 따라 제작되었습니다. 밸브 본체는 X6CrNiMoTi17-12-2 재질로 만들어졌습니다. EN 1.4571(AISI 316Ti)은 입계 부식 및 중간 정도의 염화물 부식에 대한 저항성이 요구되는 중온 및 고온 환경, 특히 용접 후 열처리가 없는 용접 시스템에 널리 사용됩니다. 연결 방식은 EN558이며, 핸드휠이 장착되어 있습니다. operation mode. Product Parameters Type Stainless Steel Gate Valve Size DN150 Pressure PN40 Connection EN 558 Operation Hand Wheel Body Material X6CrNiMoTi17-12-2 Design Norm EN 1984 Face to Face dimension EN 1092 End connection EN 558 Test & Inspection Code EN 12266-1,2 Temperature -29 ~ 425 °C Applicable Medium Water, Oil and Gas Features 1.EN 1.4571 stainless steel construction provides strong resistance to pitting and stress corrosion in aggressive media. 2.DN150 PN40 configuration designed to EN 1984 standard ensures stable operation and tight isolation in medium-pressure pipelines. Technical Drawing Dimension Checking Pressure Testing Spectrum Nameplate & Packing

다섯 개의 백성 중 하나
API 602 DN25 PN40 스테인리스강 게이트 밸브 F316Ti EN1092-1 B1

DN25 PN40 플랜지 게이트 밸브는 API602 표준에 따라 제작되었습니다. 밸브 본체는 A182-F316Ti 재질이며, 연결 방식은 EN1092-1 B1입니다. 또한 핸드휠이 장착되어 있습니다. 작동 모드. 제품 매개변수 유형 스테인리스 스틸 게이트 밸브 크기 디나25 압력 PN40 연결 EN1092-1 B1 작업 핸드휠 본체 재질 A182-F316Ti 디자인 표준 API 602 플랜지 치수 EN 1092 재질 적합 AISI/ASTM 시험 및 검사 규정 EN 12266 온도 -29 ~ 120 °C 적용 가능한 매체 물, 석유 및 가스 특징 1. F316Ti 스테인리스강 본체는 입자간 부식 및 고온 환경에 대한 저항성을 향상시킵니다. 2. API 602 규격에 따라 설계된 DN25 PN40 게이트 밸브와 EN1092-1 B1 플랜지는 공정 파이프라인에서 안정적인 작동과 완벽한 차단을 보장합니다. 기술 도면 치수 검사 압력 테스트 스펙트럼 검사 보고서

다섯 개의 백성 중 하나
DN100 PN16 스테인리스 스틸 게이트 밸브 RF DIN 3352 핸들

DN100 PN16 스테인리스 스틸 게이트 밸브는 DIN 3352 표준에 따라 제작되었습니다. 밸브 본체는 A351 CF8M+STL 재질이며, 볼트식 보닛, 라이징 스템, 플렉시블 웨지 등의 구조적 특징을 가지고 있으며, 면간 거리는 DIN 3202-F4 규격을 준수합니다. 연결 방식은 RF 방식이며, 핸들이 포함되어 있습니다. 작동 모드. 제품 매개변수 유형 스테인리스 스틸 게이트 밸브 크기 디나100 압력 PN16 연결 RF 작업 핸들 본체 재질 A351 CF8M+STL 디자인 표준 DIN 3350 대면 소음 3202-F4 플랜지 치수 EN 1092-1 시험 및 검사 규정 EN 12266 온도 - 29 ~ 425 °C 적용 가능한 매체 물, 석유 및 가스 특징 1. 상승형 스템 스테인리스 스틸 게이트 밸브 설계로 정밀한 유량 제어와 완벽한 차단 기능을 보장합니다. 2. PN16 등급에 RF 플랜지가 장착되어 있으며 DIN 3352 규격을 준수하고, 손잡이로 조작하여 손쉽게 제어할 수 있습니다. 기술 도면 치수 검사 압력 테스트 그림 명판 및 포장 검사 보고서

메시지를 남겨주세요

    에 관심이 있다면 우리의 제품과한 자세한 내용을 알고 싶다면,메시지를 남겨주십시오 여기,우리가 응답할 것입니다 당신은 빨리 우리가 할 수 있습니다.

제품

접촉