한국의

한국의

Get a Quote
제품

핫 제품

회사 뉴스

Installation of Large Diameter Ball Valves
Installation of Large Diameter Ball Valves
2026-03-09

Large diameter ball valves are commonly used in industries such as petroleum and chemical processing, power generation, long-distance pipeline transportation, and large-scale water treatment systems. If installation is not performed correctly, it may lead to sealing leakage, valve jamming, or structural stress damage. Therefore, proper installation practices are essential to ensure long-term stable operation.   1. Pre-installation Inspection   If pre-installation inspection is insufficient, operational failures are more likely to occur during service. First, inspect the valve body for transportation damage. If scratches, impact marks, or deformation are found on the valve body or sealing surfaces, installation should be stopped and the supplier should be contacted.   Next, verify valve model, pressure rating, and connection standards. If the system design pressure does not match the valve pressure class, operational safety risks may occur. For example, if a low-pressure class valve is mistakenly used in a high-pressure pipeline system, the valve body may experience plastic deformation under water hammer impact.   It is also necessary to check the condition of the ball surface and sealing rings. If there are scratches on the ball surface, sealing performance will be reduced. This is especially critical in gas transmission systems where micro-leakage is more likely.   2. Installation Direction   Large diameter ball valves usually have a flow direction marking. If the installation direction is incorrect, the following problems may occur: If the fluid flow direction matches the design direction, the operating torque will remain more stable. If the valve is installed in reverse, the stem may experience increased mechanical load, which will accelerate stem wear during long-term operation. For double-seal bidirectional ball valves, although bidirectional flow is allowed, installation according to the marked flow direction is still recommended to ensure more uniform sealing stress distribution. In high-temperature or steam systems, if the installation direction is incorrect, thermal expansion may accelerate sealing ring aging.   3. Pipeline Stress Control   Large diameter ball valves are heavy. If installed without proper support, additional bending moments may be transferred to flange connections. If pipeline systems experience axial displacement, pipeline supports should be installed for segmented fixation. If support structures are not provided, the valve body may bear long-term gravitational tensile load, eventually causing flange seal failure. It is generally recommended to install independent supports on both sides of large diameter ball valves. If the pipeline system is subject to thermal expansion and contraction, expansion compensation devices must be installed; otherwise, sealing surfaces may gradually fail.   4. Bolt Tightening Process   Flange connections of large diameter ball valves usually ...

Unite Strength, Create the Future Together --Dervos Annual Grand Event Successfully Concluded
Unite Strength, Create the Future Together --Dervos Annual Grand Event Successfully Concluded
2026-03-02

This year’s Dervos annual conference was noticeably more grand and well-organized than in previous years.   In the morning session, each department delivered its annual work summary, reviewing key projects and achievements over the past year. Teams also openly shared the challenges encountered during implementation and the practical experience gained along the way.   Through this cross-department exchange, everyone developed a clearer understanding of one another’s responsibilities and workflows, laying a stronger foundation for future collaboration and communication.     In the afternoon session, the Outstanding Employee awards were presented. Each nominee shared their work achievements and practical experience, demonstrating a strong sense of responsibility and execution across different roles. It is precisely this proactive mindset, collaborative spirit, and down-to-earth working approach of Dervos employees that drives the team steadily toward its shared goals.     Showing up on time every single day throughout the year — that’s quite an achievement. Ian has now received the Perfect Attendance Award for two consecutive years.     During the annual conference, Dervos also presented medals and exclusive commemorative gifts to employees who have completed five years of service.     Dervos values the long-term dedication and consistent commitment of its team members, and sincerely appreciates the trust and contributions they have made over the years. For many at Dervos, the company is not only a platform for professional growth, but also a stage where shared goals and collective efforts come to life. In the evening, the annual conference transitioned into the banquet segment. Performances and interactive games were seamlessly interspersed, creating a relaxed yet organized atmosphere.     Laughter and cheers echoed throughout the venue, and in the moment the camera shutter clicked, the excitement and joy were captured in a single frame.     Eric said: "Let’s dream together, DERVOS's dream. A dream where we all play a part, piece by piece, it becomes a reality." For Dervos, the annual meeting is not just about "summarizing the year," but about bringing our hearts together, strengthening our resolve in doing the same thing, and then continuing to move forward, step by step, with steady progress.            

What Is the Difference Between Plug Valves and Ball Valves?
What Is the Difference Between Plug Valves and Ball Valves?
2026-02-20

Ball valves and plug valves differ significantly in several aspects, including structure, operating principle, mode of operation, flow control capability, sealing performance, and application scenarios. These differences enable the two types of valves to perform distinct roles in their respective fields.   Structural Differences   The ball valve, a design evolved from the plug valve, utilizes a spherical element as its core component. By rotating the ball 90° around the stem axis, the valve can be opened or closed. Its structure is straightforward, consisting primarily of a spherical closure element with a through-bore housed within the valve body.   In contrast, the structure of a plug valve is more complex. It comprises multiple components such as the valve body, bonnet, plug, seat, and stem. The closure element is a cylindrical or tapered plug that controls flow by rotating 90°, aligning or misaligning the port in the plug with the flow passage in the valve body to achieve opening or shutoff.   Operating Principle   The operating principle of a ball valve relies on the rotation of the ball to control the on-off flow of fluid. When the ball is in tight contact with the valve seat, the clearance between them is completely sealed, thereby preventing fluid leakage. When the ball rotates to a position disengaged from the seat, the fluid is allowed to flow freely through the passage inside the valve body.   The operating principle of a plug valve differs in that it primarily controls the flow passage by rotating the plug element to open or close the valve. In a plug valve, the plug is connected to the stem and rotates together with it to achieve flow control. The closure element is a tapered plug with a port, and the flow passage is designed to be perpendicular to the axis of the plug. This configuration enables the plug valve to operate more efficiently and reliably during opening and closing.   The operation of a ball valve is notably simple, requiring only a 90-degree rotation to achieve opening or closing. This design allows the flow passage to be opened or shut off quickly and smoothly when the ball is rotated by 90 degrees, providing both convenience and efficiency. In addition, ball valves offer relatively low flow resistance in the fully open or fully closed position, making them particularly suitable for applications that require rapid on-off operation.   By contrast, the operation of a plug valve is comparatively more complex, as several turns are typically required to complete the opening or closing action. The valve plug is designed in a cylindrical or tapered form and regulates fluid flow through rotation. Nevertheless, plug valves demonstrate excellent performance in flow regulation, enabling precise adjustment of the flow passage diameter and accurate control of flow rate. However, due to the relatively complicated operating process, plug valves are not well suited for frequent operation...

단조강 글로브 밸브
加载中...

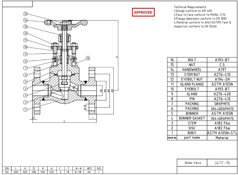
DN65 PN16 단조강 글로브 밸브 EN1092-1 B A105 API 602

DN65 PN16 단조강 글로브 밸브는 API 602 표준에 따라 제작되었습니다. 밸브 본체는 ASTM A105N+STL 재질이며, 볼트식 보닛 구조를 가지고 있습니다. 연결 방식은 EN1092-1 B 규격을 준수하며, 핸드휠 방식으로 작동합니다.

  • 지불:

    30% when order confirmed, 70% before shipment
  • 제품 원산지:

    china
  • 색:

    Customization
  • 배송 포트:

    Shanghai, China
  • 리드 타임:

    30~60 days Ex Works after order confirmation
  • Material:

    Forged Steel Globe Valve
  • Method of Operation:

    hand wheel
지금 문의
제품 상세 정보

제품 설명

유형

철제 글로브 밸브

크기

디나65

압력

PN16

연결

EN1092-1 B

작업

핸드휠

본체 재질

ASTM A105N+STL

디자인 표준

API 602

대면

API 6D

플랜지 치수

EN 1092

시험 및 검사 암호

EN 12266

온도

- 29 ~ 425 °C

적용 가능한 매체

물, 석유 및 가스

특징

1. A105 단조강 본체는 PN16 압력 조건에서 높은 강도와 안정적인 성능을 보장합니다.

2. API 602 글로브 밸브 설계와 EN1092-1 B형 플랜지 연결부는 정밀한 유량 조절과 탁월한 밀봉 성능을 제공합니다.

기술 도면

Forged Steel Globe Valve

치수 검사

Forged Steel Globe Valve

압력 테스트

Forged Steel Globe Valve

명판 및 포장

Forged Steel Globe Valve

검사 보고서

Forged Steel Globe Valve Forged Steel Globe Valve Forged Steel Globe Valve Forged Steel Globe Valve

메시지를 남길

에 관심이 있다면 우리의 제품과한 자세한 내용을 알고 싶다면,메시지를 남겨주십시오 여기,우리가 응답할 것입니다 당신은 빨리 우리가 할 수 있습니다.

관련 상품
단조 스틸 ASTM A105 글로브 밸브
단조 스틸 글로브 밸브 1 인치 800lb 스레드 매뉴얼

1 인치 800lb 암나사 형 글로브 밸브에는 플러그 디스크, 포트 감소 및 수동 핸드 휠 작동이 있습니다. 밸브는 api 602에 따라 a105n 바디와 트림 5로 제작됩니다. 빠른 세부 사항 유형 지구   판막 크기 1'' 압력 수업   800 구성 볼트   보닛, 감소 된 포트, 외부 scew & amp; 멍에 연결 타입 npt   암나사 작업 유형 핸드 휠   움직이는 디자인 코드 API   602 끝으로 종료   치수 저 같은   b16.10 연결 저 같은   b1.20.1 압력 및   온도 저 같은   b16.34 테스트 & amp;   검사 API   598 바디 재료 서서히 나아가는   스틸 a105 트림 재료 13cr + 위성 온도 범위 -29 ℃ ~ + 427 ℃ 신청 물,   석유 가스 유래 중국 제품 범위4 인치까지 1.size150lb에서 2500lb 사이의 2.design 압력3. 연결 : 플랜지, 소켓 용접, 스레드4.operation : 액추에이터와 더불어 수동 핸들, 변속기, 벌거 벗은 줄기,5.body 물자 : 탄소 강철, 스테인리스, 합금 강철6.trim 재질 : 트림 1, 5, 8, 10, 12, 16 등.7. 볼트 보닛, 압력 밀봉 보닛, 용접 보닛, 스크류 보닛8. 감소 구멍, 전체 구멍 검사 보고서각 주문과 함께 dervos는 선적 후 검사 보고서와 재료 테스트 보고서를 무료로 제공합니다. 이러한 모든 인증서를 통해 검사 프로세스 및 결과를 명확하게 파악할 수 있습니다. 또한이 보고서는 추적 성을 위해 사용될 수 있습니다.

단조 스틸 글로브 밸브
단조 스틸 글로브 밸브 스트레이트 SDNR FNPT

역류 방지 설계의 글로브 밸브는 개방 위치에 있을 때 역류를 방지하며 격리 작업에도 적합합니다. 수동으로 작동하며 핸드휠과 함께 제공됩니다.

티 패턴 글로브 밸브
DN25 PN250 티 패턴 글로브 밸브 단조 스틸 API 602

빠른 세부 정보 유형 글로브 밸브DN DN50PN PN250 건설 티 패턴; 볼트 보닛; 연결 타입 NPT 작업 유형 핸드휠 디자인 코드 API602 나사 끝 ASME/ANSI B1.20.1 테스트 & 검사 API598 본체 재질 A105+STL 트림 소재 A276-420 중간 물, 석유 및 가스 기원 중국 특징 -- 글로브 밸브에는 스로틀링 및 차단 기능이 모두 있습니다. -- 유지 보수가 용이하고 좌석을 다시 표면 처리합니다. -- 디스크가 스템에 부착되지 않은 경우 스톱 체크 밸브로 사용 가능 기술 도면 치수 확인 증인 시험 더보스 패키징 좋은 포장은 좋은 첫인상을 의미합니다. 아래 두 개의 상자를 보면 어떤 느낌이 다를지 상상해 보세요. 그리고 Dervos에서 포장을 그토록 중요시하는 이유를 알게 될 것입니다. Dervos에서는 다음을 확인합니다. 모든 밸브는 깨끗하고 건조합니다. - 포장하기 전에 밸브를 청소하십시오. - 방청유 첨가 - 플랜지 커버 추가 배송 시 밸브에 손상이 없습니다. - 철선으로 밸브 고정 - 부드러운 재질로 밸브를 분리 - 합판으로 밸브를 겹칩니다. - 튼튼한 상자와 명확한 배송 표시

글로브 밸브
단조 스틸 글로브 밸브 DN15 ASA2500 NPT

외부 나사 및 요크, 핸드휠 작동, NPT가 있는 단조 스틸 글로브 밸브는 A105로 만들어졌으며 BS5352에 따라 설계되었습니다.

글로브 밸브
11/2" 800LB 단조 강철 글로브 밸브 SW A105 API602

11/2" 800LB 글로브 밸브는 API602 규격에 따라 제작되었습니다. 밸브 본체는 A105+STL로 제작되었습니다. 용접 보닛의 구조적 특성을 가지고 있습니다. 연결 모드는 SW이며 핸드 휠 작동 모드가 있습니다.

글로브 밸브
3/4" 800LB 단조 강철 글로브 밸브 SW+FNPT A105N API602

3/4" 800LB 글로브 밸브는 API 602 표준에 따라 만들어집니다. 밸브 본체는 A105N+ STL로 만들어집니다. 플러그, 디스크 스위블 플러그, 바디 시트 및 OS&Y의 구조적 특성을 가지고 있습니다. 연결 모드는 SW+FNPT입니다. 그리고 핸드 휠 작동 모드가 있습니다.

글로브 밸브
1/2" 800LB 단조 강철 글로브 밸브 SW F316/316L API602 핸드 휠

1/2" 800LB 글로브 밸브는 API 602 표준에 따라 만들어집니다. 밸브 본체는 ASTM A182 F316/F316L+STL로 만들어집니다. 볼트 커버, 디스크 스위블 플러그, 바디 시트 및 OS&Y의 구조적 특성을 가지고 있습니다. 연결 모드 SW 이며 핸드 휠 작동 모드가 있습니다.

글로브 밸브
DN25 PN63 단조 강철 글로브 밸브 BS5352 핸드휠 A105N SS304

DN25 PN63 글로브 밸브는 BS5352 표준에 따라 제작되었습니다. 밸브 본체는 A105N+SS304로 만들어집니다. 볼트커버의 구조적 특성을 지닌 Straight Through Type입니다. 연결 모드는 EN1092-1 D입니다. 그리고 핸드 휠 작동 모드가 있습니다.

글로브 밸브
DN25 PN100 단조 강철 글로브 밸브 A105N SS304 API602

DN25 PN100 글로브 밸브는 API 602 표준에 따라 제작되었습니다. 밸브 본체는 A105N+SS304로 만들어집니다. 볼트커버의 구조적 특성을 지닌 Straight Through Type입니다. 연결 모드는 EN1092-1 D입니다. 그리고 핸드 휠 작동 모드가 있습니다.

글로브 밸브
API602 1/2" 150LB 단조 강철 글로브 밸브 A105N RF 핸드휠

1/2" 150LB 글로브 밸브는 API 602 표준에 따라 제작되었습니다. 밸브 몸체는 ASTM A105N+STL로 제작되었습니다. 관통형의 구조적 특성을 가지고 있습니다. 연결 모드는 RF이며 핸드 휠 작동 모드가 있습니다. .

글로브 밸브
단조 강철 글로브 밸브, RF 연결, 1/2'' 150LB, 본체 A105N, API602

1/2" 150LB 글로브 밸브는 API 602 표준에 따라 제작되었습니다. 밸브 몸체는 ASTM A105N+STL로 제작되었습니다. 관통형의 구조적 특성을 가지고 있습니다. 연결 모드는 RF이며 핸드 휠 작동 모드가 있습니다. .

글로브 밸브
RF 연결, 단조 강철 글로브 밸브, 1'' 600LB, 본체 A105N, API602

1" 600LB 글로브 밸브는 API 602 표준에 따라 제작되었습니다. 밸브 본체는 ASTM A105N+STL로 제작되었습니다. 볼트 커버의 구조적 특성을 지닌 직선 관통형입니다. 연결 모드는 RF입니다. 그리고 핸드 휠 작동 모드가 있습니다. .

메시지를 남겨주세요

    에 관심이 있다면 우리의 제품과한 자세한 내용을 알고 싶다면,메시지를 남겨주십시오 여기,우리가 응답할 것입니다 당신은 빨리 우리가 할 수 있습니다.

제품

접촉