한국의

한국의

Get a Quote
제품

핫 제품

회사 뉴스

Installation of Large Diameter Ball Valves
Installation of Large Diameter Ball Valves
2026-03-09

Large diameter ball valves are commonly used in industries such as petroleum and chemical processing, power generation, long-distance pipeline transportation, and large-scale water treatment systems. If installation is not performed correctly, it may lead to sealing leakage, valve jamming, or structural stress damage. Therefore, proper installation practices are essential to ensure long-term stable operation.   1. Pre-installation Inspection   If pre-installation inspection is insufficient, operational failures are more likely to occur during service. First, inspect the valve body for transportation damage. If scratches, impact marks, or deformation are found on the valve body or sealing surfaces, installation should be stopped and the supplier should be contacted.   Next, verify valve model, pressure rating, and connection standards. If the system design pressure does not match the valve pressure class, operational safety risks may occur. For example, if a low-pressure class valve is mistakenly used in a high-pressure pipeline system, the valve body may experience plastic deformation under water hammer impact.   It is also necessary to check the condition of the ball surface and sealing rings. If there are scratches on the ball surface, sealing performance will be reduced. This is especially critical in gas transmission systems where micro-leakage is more likely.   2. Installation Direction   Large diameter ball valves usually have a flow direction marking. If the installation direction is incorrect, the following problems may occur: If the fluid flow direction matches the design direction, the operating torque will remain more stable. If the valve is installed in reverse, the stem may experience increased mechanical load, which will accelerate stem wear during long-term operation. For double-seal bidirectional ball valves, although bidirectional flow is allowed, installation according to the marked flow direction is still recommended to ensure more uniform sealing stress distribution. In high-temperature or steam systems, if the installation direction is incorrect, thermal expansion may accelerate sealing ring aging.   3. Pipeline Stress Control   Large diameter ball valves are heavy. If installed without proper support, additional bending moments may be transferred to flange connections. If pipeline systems experience axial displacement, pipeline supports should be installed for segmented fixation. If support structures are not provided, the valve body may bear long-term gravitational tensile load, eventually causing flange seal failure. It is generally recommended to install independent supports on both sides of large diameter ball valves. If the pipeline system is subject to thermal expansion and contraction, expansion compensation devices must be installed; otherwise, sealing surfaces may gradually fail.   4. Bolt Tightening Process   Flange connections of large diameter ball valves usually ...

Unite Strength, Create the Future Together --Dervos Annual Grand Event Successfully Concluded
Unite Strength, Create the Future Together --Dervos Annual Grand Event Successfully Concluded
2026-03-02

This year’s Dervos annual conference was noticeably more grand and well-organized than in previous years.   In the morning session, each department delivered its annual work summary, reviewing key projects and achievements over the past year. Teams also openly shared the challenges encountered during implementation and the practical experience gained along the way.   Through this cross-department exchange, everyone developed a clearer understanding of one another’s responsibilities and workflows, laying a stronger foundation for future collaboration and communication.     In the afternoon session, the Outstanding Employee awards were presented. Each nominee shared their work achievements and practical experience, demonstrating a strong sense of responsibility and execution across different roles. It is precisely this proactive mindset, collaborative spirit, and down-to-earth working approach of Dervos employees that drives the team steadily toward its shared goals.     Showing up on time every single day throughout the year — that’s quite an achievement. Ian has now received the Perfect Attendance Award for two consecutive years.     During the annual conference, Dervos also presented medals and exclusive commemorative gifts to employees who have completed five years of service.     Dervos values the long-term dedication and consistent commitment of its team members, and sincerely appreciates the trust and contributions they have made over the years. For many at Dervos, the company is not only a platform for professional growth, but also a stage where shared goals and collective efforts come to life. In the evening, the annual conference transitioned into the banquet segment. Performances and interactive games were seamlessly interspersed, creating a relaxed yet organized atmosphere.     Laughter and cheers echoed throughout the venue, and in the moment the camera shutter clicked, the excitement and joy were captured in a single frame.     Eric said: "Let’s dream together, DERVOS's dream. A dream where we all play a part, piece by piece, it becomes a reality." For Dervos, the annual meeting is not just about "summarizing the year," but about bringing our hearts together, strengthening our resolve in doing the same thing, and then continuing to move forward, step by step, with steady progress.            

What Is the Difference Between Plug Valves and Ball Valves?
What Is the Difference Between Plug Valves and Ball Valves?
2026-02-20

Ball valves and plug valves differ significantly in several aspects, including structure, operating principle, mode of operation, flow control capability, sealing performance, and application scenarios. These differences enable the two types of valves to perform distinct roles in their respective fields.   Structural Differences   The ball valve, a design evolved from the plug valve, utilizes a spherical element as its core component. By rotating the ball 90° around the stem axis, the valve can be opened or closed. Its structure is straightforward, consisting primarily of a spherical closure element with a through-bore housed within the valve body.   In contrast, the structure of a plug valve is more complex. It comprises multiple components such as the valve body, bonnet, plug, seat, and stem. The closure element is a cylindrical or tapered plug that controls flow by rotating 90°, aligning or misaligning the port in the plug with the flow passage in the valve body to achieve opening or shutoff.   Operating Principle   The operating principle of a ball valve relies on the rotation of the ball to control the on-off flow of fluid. When the ball is in tight contact with the valve seat, the clearance between them is completely sealed, thereby preventing fluid leakage. When the ball rotates to a position disengaged from the seat, the fluid is allowed to flow freely through the passage inside the valve body.   The operating principle of a plug valve differs in that it primarily controls the flow passage by rotating the plug element to open or close the valve. In a plug valve, the plug is connected to the stem and rotates together with it to achieve flow control. The closure element is a tapered plug with a port, and the flow passage is designed to be perpendicular to the axis of the plug. This configuration enables the plug valve to operate more efficiently and reliably during opening and closing.   The operation of a ball valve is notably simple, requiring only a 90-degree rotation to achieve opening or closing. This design allows the flow passage to be opened or shut off quickly and smoothly when the ball is rotated by 90 degrees, providing both convenience and efficiency. In addition, ball valves offer relatively low flow resistance in the fully open or fully closed position, making them particularly suitable for applications that require rapid on-off operation.   By contrast, the operation of a plug valve is comparatively more complex, as several turns are typically required to complete the opening or closing action. The valve plug is designed in a cylindrical or tapered form and regulates fluid flow through rotation. Nevertheless, plug valves demonstrate excellent performance in flow regulation, enabling precise adjustment of the flow passage diameter and accurate control of flow rate. However, due to the relatively complicated operating process, plug valves are not well suited for frequent operation...

다섯 개의 백성 중 하나
加载中...

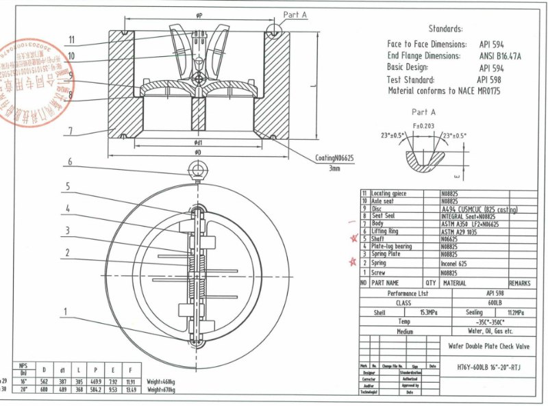
20인치 600LB 이중판 체크 밸브 RF API598 RTJ

  • 지불:

    30% when order confirmed, 70% before shipment
  • 제품 원산지:

    china
  • 색:

    Customization
  • 배송 포트:

    Shanghai, China
  • 리드 타임:

    30~60 days Ex Works after order confirmation
  • Material:

    ASTM A350 LF2+N06625
  • Method of Operation:

    no
지금 문의
제품 상세 정보

제품 매개변수

유형

이중판 체크 밸브

크기

20인치

압력

600파운드

연결

RTJ

본체 재질

ASTM A350 LF2+N06625

디자인 표준

API594

대면

API594

엔드 플랜지 치수

ASME B16.47A

시험 및 검사 규정

API598

온도

-35 ~ 350 °C

적용 가능한 매체

물, 석유 및 가스

특징

1. 이중판 설계로 빠른 닫힘을 보장하여 역류를 방지하고 수격 현상을 최소화합니다.

2. 정격 하중 600LB, RF 및 RTJ 플랜지 옵션 제공, API 598에 따라 완벽한 테스트를 거쳐 안정적인 밀봉 및 성능을 보장합니다.

기술 도면

Dual Plate Check Valve

치수 검사

Dual Plate Check Valve

압력 테스트

Dual Plate Check Valve

명판 및 포장

Dual Plate Check Valve

메시지를 남길

에 관심이 있다면 우리의 제품과한 자세한 내용을 알고 싶다면,메시지를 남겨주십시오 여기,우리가 응답할 것입니다 당신은 빨리 우리가 할 수 있습니다.

관련 상품
이중 디스크 러그 체크 밸브 150 lb
이중 SS 체크 밸브 러그 형 이중 플레이트 8 인치 클래스 150

API 594에 따라 설계된 8 인치 150lb 이중 디스크 비 복귀 체크 밸브에는 이중 플레이트 및 러그 연결부가 있습니다. 리테이너리스 이중 플레이트 체크 밸브는 본체 및 트림 재질로 이중 스테인리스 스틸 4a로 제작됩니다. 빠른 세부 사항 유형 검사   판막 크기 8 인치 설계 압력 수업   150 구성 이중   플레이트 타입, 리테이너 없음 연결 러그 타입 디자인 및 제조 API   594 끝으로 종료 저 같은   b16.10 연결 저 같은   b16.5 압력 및   온도 저 같은   b16.34 테스트 & amp;   검사 API   598 바디 재료 이중   스테인레스 스틸 4a 트림 재료 이중   스테인레스 미디어 w.o.g. 디자인 기능 1. 짧은 대면 치수 2. 경량으로 작은 크기 작은 물 망치로 디스크의 3.swift 가까운 4. 수직 또는 수평으로 설치 작은 흐름 저항을 가진 5.smooth 흐름 통로 6. 긴 수명과 높은 신뢰성

6 인치 듀얼 체크 밸브
웨이퍼 체크 밸브 알 브론 c95800 듀얼 디스크 6 인치

이중 디스크 웨이퍼 체크 밸브는 API 594에 따라 설계되고 API 598에 따라 테스트됩니다. 청동 비 복귀 밸브는 해수에 적용 할 수 있습니다. 빠른 세부 사항 유형 검사   판막 크기 6 인치 설계 압력 수업   150 구성 이중   리테이너가있는 플레이트 타입 연결 웨이퍼   유형 디자인 및 제조 API   594 끝으로 종료 저 같은   b16.10 연결 저 같은   b16.5 압력 및   온도 저 같은   b16.34 테스트 & amp;   검사 API   598 바디 재료 알류미늄   청동 c95800 트림 재료 알류미늄   청동 c95800 미디어 w.o.g. 밸브 조립 후 dervos 검사 밸브 품질은 우리가 가장 중요하게 생각하는 관점 중 하나입니다. dervos에서는 원료, 가공, 조립에서 선적 전 검사에 이르기까지 품질 관리가 시작됩니다. 조립 후 품질 검사 팀은 육안 검사, 치수 검사, 유압 테스트 및 공기 테스트를 수행합니다. 모든 주문은 검사 기준에 따라 테스트를 통과해야합니다. 그렇지 않으면 우리의 품질 검사 팀은 선적을 릴리스하지 않습니다. 검사 보고서 밸브 품질 관리 방법을 입증하는 데 문서를 사용할 수 있습니다. 모든 주문과 함께 dervos는 고객에게 검사 보고서를 제공합니다. 3.1 밀 테스트 보고서 무료. dervos 검사 보고서에는 도장 및 포장 사진과 함께 치수 검사 및 압력 테스트의 실제 결과가 표시됩니다. 이 모든 정보는 데이터와 명확한 그림을 통해 표시됩니다. 3.1 밀 테스트 보고서에는 밸브 몸체, 보닛, 스템, 디스크 등의 화학 성분, 기계적 성질 및 열 번호가 표시됩니다.

이중 디스크 체크 밸브
DN3202 더블 디스크 체크 밸브 PN25 DN100 CF8

cf8 스테인리스 스틸로 제작 된 이중 디스크 체크 밸브는 부식에 대한 내성이 우수합니다. din 3202에 따라 설계된 체크 밸브는 웨이퍼가있는 파이프에 연결됩니다. 빠른 세부 사항 유형 체크 밸브 공칭 직경 dn100 공칭 압력 pn25 구성 더블 디스크 / 듀얼 플레이트 연결 웨이퍼 타입 디자인 및 제조 식사 3202 끝으로 종료 식사 3202 플랜지 끝 치수 식사 2401 테스트 & amp; 검사 API 598 온도 범위 -29 ℃ ~ + 425 ℃ 바디 재료 a351 cf8 쐐기 재료 a351 cf8 미디어 w.o.g. dervos 포장 좋은 포장은 좋은 첫 인상을 의미합니다. 아래 두 개의 상자를 볼 때 어떻게 다르게 느끼는가? 그리고 당신은 왜 dervos에서 우리가 포장을 그렇게 중요하게 생각하는지 이유를 알 것입니다. dervos에서 우리는 1. 모든 밸브는 깨끗하고 건조합니다. 우리는 무엇을해야합니까? 포장하기 전에 밸브를 청소 녹슬지 않는 기름을 첨가하십시오 플랜지 커버 추가 2. 배송시 밸브가 손상되지 않습니다. 우리는 이것을 어떻게 달성합니까? 철 와이어로 밸브를 고정 부드러운 재료로 밸브를 분리하십시오. 합판을 가진 벨브를 층을 이루십시오 3. 강한 상자와 명확한 선박 표

다섯 개의 백성 중 하나
리테이너리스 웨이퍼 러그 타입 체크 밸브 6 ''900lb

6 인치 웨이퍼 체크 밸브는 api 594에 따라 엄격하게 제작됩니다. 몸체 재질 lcc는 러그 타입 밸브가 거친 환경을 처리 할 수 ​​있는지 확인하고 inconel-x 750 스프링은 밸브의 긴 수명을 약속합니다.

다섯 개의 백성 중 하나
dn250 10k 이중 플레이트 웨이퍼 체크 밸브 API 594

a395 d1로 제작 된 이중 디스크 체크 밸브는 내식성이 뛰어납니다. api594에 따라 설계된 체크 밸브는 웨이퍼가있는 파이프에 연결됩니다. 이 밸브는 해양 작업 조건에 놓일 수 있습니다.

다섯 개의 백성 중 하나
API594 듀얼 플레이트 웨이퍼 체크 밸브 WCB 300LB

The 10 인치 듀얼 플레이트 웨이퍼 체크 밸브는 WCB 최대 30LB까지 압력을받을 수 있습니다. 모두 Dervos 체크 밸브는 API 598 적용 가능한 모든 API, ANSI 를 충족하거나 초과해야합니다. 및 ASTM 표준.

다섯 개의 백성 중 하나
DIN 단일 플레이트 웨이퍼 체크 밸브 DN80 PN40

The 단일 디스크 CF8로 만든 체크 밸브는 내식성이 우수합니다. 에 따라 설계됨 API594, 밸브는 웨이퍼 유형입니다.

체크 밸브
단일 디스크 웨이퍼 체크 밸브 6 인치 150LB

API 594,에 따라 설계된 6인치 150LB 단일 디스크 웨이퍼 체크 밸브,에는 하나의 디스크와 웨이퍼 연결.이 있으며 -29 ~ 350섭씨 온도.에서 최고의 성능을 보입니다.

웨이퍼 체크 밸브
3" 150LB 듀얼 플레이트 웨이퍼 체크 밸브 API594 A995 5A

3" 150LB 웨이퍼 체크 밸브는 API594 규격에 따라 만들어집니다. 밸브 본체는 A995 5A로 만들어집니다. 빌트인 타입과 듀얼 플레이트의 구조적 특징을 가지고 있습니다. 연결 방식은 웨이퍼 타입입니다.

웨이퍼 체크 밸브
CF8M 20" 150LB 듀얼 플레이트 웨이퍼 체크 밸브 API594

20" 150LB 웨이퍼 체크 밸브는 API594 표준에 따라 만들어집니다. 밸브 본체는 A351 CF8M으로 만들어집니다. 이중 플레이트 및 내장형 구조적 특징을 가지고 있습니다. 연결 모드는 웨이퍼 RF입니다.

웨이퍼 체크 밸브
20" 300LB 듀얼 플레이트 웨이퍼 체크 밸브 WCB API 594

20" 300LB 웨이퍼 체크 밸브는 API 594 규격에 따라 만들어집니다. 밸브 본체는 WCB로 만들어집니다. 더블 플레이트와 빌트인 타입의 구조적 특징을 가지고 있습니다. 연결 방식은 웨이퍼 타입입니다.

메시지를 남겨주세요

    에 관심이 있다면 우리의 제품과한 자세한 내용을 알고 싶다면,메시지를 남겨주십시오 여기,우리가 응답할 것입니다 당신은 빨리 우리가 할 수 있습니다.

제품

접촉