한국의

한국의

Get a Quote
제품

핫 제품

회사 뉴스

자동 보안경 밸브 액추에이터 유형: 전기식 vs. 유압식
자동 보안경 밸브 액추에이터 유형: 전기식 vs. 유압식
2026-04-24

원격 작동이나 빈번한 전환이 필요한 애플리케이션에서는 자동 기능이 사용됩니다. 라인 블라인드 밸브 일반적으로 전기식 또는 유압식 작동 장치를 갖추고 있습니다. 두 시스템의 근본적인 차이점은 사용 가능 여부에 있는 것이 아니라, 부하 용량, 반응 특성, 환경 적응성 및 시스템 복잡성에 있습니다. 1. 전기 작동식 (전기 작동식 라인 블라인드 밸브) 전기 구동 방식은 모터와 감속 기어박스를 결합하여 토크를 발생시키고, 이 토크로 블라인드 플레이트를 구동하여 스위칭 작동을 완료합니다. 선택 논리: ● 현장의 전력 공급이 안정적이라면 → 전기 구동 방식을 우선적으로 고려해야 합니다. ● 원격 제어 또는 자동화 통합(DCS/PLC)이 필요한 경우 → 전기 구동 방식이 더 간단합니다 ● 스위칭 주파수가 비교적 높을 경우 → 전기 구동 방식은 작동 속도를 더 효과적으로 제어할 수 있습니다. 주요 특징: ● 간편한 제어: 제어 시스템에 직접 통합하여 원격 작동 및 위치 피드백이 가능합니다. ● 컴팩트한 구조: 추가 유압 동력 장치가 필요하지 않습니다. ● 유지보수 요구사항 감소: 정기 점검은 주로 모터와 기어박스에 집중됩니다. 제한 사항: ● 밸브 크기가 크거나 높은 추력이 필요한 경우 → 전기 구동 장치의 토크가 부족할 수 있습니다. ● 환경이 고온, 위험(폭발성) 또는 분진이 많은 경우 → 더 높은 전기 보호 기준(예: ATEX)이 필요합니다. ● 전원 공급이 불안정하거나 자주 중단될 경우 → 신뢰성이 저하될 수 있습니다. 결론: 표준 자동화 요구 사항과 적당한 부하 조건이 필요한 애플리케이션의 경우, 일반적으로 전기 구동 방식이 선호되는 솔루션입니다. 2. 유압 작동 (유압식 작동) 라인 블라인드 밸브 ) 유압 구동 방식은 유압 유체 압력을 통해 추력을 발생시키므로 고하중 적용 분야에 적합합니다. 선택 논리: ● 밸브 크기가 큰 경우(예: DN300 이상) → 유압 작동 방식을 우선적으로 고려해야 합니다. ● 높은 추력이 필요하거나 저항/걸림 현상을 극복해야 하는 경우 → 유압식 작동이 더 안정적입니다. ● 현장에 이미 유압 시스템이 설치되어 있는 경우 → 통합 비용이 절감됩니다 주요 특징: ● 높은 추력 출력: 고하중 막힘판 또는 고압 파이프라인에 적합합니다. ● 안정적인 작동: 충격 부하에 대한 강력한 저항력을 바탕으로 지속적인 출력을 제공합니다. ● 우수한 제어성: 압력 조절을 통해 정밀한 제어가 가능합니다. 제한 사항: ● 현장에 유압 동력 장치가 없는 경우 → 시스템 복잡성이 증가합니다. ● 주변 온도 변화가 클 경우 → 유압유 성능이 변동될 수 있습니다. ● 유지보수가 불충분할 경우 → 누수 문제가 발생할 가능성이 높아집니다 결론: 높은 부하와 높은 신뢰성이 요구되는 애플리케이션의 경우 유압 구동 방식이 더 적합한 선택입니다. 3. 전기식 vs. 유압식: 주요 선택 기준 일반적인 비교보다는, 다음은 엔지니어링 기반의 직접적인 선택 논리를 제시합니다. ● 높은 추력이 필요한 경우 → 유압식 작동 방식을 선택하십시오 ● 시스템 단순성이 최우선이라면 → 전기 구동 방식을 선택하세요 ● 원격 자동화 및 제어가 필요한 경우 → 전기 구동 방식이 선호됩니다 ● 작동 조건이 가혹한 경우(고온/과부하/고착 위험) → 유압 작동 방식이 더 안정적입니다. 4. 일반적인 적용 시나리오 ● 증기 또는 고온 파이프라인용 (예: 600등급/F22 재질) → 열 변형이나 고착 위험이 있는 경우 유압 작동 방식을 우선적으로 고려해야 합니다. ● 석유화학 설비의 유지 보수 격리(중간 정도의 스위칭 빈도): → 제어 시스템과의 통합이 필요한 경우, 전기 구동 방식이 더 적합합니다. ● 대구경 배관(DN400 이상 슬라이딩 라인 블라인드 밸브)의 경우: → 수동 조작이 어려운 경우 일반적으로 유압 작동 방식이 채택됩니다. ● 공간이 제한적이거나 기존 건물을 개조하는 프로젝트의 경우: → 유압 시스템 설치가 현실적으로 불가능하다면 전기 구동 방식을 우선적으로 고려해야 합니다. 5. 흔히 저지르는 선택 실수 실수 1: 추진력 요구 사항을 무시하고 자동화에만 집중하는 것 원격 제어만 고려하고 추력 요구 사항을 간과할 경우, 전기 액추에이터의 크기가 부족하여 작동 불량이 발생할 수 있습니다. 두 번째 실수: 환경적 요인을 무시하는 것 고온 환경이나 옥외 환경에서 적절한 보호 등급 없이 전기 구동 장치를 사용할 경우 고장률이 증가합니다. 세 번째 실수: 유압 시스템의 부적절한 유지 관리 유압 시스템이 제대로 유지 관리되지 않으면 누출이나 압력 변동이 밸브 작동에 직접적인 영향을 미칩니다. 6. 공학적 결론 ● 부하가 높고 신뢰성이 최우선인 경우 → 유압 구동 방식을 선택하십시오 ● 시스템의 단순성과 자동화가 우선이라면 → 전기 구동 방식을 선택하십시오. ● 불확실한 경우 → 먼저 필요한 추력을 계산한 다음 적절한 작동 방식을 결정하십시오. 질문과 답변 Q1: 자동 라인 블라인드 밸브에는 항상 유압 작동이 필요한가요? 반드시 그런 것은 아닙니다. 밸브 크기가 비교적 작고 추력 요구량이 적당하다면 전기 구동 방식으로도 충분히 요구 사항을 충족할 수 있습니다. Q2: 전기 구동 방식이 유압 구동 방식을 대체할 수 있습니까? 필요한 부하가 모터의 처리 능력 범위 내에 있으면 모터를 대체품으로 사용할 수 있습니다. 하지만 필요한 토크가 액추에이터의 용량을 초과하면 사용할 수 없습니다. 질문 3: 유압식 작동 방식이 더 신뢰할 수 있습니까? 고부하 또는 극한 작동 조건에서는 유압 구동 방식이 일반적으로 더 안정적입니다. 표준 조건에서는 두 방식 간의 신뢰성 차이가 미미합니다. 질문 4: 작동 방식을 빠르게 확인하는 방법은 무엇입니까? 주요 위험 요소가 구동력 부족인 경우 → 유압식 작동 방식을 선택하십시오. 제어 및 시스템 통합이 주요 요구 사항이라면 → 전기 구동 방식을 선택하십시오. Q5: 하나의 자동 라인 블라인드 밸브에 두 가지 작동 방식을 모두 구성할 수 있습니까? 예. 예를 들어, 전기식 + 수동식 또는 유압식 + 수동식 구성을 백업으로 사용할 수 있습니다. 하지만 전기식과 유압식 구동 방식을 모두 주 구동 ...

DERVOS 밸브, API 6D 및 API 600 인증 갱신 완료
DERVOS 밸브, API 6D 및 API 600 인증 갱신 완료
2026-04-17

최근 DERVOS Valve는 미국 석유협회(API)의 심사를 성공적으로 통과했습니다. API Spec 6D 인증 파이프라인 밸브에 대한 API 600 규격이 갱신되었습니다. 인증서도 발급되었습니다. 두 인증서 모두 2029년까지 유효합니다. API6D 인증서란 무엇인가요? API 6D는 석유 및 가스 파이프라인 운송 시스템에 사용되는 밸브에 대한 국제적으로 인정받는 표준입니다. 이 표준은 제품의 설계, 제조 및 검사에 대한 모든 공정 요구 사항을 포괄합니다. 볼 밸브 게이트 밸브 및 체크 밸브를 포함합니다. 해당 인증은 일반적으로 3년마다 갱신 심사를 받아야 합니다. API600 인증서란 무엇인가요? API 600 이 인증은 석유 및 가스 정제 시설에 사용되는 강철 게이트 밸브에 대한 국제적으로 인정받는 표준입니다. 설계, 재료, 제조, 검사 및 시험에 대한 요구 사항을 정의합니다. 이 인증은 일반적으로 유효성 유지를 위해 3년마다 갱신됩니다. 입수 가능한 정보에 따르면, 이번 감사는 다음과 같은 여러 측면을 다루었습니다. 품질 관리 시스템 운영, 생산 공정 관리, 검사 장비 교정 및 인력 자격 검증을 포함한 전반적인 과정을 점검했습니다. API 검사팀은 감사 기간 동안 DERVOS Valve의 원자재 조달부터 최종 제품 납품까지 전체 공정에 대한 현장 검토를 실시했습니다. 회사 품질 관리 부서 관계자는 데르보스 밸브가 표준화된 시스템 관리를 지속적으로 개선해 왔으며, 제품 수명 주기 전반에 걸친 품질 관리 시스템을 구축했다고 밝혔습니다. 주요 생산 공정은 표준화된 작업 지침에 따라 이루어지며, 검사 기록은 개별 주문까지 완벽하게 추적 가능합니다. 이번 인증 갱신 성공은 DERVOS Valve가 산업용 밸브 분야에서 제품 제조 및 품질 보증에 대한 API 요구 사항을 지속적으로 충족하고 있음을 보여줍니다. 또한, 이는 석유 및 가스 파이프라인과 같은 국제 프로젝트에 제품을 공급할 수 있는 회사의 자격을 뒷받침합니다. LNG 수입 터미널 . 회사 측은 품질경영시스템의 효과적인 운영을 위해 표준화된 생산 및 공정 관리에 지속적으로 집중할 것이라고 밝혔습니다.

블라인드 밸브의 특징
블라인드 밸브의 특징
2026-04-10

게이트 밸브와 블라인드 밸브는 모두 파이프라인 차단에 사용되지만, 작동 원리는 근본적으로 다릅니다. 산업용 배관 시스템에서 목표가 다음과 같다면 진정한 물리적 고립 (양의 격리)의 경우, 블라인드 밸브(라인 블라인드 밸브)는 일반적으로 기존 밸브보다 신뢰성이 높습니다. 시트 밀봉에 의존하는 대신, 블라인드 밸브는 유체를 차단하는 방식으로 격리합니다. 솔리드 블라인드 플레이트 이는 적용 범위와 엔지니어링 가치를 모두 정의합니다. 블라인드 밸브의 주요 특징은 공학적 관점에서 다음과 같이 이해할 수 있습니다. 1. 절대적인 물리적 격리 만약에 누출 없음 밀폐가 필요한 경우, 기존 밸브(게이트 밸브 또는 볼 밸브 등)는 밀봉 무결성에 성능이 좌우되므로 위험을 초래할 수 있습니다. 블라인드 밸브는 다른 논리를 따릅니다. ▶ 단단한 판을 삽입하면 흐름이 완전히 차단됩니다. ▶ 블라인드 플레이트가 올바르게 위치하면 밀봉 불량은 더 이상 문제가 되지 않습니다. 이러한 특징 때문에 블라인드 밸브는 다음과 같은 용도에 더 적합합니다. ● 석유 및 가스 파이프라인 격리 ● 가연성 물질(석유, LNG, 화학물질) ● 고온 증기 시스템 에스 공학적 결론: 검증 가능한 격리가 필요한 프로젝트라면, 밀폐형 산업용 밸브보다는 블라인드 밸브를 우선적으로 고려해야 합니다. 2. 인라인 운영 기능 기존의 스페이드 및 스페이서 블라인드는 일반적으로 플랜지 분해가 필요하므로 작동이 복잡해지고 안전 위험이 발생합니다. 블라인드 밸브(예: 슬라이딩 블라인드 밸브 (스윙 블라인드 밸브와 같은) 밸브는 다른 접근 방식으로 설계되었습니다. ▶ 운영과 유지보수 간의 잦은 전환이 필요한 경우, 수동 개입을 최소화해야 합니다. ▶ 가동 중단이 허용되지 않는 경우, 가압된 배관 조건 하에서 전환 작업을 수행해야 합니다(특정 설계에 따름). 그러므로: ● 슬라이딩 블라인드 밸브: 제한된 공간 및 높은 자동화 요구 사항에 적합합니다. ● 스윙 블라인드 밸브: 구조가 간단하여 중저주파 스위칭에 적합합니다. ● 안경 블라인드 밸브 : 저주파 작동 및 비용에 민감한 프로젝트에 적합합니다. 공학적 결론: 유지보수가 빈번하거나 가동 중단이 불가능한 경우, 인라인 작동 기능을 갖춘 블라인드 밸브를 우선적으로 고려해야 합니다. 3. 기계적 신뢰성 블라인드 밸브의 신뢰성은 복잡한 밀봉 시스템에 달려 있는 것이 아니라 다음과 같은 요소에 달려 있습니다. ● 기계적 구조적 안정성 ● 재질 강도 (예: A105, WCB, F22, LF2) ● 작동 방식 (수동, 기어 작동식 또는 유압식) ▶ 고온, 고압 또는 부식성 매체와 같은 사용 환경 조건에서는 밀봉식 밸브가 고장날 가능성이 더 높습니다. ▶ 블라인드 밸브를 사용하는 경우, 주요 위험은 구조 설계 및 작동 메커니즘으로 옮겨갑니다. 일반적인 적용 분야는 다음과 같습니다. ● 정유 공장 격리 시스템 ● 석유화학 공장 ● 발전소 증기 배관 공학적 결론: 시스템 고장의 결과가 심각한 경우, 밀봉 성능에 의존하는 밸브 설계보다는 구조적으로 신뢰할 수 있는 솔루션을 우선시해야 합니다. 4. 안전 연동 설계 실제 프로젝트에서 운영 오류는 주요 위험 요소 중 하나입니다. 블라인드 밸브는 일반적으로 다음과 같은 기능을 갖추고 있습니다. ● 기계식 위치 잠금 ● 오작동 방지용 연동 장치 ● 명확한 열림/닫힘 위치 표시 ▶ 공정 매체가 가연성 또는 독성이 있는 경우, 오작동 위험을 최소화해야 합니다. ▶ 기존 밸브를 사용하는 경우, "완전히 닫혔다"는 잘못된 가정으로 인해 안전사고가 발생할 수 있습니다. 공학적 결론: 안전이 최우선이라면 인터록 설계가 적용된 블라인드 밸브를 선택해야 합니다. 5. 유지보수 중심 설계 유지보수 및 운영 관점에서: ▶ 기존 밸브를 차단용으로 사용하는 경우에도 안전을 확보하기 위해 추가적인 블라인드 설치가 필요합니다. ▶ 블라인드 밸브를 직접 사용하면 반복적인 격리 절차를 줄일 수 있습니다. 그 결과는 다음과 같습니다. ● 가동 중지 시간 단축 ● 수작업 감소 ● 유지보수 안전성 향상 공학적 결론: 시스템이 장기간 가동되고 빈번한 유지보수가 필요한 경우, 블라인드 밸브는 총 소유 비용을 절감하는 데 도움이 됩니다. 결론 블라인드 밸브의 가치는 유량 제어에 있는 것이 아니라, 검증 가능한 물리적 차단(확실한 차단)을 제공하는 데 있습니다. 프로젝트에 다음과 같은 조건이 적용되는 경우: ● 누출이 전혀 없어야 합니다. ● 가연성 또는 고위험 물질이 관련되어 있음 ● 운영과 유지보수 간의 잦은 전환이 필요합니다. ● 안전 격리에 대한 명확한 요구 사항이 정의되어 있습니다. 따라서 블라인드 밸브를 선택하는 것은 단순히 기술적인 결정일 뿐만 아니라 위험 관리 전략이기도 합니다. 석유 및 가스, 석유화학, 발전 분야 프로젝트의 경우 이러한 고려 사항이 결정적인 역할을 하는 경우가 많습니다. 질문과 답변 Q1: 블라인드 밸브가 게이트 밸브를 대체할 수 있습니까? 유량 조절이나 차단이 목적이라면 게이트 밸브를 사용할 수 있습니다. 완전한 격리(확실한 격리)가 필요한 경우에는 블라인드 밸브가 필요합니다. ▶ 누출 제로가 목표라면 게이트 밸브는 대안이 될 수 없습니다. Q2: 슬라이딩 블라인드 밸브, 스윙 블라인드 밸브, 스펙터클 블라인드 밸브 중에서 어떻게 선택해야 할까요? 간단한 지침: ● 공간이 제한적일 경우 → 슬라이딩 블라인드 밸브를 선택하세요 ● 간단한 구조를 선호하는 경우 → 스윙 블라인드 밸브를 선택하십시오 ● 작동 빈도가 낮으면 → 안경형 블라인드 밸브를 선택하십시오 ▶ 전환이 빈번한 경우 자동화 또는 기계 보조 설계를 고려해야 합니다. Q3: 블라인드 밸브는 압력이 가해진 상태에서 작동할 수 있습니까? 디자인에 따라 다릅니다. ▶ 표준 설계인 경우 → 일반적으로 감압이 필요합니다 ▶ 특수 설계(예: 밀봉 메커니즘 포함)인 경우 → 가압 상태에서의 작동이 가능할 수 있습니다. 그러므로 선택은 실제 서비스 조건에 따라 이루어져야 합니다. 질문 4: 블라인드 밸브에 사용할 재료는 어떻게 선택해야 하나요? ● A105 / WCB → 일반 석유 및 가스 서비스 ● LF2 → 저온 서비스 ●...

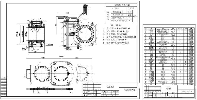
슬라이딩 타입 라인 블라인드 밸브
加载中...

슬라이딩 타입 라인 블라인드 밸브 10인치, 클래스 300 ASME B16.34, 수동 나사식 작동

  • 지불:

    30% when order confirmed, 70% before shipment
  • 제품 원산지:

    china
  • 색:

    Customization
  • 배송 포트:

    Shanghai, China
  • 리드 타임:

    30~60 days Ex Works after order confirmation
  • Material:

    A105 Forged Carbon Steel
  • Method of Operation:

    Manual Screw-Operated
지금 문의
제품 상세 정보

소개

이 10인치 Class 300 슬라이딩 라인 블라인드 밸브는 중압에서 고압 파이프라인에 완벽한 차단 기능을 제공하며, 견고한 물리적 차단막의 신뢰성과 수동 나사식 작동의 간편함을 결합했습니다.

마모되기 쉬운 밸브 시트에 의존하는 기존 밸브와 달리, 슬라이딩 블라인드 메커니즘은 진정한 물리적 장벽을 형성하여 시스템 감압 없이도 유지보수 중 누출이 전혀 발생하지 않도록 합니다. 이는 가동 중지 시간을 크게 줄이고 작업자의 안전을 향상시킵니다.

수동 나사 작동 방식은 블라인드 플레이트의 정밀하고 제어된 움직임을 제공하며, 압력 하에서도 위치를 유지하는 자체 잠금 기능을 갖추고 있어 전기 또는 공압 동력을 사용할 수 없거나 선호하지 않는 응용 분야에 이상적입니다.

ASME B16.34 규격에 따라 제작되었으며 ASME B16.5 규격의 RF 플랜지가 장착된 이 밸브는 사용 환경에 맞춰 단조 탄소강(A105), 스테인리스강 또는 합금 재질로 제공됩니다. 모든 제품은 API 598 규격에 따라 100% 압력 테스트를 거쳤습니다.

이 10인치 Class 300 구성은 증기, 석유, 가스 및 화학 파이프라인에 널리 사용되는 제품입니다. 1인치부터 60인치까지 다양한 크기와 최대 Class 2500의 압력 등급을 갖춘 제품들이 당사의 블라인드 밸브 전체 라인업에 포함되어 있습니다.

THD-슬라이드 컷아웃

Slide Line Blind Suppliers

특징

1. 수동 나사식 자동 잠금 장치

정밀 스크류 드라이브는 블라인드 플레이트의 부드럽고 정밀한 위치 조정을 가능하게 합니다. 자체 잠금 메커니즘은 추가 제동 장치 없이도 압력 하에서 위치를 유지합니다.

2. 절대적인 물리적 격리

견고한 블라인드 플레이트는 완벽한 차단막을 형성하여 유지 보수 중 누출이 전혀 발생하지 않도록 보장합니다. 이는 시간이 지남에 따라 마모되거나 열화될 수 있는 시트 의존형 밸브와는 대조적입니다.

3. 감압 없이 인라인 작동

슬라이딩 메커니즘을 통해 시스템 블로우다운 없이 유동 위치와 차단 위치 간 전환이 가능하여 가동 중지 시간과 제품 손실을 줄입니다.

4.10″ 클래스 300 – 최적의 균형

클래스 150보다 높은 압력 성능을 제공하면서도 클래스 600보다 경제적이어서 다양한 산업 분야에 적용 가능한 다용도 제품입니다.

5. 단조 탄소강 구조

A105 단조 본체는 높은 강도, 내충격성 및 열순환 조건에서도 안정적인 성능을 제공합니다.

6. API 598에 따라 테스트 완료

출하 전 100% 수압 및 공압 테스트를 통해 누출 방지 성능을 보장합니다.

표준 사양

매개변수

사양

유형

슬라이딩 라인 블라인드 밸브

크기

10인치(DN250)

압력 등급

클래스 300(PN50)

연결

RF 플랜지, ASME B16.5

작업

수동 나사식 (셀프록킹)

본체 재질

A105 단조 탄소강 (다른 합금도 사용 가능)

씰/시트 재질

금속 대 금속 접합 (스테인리스 스틸 + 흑연)

설계 표준

ASME B16.34

대면 차원

ASME B16.10 또는 제조업체 표준에 따름

시험 및 검사

API 598 (100% 정수압 및 공압)

온도 범위

-29°C ~ +425°C (밀봉 상태에 따라 다름)

적용 가능한 미디어

증기, 석유, 가스, 물, 탄화수소

애플리케이션

송유관 격리, 정유 시설, 석유화학 공장, 발전소

기술 도면

Line Blind Valve China

다양한 디자인 옵션

까다로운 애플리케이션을 위한 맞춤형 구성

기본 모델 외에도 이 라인 블라인드 밸브는 고온 서비스, 화재 안전 요구 사항 및 무방출(누출 방지) 작동에 맞게 맞춤 제작할 수 있습니다. 공간이 제한적인 설치 환경을 위해 동일한 강력한 차단 성능을 더 작은 크기로 제공하는 소형 버전도 제공됩니다.

간소화된 씰 유지보수 분해할 필요 없음

씰은 스펙터클 플레이트에 통합되어 있어 작업자가 밸브를 분해하지 않고도 검사하거나 교체할 수 있습니다. 밸브가 작동 중인 상태에서 위치 변경 전에 상태 점검을 수행할 수 있으므로 작동 전에 씰의 무결성을 확인할 수 있습니다.

낮은 총 소유 비용

이 밸브는 유선형의 견고한 구조로 설계되어 최소한의 유지보수로 안정적인 차단 기능을 제공합니다. 독특한 작동 메커니즘 덕분에 작업자 한 명만으로도 도구 없이 신속하고 안전하게 파이프라인을 차단할 수 있어 작업 시간을 단축하고 유지보수 절차를 간소화합니다.

옵션

●핸드휠 확장 장치

●잠금장치

●리미트 스위치

●배수/환기 포트

●씰 보호를 위한 안경판 커버

●콤팩트한 디자인 (일체형 나사산 플랜지)

●비/먼지 차단

●토크 제한 장치

메시지를 남길

에 관심이 있다면 우리의 제품과한 자세한 내용을 알고 싶다면,메시지를 남겨주십시오 여기,우리가 응답할 것입니다 당신은 빨리 우리가 할 수 있습니다.

관련 상품
라인 블라인드 밸브
8" 클래스 150# 라인 블라인드 밸브 ASME DIN ISO 탄소강

라인 블라인드 밸브(안경 밸브)는 가스 매체를 수동, 전기 또는 공압 또는 유압으로 차단하는 일종의 게이트 밸브입니다. 일반적으로 전기 블라인드 밸브, 유압 블라인드 밸브, 폐쇄 플러그 밸브 및 전기 개방형 블라인드 밸브로 나뉩니다.

라인 블라인드 밸브
1" - 60" 클래스 150 - 2500 라인 블라인드 밸브 ASME B16.34

라인 블라인드는 상당한 압력 강하 없이 완전한 폐쇄 또는 방해 없는 흐름 전환이 필요할 때 파이프라인 시스템에 활용됩니다. THD(Through-Hole Design)를 통해 위치를 신속하고 원활하게 조정할 수 있습니다. THD 슬라이드 변형은 다중 볼트 구성을 자랑하므로 대면 치수가 줄어들어 작동이 더 쉬워집니다. 추가 본체 볼트가 포함되어 있어 이 스타일은 특히 고압 응용 분야에 적합합니다.

ASME B16.34 10 150LB 라인 블라인드 밸브, RF 연결, 본체 A105, 터빈
ASME B16.34 10" 150LB 라인 블라인드 밸브, RF 연결, 본체 A105, 터빈 작동

10" 150LB 라인 블라인드 밸브는 ASME B16.34 표준에 따라 제작되었습니다. 밸브 본체는 A105로 제작되었습니다. 적하 방지 구조적 특성을 가지고 있습니다. 연결 모드는 RF이며 터빈 작동 모드가 있습니다.

다섯 개의 백성 중 하나
DN400 PN40 단조 슬라이드 블라인드 밸브 EN12516-1/2 RF

DN400 PN40 슬라이드 블라인드 밸브는 EN12516-1/2 표준에 따라 제작되었습니다. 밸브 본체는 LF2 재질입니다. 이 밸브는 증기용으로 설계되었으며, 작동 온도는 250°C, 작동 압력은 1.3MPa, 설계 압력은 2MPa, 설계 온도 범위는 -39°C ~ +350°C, 주변 온도 범위는 -39°C ~ +34.7°C입니다. 연결 방식은 RF 방식이며, 기어가 장착되어 있습니다. 작동 모드. 제품 매개변수 유형 슬라이드 블라인드 밸브 크기 디나400 압력 PN40 연결 RF 작업 기어 본체 재질 A182 LF2 디자인 표준 EN12516-1/2 대면 공급업체 표준 플랜지 치수 GOST 33259-B형 시험 및 검사 규정 EN12266-1/2 온도 -29 ~ 120 °C 적용 가능한 매체 물, 석유 및 가스 특징 1. 일체형 단조 설계로 PN40 압력 하에서 높은 구조적 안정성과 누출 방지 성능을 제공합니다. 2. RF 플랜지가 있는 슬라이드 블라인드 메커니즘을 통해 파이프라인 구간을 안전하고 효율적으로 격리할 수 있습니다. 기술 도면 치수 검사 압력 테스트 그림 명판 및 포장 검사 보고서

다섯 개의 백성 중 하나
10인치 150LB 슬라이드 블라인드 밸브 RF A105 터빈 ASME B16.34

10인치 150LB 슬라이드 블라인드 밸브는 ASME B16.34 표준에 따라 제작되었습니다. 밸브 본체는 A105 재질이며, 누액 방지 설계(Drip-Proof Design)의 구조적 특징을 가지고 있습니다. 연결 방식은 RF 방식이며, 터빈이 장착되어 있습니다. 작동 모드. 제품 매개변수 유형 슬라이드 블라인드 밸브 크기 10인치 압력 150파운드 연결 RF 작업 터빈 본체 재질 A105 디자인 표준 ASME B16.34 대면 제조업체 표준 플랜지 치수 ASME B16.5 시험 및 검사 규정 API 598 온도 -29 ~ 150 °C 적용 가능한 매체 물, 석유 및 가스 특징 1. 터빈 구동식 슬라이드 메커니즘은 대구경 파이프라인 격리를 위한 원활하고 효율적인 작동을 가능하게 합니다. 2. RF 플랜지가 있는 단조 A105 탄소강 본체는 강도, 내구성 및 안정적인 밀봉 성능을 보장합니다. 기술 도면 치수 검사 압력 테스트 그림 명판 및 포장 검사 보고서

메시지를 남겨주세요

    에 관심이 있다면 우리의 제품과한 자세한 내용을 알고 싶다면,메시지를 남겨주십시오 여기,우리가 응답할 것입니다 당신은 빨리 우리가 할 수 있습니다.

제품

접촉