한국의

한국의

Get a Quote
제품

핫 제품

회사 뉴스

Installation of Large Diameter Ball Valves
Installation of Large Diameter Ball Valves
2026-03-09

Large diameter ball valves are commonly used in industries such as petroleum and chemical processing, power generation, long-distance pipeline transportation, and large-scale water treatment systems. If installation is not performed correctly, it may lead to sealing leakage, valve jamming, or structural stress damage. Therefore, proper installation practices are essential to ensure long-term stable operation.   1. Pre-installation Inspection   If pre-installation inspection is insufficient, operational failures are more likely to occur during service. First, inspect the valve body for transportation damage. If scratches, impact marks, or deformation are found on the valve body or sealing surfaces, installation should be stopped and the supplier should be contacted.   Next, verify valve model, pressure rating, and connection standards. If the system design pressure does not match the valve pressure class, operational safety risks may occur. For example, if a low-pressure class valve is mistakenly used in a high-pressure pipeline system, the valve body may experience plastic deformation under water hammer impact.   It is also necessary to check the condition of the ball surface and sealing rings. If there are scratches on the ball surface, sealing performance will be reduced. This is especially critical in gas transmission systems where micro-leakage is more likely.   2. Installation Direction   Large diameter ball valves usually have a flow direction marking. If the installation direction is incorrect, the following problems may occur: If the fluid flow direction matches the design direction, the operating torque will remain more stable. If the valve is installed in reverse, the stem may experience increased mechanical load, which will accelerate stem wear during long-term operation. For double-seal bidirectional ball valves, although bidirectional flow is allowed, installation according to the marked flow direction is still recommended to ensure more uniform sealing stress distribution. In high-temperature or steam systems, if the installation direction is incorrect, thermal expansion may accelerate sealing ring aging.   3. Pipeline Stress Control   Large diameter ball valves are heavy. If installed without proper support, additional bending moments may be transferred to flange connections. If pipeline systems experience axial displacement, pipeline supports should be installed for segmented fixation. If support structures are not provided, the valve body may bear long-term gravitational tensile load, eventually causing flange seal failure. It is generally recommended to install independent supports on both sides of large diameter ball valves. If the pipeline system is subject to thermal expansion and contraction, expansion compensation devices must be installed; otherwise, sealing surfaces may gradually fail.   4. Bolt Tightening Process   Flange connections of large diameter ball valves usually ...

Unite Strength, Create the Future Together --Dervos Annual Grand Event Successfully Concluded
Unite Strength, Create the Future Together --Dervos Annual Grand Event Successfully Concluded
2026-03-02

This year’s Dervos annual conference was noticeably more grand and well-organized than in previous years.   In the morning session, each department delivered its annual work summary, reviewing key projects and achievements over the past year. Teams also openly shared the challenges encountered during implementation and the practical experience gained along the way.   Through this cross-department exchange, everyone developed a clearer understanding of one another’s responsibilities and workflows, laying a stronger foundation for future collaboration and communication.     In the afternoon session, the Outstanding Employee awards were presented. Each nominee shared their work achievements and practical experience, demonstrating a strong sense of responsibility and execution across different roles. It is precisely this proactive mindset, collaborative spirit, and down-to-earth working approach of Dervos employees that drives the team steadily toward its shared goals.     Showing up on time every single day throughout the year — that’s quite an achievement. Ian has now received the Perfect Attendance Award for two consecutive years.     During the annual conference, Dervos also presented medals and exclusive commemorative gifts to employees who have completed five years of service.     Dervos values the long-term dedication and consistent commitment of its team members, and sincerely appreciates the trust and contributions they have made over the years. For many at Dervos, the company is not only a platform for professional growth, but also a stage where shared goals and collective efforts come to life. In the evening, the annual conference transitioned into the banquet segment. Performances and interactive games were seamlessly interspersed, creating a relaxed yet organized atmosphere.     Laughter and cheers echoed throughout the venue, and in the moment the camera shutter clicked, the excitement and joy were captured in a single frame.     Eric said: "Let’s dream together, DERVOS's dream. A dream where we all play a part, piece by piece, it becomes a reality." For Dervos, the annual meeting is not just about "summarizing the year," but about bringing our hearts together, strengthening our resolve in doing the same thing, and then continuing to move forward, step by step, with steady progress.            

What Is the Difference Between Plug Valves and Ball Valves?
What Is the Difference Between Plug Valves and Ball Valves?
2026-02-20

Ball valves and plug valves differ significantly in several aspects, including structure, operating principle, mode of operation, flow control capability, sealing performance, and application scenarios. These differences enable the two types of valves to perform distinct roles in their respective fields.   Structural Differences   The ball valve, a design evolved from the plug valve, utilizes a spherical element as its core component. By rotating the ball 90° around the stem axis, the valve can be opened or closed. Its structure is straightforward, consisting primarily of a spherical closure element with a through-bore housed within the valve body.   In contrast, the structure of a plug valve is more complex. It comprises multiple components such as the valve body, bonnet, plug, seat, and stem. The closure element is a cylindrical or tapered plug that controls flow by rotating 90°, aligning or misaligning the port in the plug with the flow passage in the valve body to achieve opening or shutoff.   Operating Principle   The operating principle of a ball valve relies on the rotation of the ball to control the on-off flow of fluid. When the ball is in tight contact with the valve seat, the clearance between them is completely sealed, thereby preventing fluid leakage. When the ball rotates to a position disengaged from the seat, the fluid is allowed to flow freely through the passage inside the valve body.   The operating principle of a plug valve differs in that it primarily controls the flow passage by rotating the plug element to open or close the valve. In a plug valve, the plug is connected to the stem and rotates together with it to achieve flow control. The closure element is a tapered plug with a port, and the flow passage is designed to be perpendicular to the axis of the plug. This configuration enables the plug valve to operate more efficiently and reliably during opening and closing.   The operation of a ball valve is notably simple, requiring only a 90-degree rotation to achieve opening or closing. This design allows the flow passage to be opened or shut off quickly and smoothly when the ball is rotated by 90 degrees, providing both convenience and efficiency. In addition, ball valves offer relatively low flow resistance in the fully open or fully closed position, making them particularly suitable for applications that require rapid on-off operation.   By contrast, the operation of a plug valve is comparatively more complex, as several turns are typically required to complete the opening or closing action. The valve plug is designed in a cylindrical or tapered form and regulates fluid flow through rotation. Nevertheless, plug valves demonstrate excellent performance in flow regulation, enabling precise adjustment of the flow passage diameter and accurate control of flow rate. However, due to the relatively complicated operating process, plug valves are not well suited for frequent operation...

게이트 밸브
加载中...

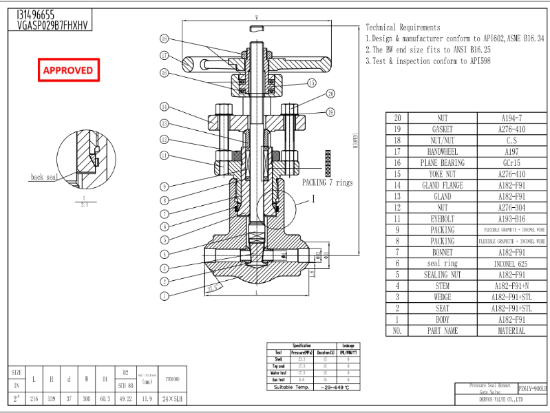
2인치 900LB 압력 씰 보닛 게이트 밸브 F91 ASME B16.34 BW

2인치 900LB 압력 씰 보닛 게이트 밸브는 ASME B16.34 표준에 따라 제작되었습니다. 밸브 본체는 A182-F91 재질로 제작되었습니다. PSB, OS&Y, 솔리드 웨지 구조의 특성을 가지고 있습니다. 연결 방식은 BW sch 80 ASME B16.25이며, 핸드휠 작동 모드를 갖추고 있습니다.

  • 지불:

    30% when order confirmed, 70% before shipment
  • 제품 원산지:

    china
  • 색:

    Customization
  • 배송 포트:

    Shanghai, China
  • 리드 타임:

    30~60 days Ex Works after order confirmation
  • Material:

    A182-F91
  • Method of Operation:

    A182-F91
지금 문의
제품 상세 정보

제품 설명

유형

게이트 밸브

크기

2인치

압력

900파운드

연결

BW sch 80 ASME B16.25

본체 재질

A182-F91

디자인 표준

ASME B16.34, API602

BW 끝 크기

ASME/B16.25

시험 및 검사 코드

API 598

온도

-29 ~ 649 °C

적용 매체

물, 석유 및 가스

특징

1. F91 합금강으로 제조되어 900LB 압력 등급 응용 분야에 탁월한 고온 강도와 신뢰성을 제공합니다.

2. BW 엔드와 ASME B16.34 규정을 준수하는 압력 씰 보닛 게이트 밸브는 중요한 서비스 조건에서 안전한 밀봉과 오래 지속되는 성능을 보장합니다.

기술 도면

Pressure Seal Gate Valve

치수 확인

Pressure Seal Bonnet Gate Valve

압력 테스트

Pressure Seal Bonnet Gate Valve

명판 및 포장

Pressure Seal Bonnet Gate Valve

검사 보고서

Pressure Seal Bonnet Gate Valve Pressure Seal Bonnet Gate Valve Pressure Seal Bonnet Gate Valve Pressure Seal Bonnet Gate Valve

메시지를 남길

에 관심이 있다면 우리의 제품과한 자세한 내용을 알고 싶다면,메시지를 남겨주십시오 여기,우리가 응답할 것입니다 당신은 빨리 우리가 할 수 있습니다.

관련 상품
압력 씰 보닛 게이트 밸브
씰 보닛 게이트 밸브 bw 8 인치 2500lb

8 인치 클래스 2500 게이트 밸브는 압력 실 보닛, 맞대기 용접 연결 및 기어 박스 작동으로 설계되었습니다. 8 인치 게이트 밸브에는 탄소강 wcb 본체와 트림 5가 있습니다. 빠른 세부 사항 유형 문   판막 크기 8 인치 설계 압력 아니   2500 구성 압력   실링 보닛, 플렉시블 웨지, 금속-금속 시트 연결 타입 대상   용접 (sw) 작업 유형 변속 장치   조작 바디 재료 a217   화장실 트림 재료 트림 5 디자인 코드 API 600 대면 치수 저 같은   b16.10 연결 종료 저 같은   b16.25 압력 및 온도 저 같은   b16.34 매질 물,   석유와 가스 유래 중국 치수 & amp; 재료 nps dn 수업 2 2 1/2 삼 4 6 8 10 12 14 16 18 20 24 50 65 80 100 150 200 250 300 350 400 450 500 600 l (rf) 900 파운드 368 419 381 457 610 737 838 965 1029 1130 & emsp; & emsp; & emsp; 1500 파운드 368 419 470 546 705 832 991 1130 1257 1384 & emsp; & emsp; & emsp; 2500 파운드 451 508 578 673 917 1022 1270 & emsp; & emsp; & emsp; & emsp; & emsp; & emsp; l1 (bw) 900 파운드 216 254 305 355 508 660 787 914 991 1092 1346 1473 1600 년 1500 파운드 216 254 305 406 559 711 864 991 1067 1194 1697 & emsp; & emsp; 2500 파운드 279 330 368 457 610 762 914 1041 1118 1245 & emsp; & emsp; & emsp; l2 (rtj) 900 파운드 371 422 384 460 613 740 841 968 1038 1140 & emsp; & emsp; & emsp; 1500 파운드 371 422 473 549 711 841 1000 1146 1276 1407 & emsp; & emsp; & emsp; 2500 파운드 454 514 584 683 927 1038 1292 & emsp; & emsp; & emsp; & emsp; & emsp; & emsp; h (오픈) 900 파운드 554 637 680 796 1084 1372 1494 1550 1960 2210 & emsp; & emsp; & emsp; 1500 파운드 554 637 767 875 1094 1372 1655 1834 2150 2260 2460 2721 2940 2500 파운드 610 654 753 850 1254 1374 1685 1894 2226 2382 2585 & emsp; & emsp; 승 900 파운드 300 350 350 400 560 460 * 610 * 610 * 610 * 760 * & emsp; & emsp; & emsp; 1500 파운드 300 450 450 560 305 * 460 * 610 * 610 * 760 * 760 * & emsp; & emsp; & emsp; 2500 파운드 500 500 600 600 460 * 460 * 610 * & emsp; & emsp; & emsp; & emsp; & emsp; & emsp; 무게 (rf) 900 파운드 50 84 92 154 341 622 950 1295 1720 2380 & emsp; & emsp; & emsp; 1500 파운드 60 91 128 182 394 795 1370 2120 2800 3870 & emsp; & emsp; & emsp; 2500 파운드 121 175 195 229 720 1295 2250 & emsp; & emsp; & emsp; & emsp; & emsp; & emsp; 무게 (bw) 900 파운드 39 64 82 120 266 524 760 1090 1450 2018 년 & emsp; & emsp; & emsp; 1500 파운드 46 71 85 130 292 578 974 1615 2010 년 2815 3315 4150 5219 2500 파운드 88 135 144 158 500 892 1550 1978 2580 3780 5988 & emsp; & emsp; * 수동 기어 오퍼레이터 권장 아니. 부품 wcb 화장실 화장실 c5 cf8 cf8m 1 신체 a216 화장실 a217 화장실 a217 화장실 a217 c5 a351 cf8 a351 cf8m 2 좌석 a182 f6a a182 f22 a182 f22 a182 f5 a182 f304 a182 f316 삼 쐐기 a216 화장실 a217 화장실 a217 화장실 a217 c5 a351 cf8 a351 cf8m 4 줄기 a182 f6a saehnv3 a182 f304 a182 f316 5 스터핑 박스 a216 화장실 a217 화장실 a217 화장실 a217 c5 a351 cf8 a351 cf8m 6 씰링 아니 316l 유연한 흑연 +316 7 스플릿 링 강철 f6 f6 f6 a182 f304 f316 8 백 링 강철 강철 강철 강철 ss ss 9 볼트 a193 b7 a193 b7 a193 b7 a193 b7 a193 b8 a193 b8 10 너트 a194 2 시간 a194 2 시간 a194 2 시간 a194 2 시간 a194 gr.8 a194 gr.8 11 멍에 a216 화장실 a217 화장실 a217 화장실 a217 c5 a351 cf8 a351 cf8m 12 볼트 a193 b7 a193 b7 a193 b7 a193 b7 a193 b8 a193 b8 13 너트 a194 2 시간 a194 2 시간 a194 2 시간 a194 2 시간 a194 gr.8 a194 gr.8 14 포장 판 아니 410 아니 410 아니 410 아니 410 ANSI 304 아니 316 15 포장 유연한 흑연   그리고 반지) 또는 ptfe 16 분할 핀 강철 강철 강철 강철 강철 강철 17 아이 볼트 a193 b7 a193 b7 a193 b7 a193 b7 a193 b8 a193 b8 18 선 a182 f6 a182 f6 a182 f6 a182 f6 a182 f304 a182 f316 19 글 랜드 플랜지 a105 a105 a105 a105 a182 f304 a182 f316 20 너트 a194 2 시간 a194 2 시간 a194 2 시간 a194 2 시간 a194 gr.8 a194 gr.8 21 마개 a193 b7 a193 b7 a193 b7 a193 b7 a193 b7 a193 b7 22 줄기 너트 ni- 레지스트 a439-d2 23 기어 박스 구입 한 24 보호자 강철 25 명찰 ANSI 304 26 대갈못 ANSI 304

게이트 밸브
8" 1500LB 압력 자체 밀봉 게이트 밸브 WCC BW

8" 1500LB 게이트 밸브는 ASME B16.34 표준.에 따라 만들어집니다. 밸브 본체는 WCC.로 만들어지며 압력 자체 밀봉, 탄성 게이트의 구조적 특성과 711mm의 구조적 길이를 가지고 있습니다. . 자체 밀봉 밸브의 작동 원리는 주로 쐐기 밀봉 표면을 사용하여 압력 하에서 밀봉하는 것입니다.

게이트 밸브
압력 씰 게이트 밸브 2 인치 4500 LB SW API 602

고압 클래스 4500 게이트 밸브는 CS A105,로 만들어진 PSB 및 SW 연결구.로 설계되었습니다. 2인치 게이트 밸브는 검사 표준 API 598 및 설계 표준 API 602.를 따릅니다. dervos는 고객에게 다양한 크기, 재질, 표준, 설계 압력, 구조, 작동 유형 및 연결 유형.의 밸브를 제공함으로써 맞춤형 서비스를 제공할 수 있습니다.

게이트 밸브
압력 씰 게이트 밸브 10'' 1500LB WCC BW PSB

10'' 1500LB 게이트 밸브는 ASME B16.34 표준에 따라 만들어집니다. 밸브 본체는 WCC로 제작되었습니다. 그것은 압력 자체 밀봉, 상승 줄기, 탄성 쐐기 및 864mm의 구조적 길이의 구조적 특성을 가지고 있습니다. 밸브 스템의 양쪽 끝은 나사산이 있습니다. BW 연결 유형이 있습니다.

거르는 사람
3" 1500LB Y형 스트레이너 WCB RTJ ASME B16.34 BC

3" 1500LB 스트레이너는 ASME B16.34 표준에 따라 만들어집니다. 밸브 본체는 ASTM A216 WCB로 만들어집니다. DN20 블라인드 플랜지가 있는 플러그의 구조적 특성을 가지고 있습니다. 연결 모드는 RTJ입니다.

다섯 개의 백성 중 하나
1/2" 800LB 단조 강철 게이트 밸브 API602 F5 SW HW

1/2" 800LB 단조강 게이트 밸브는 A에 따라 제작됩니다. PI 602 표준입니다. 밸브 바디는 A182-F5 재질로 제작되었습니다. 볼트 보닛, 솔리드 웨지 구조의 특징을 가지고 있습니다. 티 에스 기음 연결 모드 ~이다 남서 그리고 그것 가지다 핸드 휠 작동 모드.

다섯 개의 백성 중 하나
A105 1/2”500PSI 플로팅 솔리드 볼 밸브 NPT 레버 핸들

1/2인치 500PSI 플로팅 솔리드 볼 밸브는 BS5351 표준에 따라 제작되었습니다. 밸브 본체는 ASTM A105 규격에 따라 제작되었습니다. 풀 포트, 투피스, 플로팅 솔리드 볼, 내화 및 정전기 방지, 방폭 스템의 구조적 특성을 갖추고 있습니다. 연결 방식은 NPT이며, 레버 핸들 작동 방식을 사용합니다.

체크 밸브
단조 스틸 스윙 체크 밸브 API 602 1 인치 CL150 RF

1인치 스윙 체크 밸브는 볼트 보닛과 RF 플랜지 끝단 구조로 되어 있습니다.. 단조 강철 스윙 체크 밸브는 API 602.에 따라 보어가 감소되도록 설계되었습니다. dervos는 또한 크기, 디자인 등급, 재료, 및 표준 등.에 대한 고객의 요청에 따라 맞춤형 서비스를 수행할 수 있습니다.

게이트 밸브
8" 1500LB 압력 자체 밀봉 게이트 밸브 WCC BW

8" 1500LB 게이트 밸브는 ASME B16.34 표준.에 따라 만들어집니다. 밸브 본체는 WCC.로 만들어지며 압력 자체 밀봉, 탄성 게이트의 구조적 특성과 711mm의 구조적 길이를 가지고 있습니다. . 자체 밀봉 밸브의 작동 원리는 주로 쐐기 밀봉 표면을 사용하여 압력 하에서 밀봉하는 것입니다.

나비 형 밸브
20" 150LB 라이닝된 버터플라이 밸브 API 609 러그 ASME

20" 150LB 버터플라이 밸브는 API 609 표준에 따라 만들어집니다. 밸브 본체는 WCB로 만들어집니다. 연결 모드는 Lug이며 터빈 작동 모드가 있습니다.

게이트 밸브
압력 씰 게이트 밸브 10'' 1500LB WCC BW PSB

10'' 1500LB 게이트 밸브는 ASME B16.34 표준에 따라 만들어집니다. 밸브 본체는 WCC로 제작되었습니다. 그것은 압력 자체 밀봉, 상승 줄기, 탄성 쐐기 및 864mm의 구조적 길이의 구조적 특성을 가지고 있습니다. 밸브 스템의 양쪽 끝은 나사산이 있습니다. BW 연결 유형이 있습니다.

나비 형 밸브
WCB DN100 PN40 3개 괴상한 나비 벨브 EN593 터빈 EN1092-1 B

DN100 PN40 버터플라이 밸브는 EN 593 표준에 따라 제작되었습니다. 밸브 본체는 ASTM A216 WCB로 제작되었습니다. 그것은 3개의 편심, 양방향 일대일 압력 테스트의 구조적 특성을 가지고 있습니다. 연결 모드는 EN1092-1 B입니다. 그리고 터빈 작동 모드가 있습니다.

메시지를 남겨주세요

    에 관심이 있다면 우리의 제품과한 자세한 내용을 알고 싶다면,메시지를 남겨주십시오 여기,우리가 응답할 것입니다 당신은 빨리 우리가 할 수 있습니다.

제품

접촉