한국의

한국의

Get a Quote
제품

핫 제품

회사 뉴스

Key International Standards for Butterfly Valves: Detailed Overview of API 609, ISO 5752, and JB/T 8527
Key International Standards for Butterfly Valves: Detailed Overview of API 609, ISO 5752, and JB/T 8527
2025-12-05

Butterfly valves are widely used in industrial piping systems due to their compact structure, lightweight design, and quick operation. They are commonly applied in water treatment, chemical, power, oil, and gas industries. However, when dealing with industrial standards across different countries and regions, selecting a butterfly valve that meets the relevant specifications is crucial. This article provides a detailed analysis of butterfly valve design and selection requirements based on three key standards: API 609, ISO 5752, and GB/T 12238.   1. API 609 — American Petroleum Institute Standard   API 609 is the American Petroleum Institute (API) standard for metal-seated butterfly valves, primarily used in the oil, gas, and chemical industries. The standard defines valve structure, materials, dimensions, and pressure ratings to ensure reliable performance under high temperature, high pressure, and corrosive media conditions.   Key points include: ● Pressure Ratings: Covers Class 150 to 1500, accommodating various service conditions. ● Body and Disc Design: Metal-to-metal sealing requires precise alignment between disc and seat to prevent leakage under high temperature or high pressure. ● Testing and Inspection: Includes shell tests, seat leakage tests, and operational performance checks to ensure valve safety and reliability.   For high-temperature steam or high-pressure oil and gas pipelines, selecting a butterfly valve compliant with API 609 can significantly reduce leakage risk and extend equipment lifespan.   2. ISO 5752 — International Standard Organization Standard   ISO 5752 is the International Organization for Standardization (ISO) standard that specifies end dimensions and flange connection sizes for valves. It defines the face-to-face dimensions, flange sizes, and connection methods for butterfly valves, providing a consistent interface specification for industrial users worldwide.   Key points include: ● Face-to-Face Dimensions: Specifies valve lengths for different nominal diameters to ensure compatibility with piping systems. ● Flange Dimensions: Ensures valves match international standard pipe fittings, such as ANSI or DIN flanges. ● Interchangeability: Butterfly valves designed according to ISO 5752 can be replaced or serviced globally without redesigning the pipeline interface.   ISO 5752 is particularly suitable for multinational engineering projects, ensuring the universality of butterfly valves across different plants and systems.   3. JB/T8527 — Chinese National Standard   JB/T8527 is the Chinese national standard specifying the dimensions, structure, and testing requirements for metal hard-seal butterfly valves. It is widely applied in domestic industrial projects such as water conservancy, power, and petrochemical industries, serving as an important reference for procurement and acceptance.   Key ...

체크 밸브 누출을 방지하고 적절한 밀봉을 보장하는 방법
체크 밸브 누출을 방지하고 적절한 밀봉을 보장하는 방법
2025-11-27

체크 밸브는 배관 시스템에서 가장 "조용하면서도" 필수적인 부품으로 여겨지는 경우가 많습니다. 체크 밸브의 주요 기능은 역류를 방지하고 펌프, 압축기 및 시스템의 전반적인 안정성을 보호하는 것입니다. 그러나 실제 적용 분야에서는 밀봉 불량(흔히 "누설"이라고 함)이 체크 밸브 작동 시 가장 빈번하고 불편한 문제 중 하나입니다. 체크 밸브가 제대로 밀봉되지 않으면 시스템 효율이 저하되고, 압력 변동이 발생하며, 수격 현상이 발생하고, 심지어 중요 장비가 손상될 수도 있습니다. 이 글에서는 체크 밸브 누출의 기술적 원인을 분석하고, 까다로운 작동 조건에서도 밀봉 문제를 신속하게 파악하고 해결할 수 있도록 실용적인 진단 및 시정 조치를 제시합니다. . 1. 체크 밸브가 제대로 닫히지 않는 이유는 무엇일까요? 일반적인 원인 설명 1. 매체 내 입자 또는 고체 불순물의 존재 디스크와 시트 사이에 고체 입자가 끼어 완전한 접촉이 이루어지지 않고 약간 또는 눈에 띄는 누출이 발생할 수 있습니다. 일반적인 징후는 다음과 같습니다. ● 작은 개구부 위치에서 심각한 누출 발생 ● 세척 후 누설 감소 2. 디스크 마모 또는 시트 손상 잦은 사이클, 부식성 매체 또는 고속 흐름은 밀봉 표면을 마모시켜 긁힘, 구멍 또는 변형을 초래할 수 있습니다. 이 문제는 특히 고온 증기 시스템에서 흔히 발생합니다. 3. 잘못된 설치 방향 또는 기울기 각도 부족 기본적인 실수처럼 들릴지 몰라도, 잘못된 설치는 여전히 많은 작업 현장에서 발생합니다. 체크 밸브는 중력과 흐름 방향에 크게 의존하기 때문에, 부적절하게 설치하면 디스크가 원활하게 닫힌 위치로 돌아갈 수 없습니다. 4. 적절한 차압을 생성하기에는 흐름 속도가 너무 낮음 체크 밸브는 유체 흐름을 통해 열립니다. 유량이 너무 낮으면 디스크가 흔들리거나 완전히 닫히지 않아 누출이 발생할 수 있습니다. 일반적인 시나리오는 다음과 같습니다. ● 직관 길이가 부족함 ● 펌프의 잦은 시동/정지 ● 설계가 잘못된 저유량 시스템 5. 디스크가 붙어 있거나 힌지 메커니즘이 원활하게 작동하지 않음 ~ 안에 스윙 체크 밸브 힌지 핀이나 디스크 연결부에 녹, 부식 또는 윤활 부족이 있으면 붙어서 완전히 닫히지 않을 수 있습니다. 6. 온도 변동으로 인한 밀봉 표면의 열 변형 증기 서비스와 같은 고온 조건에서는 열팽창과 수축으로 인해 밀봉 표면이 약간 변형되어 밀봉이 불완전해질 수 있습니다. 2. 체크 밸브가 제대로 닫히지 않는지 빠르게 확인하는 방법은? 1. 비정상적인 압력 게이지 판독값 입구 압력이 안정적으로 유지되는 반면 출구 압력이 점차 상승하는 경우, 체크 밸브 누출로 인한 역류가 가장 큰 원인일 가능성이 높습니다. 2. 파이프 진동 또는 가벼운 두드리는 소리 이는 디스크가 높은 주파수로 진동하고 있음을 나타내며, 이는 종종 흐름 속도가 충분하지 않거나 디스크 조립이 느슨해져서 발생합니다. 3. 바이패스 또는 배수구를 통한 검사 일부 시스템에는 배수 또는 우회 연결 장치가 장착되어 있어 역류 징후를 직접 관찰할 수 있습니다. 4. 밸브 분해를 통한 내부 검사 가장 직접적이고 종종 가장 효과적인 방법으로, 일반적으로 예정된 정지 및 유지 관리 중에 수행됩니다. 3. 제대로 닫히지 않는 체크 밸브에 대한 효과적인 솔루션 1. 밀봉 표면을 청소하고 내부 이물질을 제거합니다. 입자성 매체로 인한 경미한 누출에 적합합니다. 청소 후에는 여과기와 상류 파이프라인을 점검하여 막힘이 없는지 확인하여 재발을 방지하세요. 2. 디스크와 시트를 재연마하거나 교체합니다. 밀봉 표면에 사소한 마모가 있을 때 적용됩니다. 손상이 심각한 경우 디스크 어셈블리 전체 또는 밸브를 교체하는 것이 좋습니다. 3. 흐름 속도를 높이거나 작동 조건을 조정하세요. 흐름 속도가 너무 낮을 때 시스템 압력을 높이세요 펌프 작동 모드 최적화 가능하면 상류 직관 길이를 연장하세요. 4. 적용 분야에 맞는 체크 밸브 설계 선택 각 체크 밸브 유형에는 이상적인 작동 조건이 있습니다. ● 리프트 체크 밸브 : 수직 설치 및 고압 시스템에 가장 적합 ● 스윙 체크 밸브: 저압, 대구경 및 깨끗한 매체에 적합 ● 듀얼 플레이트(웨이퍼) 체크 밸브 : 직선 파이프 길이가 제한될 때 이상적입니다. ● 버터플라이 체크 밸브: 대구경, 저압 응용 분야에 적합 밸브 유형이 매체나 작동 조건에 맞지 않으면 유지 관리만으로는 문제가 완전히 해결되지 않을 수 있습니다. 5. 힌지, 핀 및 이동 구성 요소 검사 붙어 있는 부분이나 부식된 부분을 제거하고, 필요한 경우 움직이는 부분을 교체하세요. 4. 체크 밸브 누출 가능성을 줄이는 방법 1. 적절한 밸브 선택이 필수입니다 체크 밸브 고장의 약 80%는 품질 문제보다는 잘못된 선택으로 인해 발생합니다. 고려해야 할 주요 요소는 다음과 같습니다. ● 매체 내 입자의 존재 ● 예상 유속 범위 ● 온도 및 압력 변동 ● 설치 방향 2. 스트레이너 또는 상류 보호 장치 설치 이렇게 하면 밸브 본체에 들어가는 이물질의 양을 최소화하는 데 도움이 됩니다. 3. 정기적인 유지관리 및 점검을 실시합니다. 특히 고온 증기, 부식성 매체 또는 잦은 시작-정지 작업이 필요한 시스템에 중요합니다. 4. 신뢰할 수 있는 제조업체를 선택하세요 고정밀 가공으로 디스크 시트 정렬이 개선되고, 밀봉이 향상되며, 장기 성능이 더욱 안정적입니다. 5. 결론 체크 밸브 누출은 간단해 보이지만, 실제로는 매체, 밸브 설계, 유속, 설치 방향, 밀봉재 등 여러 요인이 복합적으로 작용합니다. 이 글에서 논의된 진단 방법과 해결책을 적용하면 대부분의 문제를 신속하게 파악하고 해결할 수 있습니다. 프로젝트에서 복잡하거나 반복적인 누수 문제가 발생하는 경우 Dervos Valve에 문의하여 밸브 선택, 검사 서비스 또는 시스템 최적화 솔루션에 대한 전문가의 지침을 받으세요. Q&A – 자주 묻는 질문 Q1: 약간의 누출이 있는 체크 밸브를 계속 사용할 수 있나요? 단기간 사용은 가능하지만, 장시간 사용 시 역류, 수격 현상 또는 장비 손상이 발생할 수 있습니다. 가능한 한 빨리 문제를 해결하는 것이 좋습니다. Q2: 체크 밸브로 ...

비즈니스팀, 심층 고객 참여 위해 유럽 방문
비즈니스팀, 심층 고객 참여 위해 유럽 방문
2025-11-20

최근, 대표자들은 데르보스 밸브 노르웨이, 이탈리아, 독일, 스페인의 장기 산업용 밸브 파트너사를 방문했습니다. 며칠에 걸친 이번 방문은 고객의 현재 프로젝트 요구 사항을 파악하고 향후 조달 계획 및 기술 사양을 심도 있게 논의하는 데 중점을 두었습니다. 노르웨이에서 저희 팀은 고객의 장비 설치 작업장과 밸브 적용 현장 방문 초청을 받았습니다. 엔지니어링 및 조달 팀과 직접 논의를 통해 고압 적용, 자재 선정, 납품 일정 등에 대한 고객의 우려 사항을 명확히 파악할 수 있었습니다. 고객사는 "Dervos는 저희 프로젝트 요구 사항을 완벽하게 파악하고 있습니다. 귀사의 신속한 대응과 전문적인 추천 덕분에 저희는 큰 확신을 가지고 있습니다."라고 소감을 밝혔습니다. 이러한 피드백은 저희 제품 품질에 대한 신뢰뿐만 아니라 저희 서비스 역량에 대한 깊은 인정을 보여줍니다. 그 후 팀은 이탈리아로 이동하여 현지 파트너들과 기술 논의를 진행하고 밸브 조립 및 테스트 시설을 방문했습니다. 저희 담당자들은 Dervos의 제조 역량, 품질 검사 프로세스, 그리고 볼 밸브 전반에 걸친 지속적인 제품 개선 사항을 소개했습니다. 게이트 밸브 에스, 버터플라이 밸브 s 및 체크 밸브. 이탈리아 고객은 "귀하가 제시한 솔루션은 매우 실용적이며 프로젝트의 신뢰성을 크게 향상시킬 것입니다."라고 말했습니다. 이러한 긍정적인 피드백은 파트너십에 대한 신뢰를 더욱 강화했습니다. 이번 출장을 통해 Dervos는 밸브 성능, 품질 관리 및 납품 신뢰성에 대한 유럽 시장의 기대치를 더욱 깊이 있게 파악했습니다. Dervos는 고객 피드백을 바탕으로 제품과 서비스를 지속적으로 개선하여 모든 파트너에게 신뢰할 수 있고 완벽하게 맞춤화된 원스톱 밸브 솔루션을 제공할 것입니다. 앞으로도 Dervos Valve는 고객의 목소리에 귀 기울이고, 신속한 대응을 통해 진정한 가치를 제공한다는 서비스 철학을 고수할 것입니다. 더 높은 제품 기준과 더욱 전문적인 기술 지원을 통해 전 세계 고객과의 협력을 강화하고 발전시켜 나가겠습니다.

듀얼 플레이트 웨이퍼 체크 밸브
加载中...

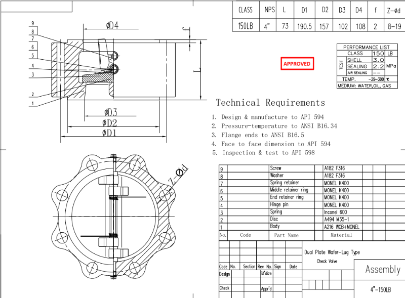
WCB 4인치 CL150 듀얼 플레이트 웨이퍼 체크 밸브 러그

4인치 CL150 이중판 웨이퍼형 체크 밸브는 API 598 표준에 따라 제작되었습니다. 밸브 본체는 A216 WCB+MONEL 재질로 제작되었습니다. 이중판 구조의 특성을 가지고 있으며, 연결 방식은 LUG입니다.

  • 지불:

    30% when order confirmed, 70% before shipment
  • 제품 원산지:

    china
  • 색:

    Customization
  • 배송 포트:

    Shanghai, China
  • 리드 타임:

    30~60 days Ex Works after order confirmation
  • Material:

    ASTM A105N
지금 문의
제품 상세 정보

유형

듀얼 플레이트 웨이퍼 타입 체크 밸브

크기

4인치

압력

CL150

연결

돌기

본체 재질

ASTM A105N

디자인 표준

API 594

대면

API 594

연결 종료

ANSI B16.5

압력-온도

ANSI B16.34

시험 및 검사 코드

API 598

온도

-29 ~ 300°C

적용 매체

물, 석유 및 가스

특징

1. WCB 주강으로 제작되어 CL150 압력 시스템에 강도와 내구성을 제공합니다.

2. LUG 끝이 있는 듀얼 플레이트 웨이퍼 설계로 컴팩트한 설치와 안정적인 역류 방지가 가능합니다.

기술 도면

LUG Dual Plate Wafer Check Valve

치수 확인

 Dual Plate Wafer Check Valve

압력 테스트

 Dual Plate Wafer Check Valve

그림

 Dual Plate Wafer Check Valve

검사 보고서

 Dual Plate Wafer Check Valve

 Dual Plate Wafer Check Valve

 Dual Plate Wafer Check Valve

 Dual Plate Wafer Check Valve

메시지를 남길

에 관심이 있다면 우리의 제품과한 자세한 내용을 알고 싶다면,메시지를 남겨주십시오 여기,우리가 응답할 것입니다 당신은 빨리 우리가 할 수 있습니다.

관련 상품
이중 디스크 러그 체크 밸브 150 lb
이중 SS 체크 밸브 러그 형 이중 플레이트 8 인치 클래스 150

API 594에 따라 설계된 8 인치 150lb 이중 디스크 비 복귀 체크 밸브에는 이중 플레이트 및 러그 연결부가 있습니다. 리테이너리스 이중 플레이트 체크 밸브는 본체 및 트림 재질로 이중 스테인리스 스틸 4a로 제작됩니다. 빠른 세부 사항 유형 검사   판막 크기 8 인치 설계 압력 수업   150 구성 이중   플레이트 타입, 리테이너 없음 연결 러그 타입 디자인 및 제조 API   594 끝으로 종료 저 같은   b16.10 연결 저 같은   b16.5 압력 및   온도 저 같은   b16.34 테스트 & amp;   검사 API   598 바디 재료 이중   스테인레스 스틸 4a 트림 재료 이중   스테인레스 미디어 w.o.g. 디자인 기능 1. 짧은 대면 치수 2. 경량으로 작은 크기 작은 물 망치로 디스크의 3.swift 가까운 4. 수직 또는 수평으로 설치 작은 흐름 저항을 가진 5.smooth 흐름 통로 6. 긴 수명과 높은 신뢰성

6 인치 듀얼 체크 밸브
웨이퍼 체크 밸브 알 브론 c95800 듀얼 디스크 6 인치

이중 디스크 웨이퍼 체크 밸브는 API 594에 따라 설계되고 API 598에 따라 테스트됩니다. 청동 비 복귀 밸브는 해수에 적용 할 수 있습니다. 빠른 세부 사항 유형 검사   판막 크기 6 인치 설계 압력 수업   150 구성 이중   리테이너가있는 플레이트 타입 연결 웨이퍼   유형 디자인 및 제조 API   594 끝으로 종료 저 같은   b16.10 연결 저 같은   b16.5 압력 및   온도 저 같은   b16.34 테스트 & amp;   검사 API   598 바디 재료 알류미늄   청동 c95800 트림 재료 알류미늄   청동 c95800 미디어 w.o.g. 밸브 조립 후 dervos 검사 밸브 품질은 우리가 가장 중요하게 생각하는 관점 중 하나입니다. dervos에서는 원료, 가공, 조립에서 선적 전 검사에 이르기까지 품질 관리가 시작됩니다. 조립 후 품질 검사 팀은 육안 검사, 치수 검사, 유압 테스트 및 공기 테스트를 수행합니다. 모든 주문은 검사 기준에 따라 테스트를 통과해야합니다. 그렇지 않으면 우리의 품질 검사 팀은 선적을 릴리스하지 않습니다. 검사 보고서 밸브 품질 관리 방법을 입증하는 데 문서를 사용할 수 있습니다. 모든 주문과 함께 dervos는 고객에게 검사 보고서를 제공합니다. 3.1 밀 테스트 보고서 무료. dervos 검사 보고서에는 도장 및 포장 사진과 함께 치수 검사 및 압력 테스트의 실제 결과가 표시됩니다. 이 모든 정보는 데이터와 명확한 그림을 통해 표시됩니다. 3.1 밀 테스트 보고서에는 밸브 몸체, 보닛, 스템, 디스크 등의 화학 성분, 기계적 성질 및 열 번호가 표시됩니다.

이중 디스크 체크 밸브
DN3202 더블 디스크 체크 밸브 PN25 DN100 CF8

cf8 스테인리스 스틸로 제작 된 이중 디스크 체크 밸브는 부식에 대한 내성이 우수합니다. din 3202에 따라 설계된 체크 밸브는 웨이퍼가있는 파이프에 연결됩니다. 빠른 세부 사항 유형 체크 밸브 공칭 직경 dn100 공칭 압력 pn25 구성 더블 디스크 / 듀얼 플레이트 연결 웨이퍼 타입 디자인 및 제조 식사 3202 끝으로 종료 식사 3202 플랜지 끝 치수 식사 2401 테스트 & amp; 검사 API 598 온도 범위 -29 ℃ ~ + 425 ℃ 바디 재료 a351 cf8 쐐기 재료 a351 cf8 미디어 w.o.g. dervos 포장 좋은 포장은 좋은 첫 인상을 의미합니다. 아래 두 개의 상자를 볼 때 어떻게 다르게 느끼는가? 그리고 당신은 왜 dervos에서 우리가 포장을 그렇게 중요하게 생각하는지 이유를 알 것입니다. dervos에서 우리는 1. 모든 밸브는 깨끗하고 건조합니다. 우리는 무엇을해야합니까? 포장하기 전에 밸브를 청소 녹슬지 않는 기름을 첨가하십시오 플랜지 커버 추가 2. 배송시 밸브가 손상되지 않습니다. 우리는 이것을 어떻게 달성합니까? 철 와이어로 밸브를 고정 부드러운 재료로 밸브를 분리하십시오. 합판을 가진 벨브를 층을 이루십시오 3. 강한 상자와 명확한 선박 표

다섯 개의 백성 중 하나
리테이너리스 웨이퍼 러그 타입 체크 밸브 6 ''900lb

6 인치 웨이퍼 체크 밸브는 api 594에 따라 엄격하게 제작됩니다. 몸체 재질 lcc는 러그 타입 밸브가 거친 환경을 처리 할 수 ​​있는지 확인하고 inconel-x 750 스프링은 밸브의 긴 수명을 약속합니다.

다섯 개의 백성 중 하나
dn250 10k 이중 플레이트 웨이퍼 체크 밸브 API 594

a395 d1로 제작 된 이중 디스크 체크 밸브는 내식성이 뛰어납니다. api594에 따라 설계된 체크 밸브는 웨이퍼가있는 파이프에 연결됩니다. 이 밸브는 해양 작업 조건에 놓일 수 있습니다.

다섯 개의 백성 중 하나
API594 듀얼 플레이트 웨이퍼 체크 밸브 WCB 300LB

The 10 인치 듀얼 플레이트 웨이퍼 체크 밸브는 WCB 최대 30LB까지 압력을받을 수 있습니다. 모두 Dervos 체크 밸브는 API 598 적용 가능한 모든 API, ANSI 를 충족하거나 초과해야합니다. 및 ASTM 표준.

다섯 개의 백성 중 하나
DIN 단일 플레이트 웨이퍼 체크 밸브 DN80 PN40

The 단일 디스크 CF8로 만든 체크 밸브는 내식성이 우수합니다. 에 따라 설계됨 API594, 밸브는 웨이퍼 유형입니다.

체크 밸브
단일 디스크 웨이퍼 체크 밸브 6 인치 150LB

API 594,에 따라 설계된 6인치 150LB 단일 디스크 웨이퍼 체크 밸브,에는 하나의 디스크와 웨이퍼 연결.이 있으며 -29 ~ 350섭씨 온도.에서 최고의 성능을 보입니다.

웨이퍼 체크 밸브
3" 150LB 듀얼 플레이트 웨이퍼 체크 밸브 API594 A995 5A

3" 150LB 웨이퍼 체크 밸브는 API594 규격에 따라 만들어집니다. 밸브 본체는 A995 5A로 만들어집니다. 빌트인 타입과 듀얼 플레이트의 구조적 특징을 가지고 있습니다. 연결 방식은 웨이퍼 타입입니다.

웨이퍼 체크 밸브
CF8M 20" 150LB 듀얼 플레이트 웨이퍼 체크 밸브 API594

20" 150LB 웨이퍼 체크 밸브는 API594 표준에 따라 만들어집니다. 밸브 본체는 A351 CF8M으로 만들어집니다. 이중 플레이트 및 내장형 구조적 특징을 가지고 있습니다. 연결 모드는 웨이퍼 RF입니다.

웨이퍼 체크 밸브
20" 300LB 듀얼 플레이트 웨이퍼 체크 밸브 WCB API 594

20" 300LB 웨이퍼 체크 밸브는 API 594 규격에 따라 만들어집니다. 밸브 본체는 WCB로 만들어집니다. 더블 플레이트와 빌트인 타입의 구조적 특징을 가지고 있습니다. 연결 방식은 웨이퍼 타입입니다.

메시지를 남겨주세요

    에 관심이 있다면 우리의 제품과한 자세한 내용을 알고 싶다면,메시지를 남겨주십시오 여기,우리가 응답할 것입니다 당신은 빨리 우리가 할 수 있습니다.

제품

접촉