한국의

한국의

Get a Quote
제품

핫 제품

회사 뉴스

Key International Standards for Butterfly Valves: Detailed Overview of API 609, ISO 5752, and JB/T 8527
Key International Standards for Butterfly Valves: Detailed Overview of API 609, ISO 5752, and JB/T 8527
2025-12-05

Butterfly valves are widely used in industrial piping systems due to their compact structure, lightweight design, and quick operation. They are commonly applied in water treatment, chemical, power, oil, and gas industries. However, when dealing with industrial standards across different countries and regions, selecting a butterfly valve that meets the relevant specifications is crucial. This article provides a detailed analysis of butterfly valve design and selection requirements based on three key standards: API 609, ISO 5752, and GB/T 12238.   1. API 609 — American Petroleum Institute Standard   API 609 is the American Petroleum Institute (API) standard for metal-seated butterfly valves, primarily used in the oil, gas, and chemical industries. The standard defines valve structure, materials, dimensions, and pressure ratings to ensure reliable performance under high temperature, high pressure, and corrosive media conditions.   Key points include: ● Pressure Ratings: Covers Class 150 to 1500, accommodating various service conditions. ● Body and Disc Design: Metal-to-metal sealing requires precise alignment between disc and seat to prevent leakage under high temperature or high pressure. ● Testing and Inspection: Includes shell tests, seat leakage tests, and operational performance checks to ensure valve safety and reliability.   For high-temperature steam or high-pressure oil and gas pipelines, selecting a butterfly valve compliant with API 609 can significantly reduce leakage risk and extend equipment lifespan.   2. ISO 5752 — International Standard Organization Standard   ISO 5752 is the International Organization for Standardization (ISO) standard that specifies end dimensions and flange connection sizes for valves. It defines the face-to-face dimensions, flange sizes, and connection methods for butterfly valves, providing a consistent interface specification for industrial users worldwide.   Key points include: ● Face-to-Face Dimensions: Specifies valve lengths for different nominal diameters to ensure compatibility with piping systems. ● Flange Dimensions: Ensures valves match international standard pipe fittings, such as ANSI or DIN flanges. ● Interchangeability: Butterfly valves designed according to ISO 5752 can be replaced or serviced globally without redesigning the pipeline interface.   ISO 5752 is particularly suitable for multinational engineering projects, ensuring the universality of butterfly valves across different plants and systems.   3. JB/T8527 — Chinese National Standard   JB/T8527 is the Chinese national standard specifying the dimensions, structure, and testing requirements for metal hard-seal butterfly valves. It is widely applied in domestic industrial projects such as water conservancy, power, and petrochemical industries, serving as an important reference for procurement and acceptance.   Key ...

체크 밸브 누출을 방지하고 적절한 밀봉을 보장하는 방법
체크 밸브 누출을 방지하고 적절한 밀봉을 보장하는 방법
2025-11-27

체크 밸브는 배관 시스템에서 가장 "조용하면서도" 필수적인 부품으로 여겨지는 경우가 많습니다. 체크 밸브의 주요 기능은 역류를 방지하고 펌프, 압축기 및 시스템의 전반적인 안정성을 보호하는 것입니다. 그러나 실제 적용 분야에서는 밀봉 불량(흔히 "누설"이라고 함)이 체크 밸브 작동 시 가장 빈번하고 불편한 문제 중 하나입니다. 체크 밸브가 제대로 밀봉되지 않으면 시스템 효율이 저하되고, 압력 변동이 발생하며, 수격 현상이 발생하고, 심지어 중요 장비가 손상될 수도 있습니다. 이 글에서는 체크 밸브 누출의 기술적 원인을 분석하고, 까다로운 작동 조건에서도 밀봉 문제를 신속하게 파악하고 해결할 수 있도록 실용적인 진단 및 시정 조치를 제시합니다. . 1. 체크 밸브가 제대로 닫히지 않는 이유는 무엇일까요? 일반적인 원인 설명 1. 매체 내 입자 또는 고체 불순물의 존재 디스크와 시트 사이에 고체 입자가 끼어 완전한 접촉이 이루어지지 않고 약간 또는 눈에 띄는 누출이 발생할 수 있습니다. 일반적인 징후는 다음과 같습니다. ● 작은 개구부 위치에서 심각한 누출 발생 ● 세척 후 누설 감소 2. 디스크 마모 또는 시트 손상 잦은 사이클, 부식성 매체 또는 고속 흐름은 밀봉 표면을 마모시켜 긁힘, 구멍 또는 변형을 초래할 수 있습니다. 이 문제는 특히 고온 증기 시스템에서 흔히 발생합니다. 3. 잘못된 설치 방향 또는 기울기 각도 부족 기본적인 실수처럼 들릴지 몰라도, 잘못된 설치는 여전히 많은 작업 현장에서 발생합니다. 체크 밸브는 중력과 흐름 방향에 크게 의존하기 때문에, 부적절하게 설치하면 디스크가 원활하게 닫힌 위치로 돌아갈 수 없습니다. 4. 적절한 차압을 생성하기에는 흐름 속도가 너무 낮음 체크 밸브는 유체 흐름을 통해 열립니다. 유량이 너무 낮으면 디스크가 흔들리거나 완전히 닫히지 않아 누출이 발생할 수 있습니다. 일반적인 시나리오는 다음과 같습니다. ● 직관 길이가 부족함 ● 펌프의 잦은 시동/정지 ● 설계가 잘못된 저유량 시스템 5. 디스크가 붙어 있거나 힌지 메커니즘이 원활하게 작동하지 않음 ~ 안에 스윙 체크 밸브 힌지 핀이나 디스크 연결부에 녹, 부식 또는 윤활 부족이 있으면 붙어서 완전히 닫히지 않을 수 있습니다. 6. 온도 변동으로 인한 밀봉 표면의 열 변형 증기 서비스와 같은 고온 조건에서는 열팽창과 수축으로 인해 밀봉 표면이 약간 변형되어 밀봉이 불완전해질 수 있습니다. 2. 체크 밸브가 제대로 닫히지 않는지 빠르게 확인하는 방법은? 1. 비정상적인 압력 게이지 판독값 입구 압력이 안정적으로 유지되는 반면 출구 압력이 점차 상승하는 경우, 체크 밸브 누출로 인한 역류가 가장 큰 원인일 가능성이 높습니다. 2. 파이프 진동 또는 가벼운 두드리는 소리 이는 디스크가 높은 주파수로 진동하고 있음을 나타내며, 이는 종종 흐름 속도가 충분하지 않거나 디스크 조립이 느슨해져서 발생합니다. 3. 바이패스 또는 배수구를 통한 검사 일부 시스템에는 배수 또는 우회 연결 장치가 장착되어 있어 역류 징후를 직접 관찰할 수 있습니다. 4. 밸브 분해를 통한 내부 검사 가장 직접적이고 종종 가장 효과적인 방법으로, 일반적으로 예정된 정지 및 유지 관리 중에 수행됩니다. 3. 제대로 닫히지 않는 체크 밸브에 대한 효과적인 솔루션 1. 밀봉 표면을 청소하고 내부 이물질을 제거합니다. 입자성 매체로 인한 경미한 누출에 적합합니다. 청소 후에는 여과기와 상류 파이프라인을 점검하여 막힘이 없는지 확인하여 재발을 방지하세요. 2. 디스크와 시트를 재연마하거나 교체합니다. 밀봉 표면에 사소한 마모가 있을 때 적용됩니다. 손상이 심각한 경우 디스크 어셈블리 전체 또는 밸브를 교체하는 것이 좋습니다. 3. 흐름 속도를 높이거나 작동 조건을 조정하세요. 흐름 속도가 너무 낮을 때 시스템 압력을 높이세요 펌프 작동 모드 최적화 가능하면 상류 직관 길이를 연장하세요. 4. 적용 분야에 맞는 체크 밸브 설계 선택 각 체크 밸브 유형에는 이상적인 작동 조건이 있습니다. ● 리프트 체크 밸브 : 수직 설치 및 고압 시스템에 가장 적합 ● 스윙 체크 밸브: 저압, 대구경 및 깨끗한 매체에 적합 ● 듀얼 플레이트(웨이퍼) 체크 밸브 : 직선 파이프 길이가 제한될 때 이상적입니다. ● 버터플라이 체크 밸브: 대구경, 저압 응용 분야에 적합 밸브 유형이 매체나 작동 조건에 맞지 않으면 유지 관리만으로는 문제가 완전히 해결되지 않을 수 있습니다. 5. 힌지, 핀 및 이동 구성 요소 검사 붙어 있는 부분이나 부식된 부분을 제거하고, 필요한 경우 움직이는 부분을 교체하세요. 4. 체크 밸브 누출 가능성을 줄이는 방법 1. 적절한 밸브 선택이 필수입니다 체크 밸브 고장의 약 80%는 품질 문제보다는 잘못된 선택으로 인해 발생합니다. 고려해야 할 주요 요소는 다음과 같습니다. ● 매체 내 입자의 존재 ● 예상 유속 범위 ● 온도 및 압력 변동 ● 설치 방향 2. 스트레이너 또는 상류 보호 장치 설치 이렇게 하면 밸브 본체에 들어가는 이물질의 양을 최소화하는 데 도움이 됩니다. 3. 정기적인 유지관리 및 점검을 실시합니다. 특히 고온 증기, 부식성 매체 또는 잦은 시작-정지 작업이 필요한 시스템에 중요합니다. 4. 신뢰할 수 있는 제조업체를 선택하세요 고정밀 가공으로 디스크 시트 정렬이 개선되고, 밀봉이 향상되며, 장기 성능이 더욱 안정적입니다. 5. 결론 체크 밸브 누출은 간단해 보이지만, 실제로는 매체, 밸브 설계, 유속, 설치 방향, 밀봉재 등 여러 요인이 복합적으로 작용합니다. 이 글에서 논의된 진단 방법과 해결책을 적용하면 대부분의 문제를 신속하게 파악하고 해결할 수 있습니다. 프로젝트에서 복잡하거나 반복적인 누수 문제가 발생하는 경우 Dervos Valve에 문의하여 밸브 선택, 검사 서비스 또는 시스템 최적화 솔루션에 대한 전문가의 지침을 받으세요. Q&A – 자주 묻는 질문 Q1: 약간의 누출이 있는 체크 밸브를 계속 사용할 수 있나요? 단기간 사용은 가능하지만, 장시간 사용 시 역류, 수격 현상 또는 장비 손상이 발생할 수 있습니다. 가능한 한 빨리 문제를 해결하는 것이 좋습니다. Q2: 체크 밸브로 ...

비즈니스팀, 심층 고객 참여 위해 유럽 방문
비즈니스팀, 심층 고객 참여 위해 유럽 방문
2025-11-20

최근, 대표자들은 데르보스 밸브 노르웨이, 이탈리아, 독일, 스페인의 장기 산업용 밸브 파트너사를 방문했습니다. 며칠에 걸친 이번 방문은 고객의 현재 프로젝트 요구 사항을 파악하고 향후 조달 계획 및 기술 사양을 심도 있게 논의하는 데 중점을 두었습니다. 노르웨이에서 저희 팀은 고객의 장비 설치 작업장과 밸브 적용 현장 방문 초청을 받았습니다. 엔지니어링 및 조달 팀과 직접 논의를 통해 고압 적용, 자재 선정, 납품 일정 등에 대한 고객의 우려 사항을 명확히 파악할 수 있었습니다. 고객사는 "Dervos는 저희 프로젝트 요구 사항을 완벽하게 파악하고 있습니다. 귀사의 신속한 대응과 전문적인 추천 덕분에 저희는 큰 확신을 가지고 있습니다."라고 소감을 밝혔습니다. 이러한 피드백은 저희 제품 품질에 대한 신뢰뿐만 아니라 저희 서비스 역량에 대한 깊은 인정을 보여줍니다. 그 후 팀은 이탈리아로 이동하여 현지 파트너들과 기술 논의를 진행하고 밸브 조립 및 테스트 시설을 방문했습니다. 저희 담당자들은 Dervos의 제조 역량, 품질 검사 프로세스, 그리고 볼 밸브 전반에 걸친 지속적인 제품 개선 사항을 소개했습니다. 게이트 밸브 에스, 버터플라이 밸브 s 및 체크 밸브. 이탈리아 고객은 "귀하가 제시한 솔루션은 매우 실용적이며 프로젝트의 신뢰성을 크게 향상시킬 것입니다."라고 말했습니다. 이러한 긍정적인 피드백은 파트너십에 대한 신뢰를 더욱 강화했습니다. 이번 출장을 통해 Dervos는 밸브 성능, 품질 관리 및 납품 신뢰성에 대한 유럽 시장의 기대치를 더욱 깊이 있게 파악했습니다. Dervos는 고객 피드백을 바탕으로 제품과 서비스를 지속적으로 개선하여 모든 파트너에게 신뢰할 수 있고 완벽하게 맞춤화된 원스톱 밸브 솔루션을 제공할 것입니다. 앞으로도 Dervos Valve는 고객의 목소리에 귀 기울이고, 신속한 대응을 통해 진정한 가치를 제공한다는 서비스 철학을 고수할 것입니다. 더 높은 제품 기준과 더욱 전문적인 기술 지원을 통해 전 세계 고객과의 협력을 강화하고 발전시켜 나가겠습니다.

다섯 개의 백성 중 하나
加载中...

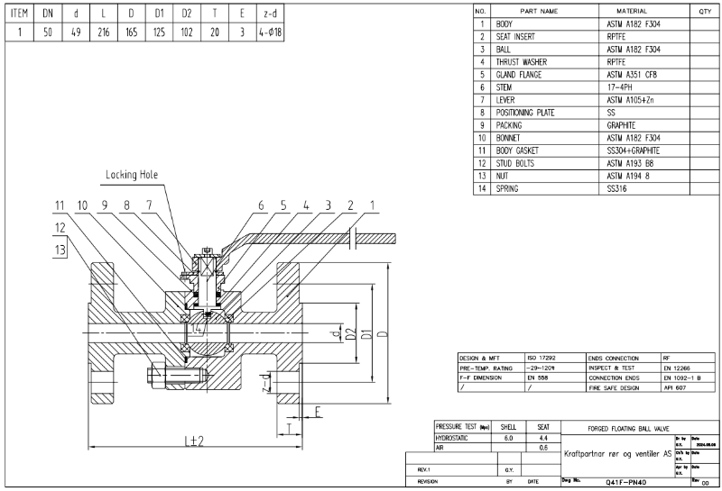
DN50 PN40 단조 플로팅 볼 밸브 바디 F304 ISO 17292 RF

DN50 PN40 단조 플로팅 볼 밸브는 ISO 17292 표준에 따라 제작됩니다. 밸브 본체는 ASTM A182 F304 규격으로 제작되었습니다. 풀 보어(Full Bore), 플로팅 볼, 내화성 및 정전기 방지, 폭발 방지 스템의 구조적 특성을 갖추고 있습니다. 연결 방식은 RF이며, 핸드 휠 작동 방식을 사용합니다.

  • 지불:

    30% when order confirmed, 70% before shipment
  • 제품 원산지:

    china
  • 색:

    Customization
  • 배송 포트:

    Shanghai, China
  • 리드 타임:

    30~60 days Ex Works after order confirmation
  • Material:

    ASTM A182 F304 ASTM A182 F304
  • Method of Operation:

    H.W.
지금 문의
제품 상세 정보

제품 설명

유형

단조 플로팅 볼 밸브

크기

디엔50

압력

PN40

연결

RF

작업

HW

본체 재질

ASTM A182 F304

디자인 표준

ISO17292

대면

EN 558

연결 종료

EN 1092-1 B

시험 및 검사 코드

EN12266

온도

-29 ~ 120 °C

적용 매체

물, 석유 및 가스

특징

1. F304 단조 스테인리스 스틸로 제작되어 내식성과 내구성이 뛰어납니다.

2. 플로팅 볼 밸브 설계는 RF 단부를 사용하여 ISO 17292를 준수하여 밀폐성이 뛰어나고 유량 제어가 안정적입니다.

기술 도면

RF Forged Floating Ball Valve

치수 확인

RF Forged Floating Ball Valve

압력 테스트

RF Forged Floating Ball Valve

명판 및 포장

RF Forged Floating Ball Valve

검사 보고서

Forged Floating Ball Valve Forged Floating Ball Valve Forged Floating Ball Valve Forged Floating Ball Valve

메시지를 남길

에 관심이 있다면 우리의 제품과한 자세한 내용을 알고 싶다면,메시지를 남겨주십시오 여기,우리가 응답할 것입니다 당신은 빨리 우리가 할 수 있습니다.

관련 상품
클래스 150 플로팅 볼 밸브
알루미늄 청동 뜨 공 벨브 1 인치 150lb

1 인치 플로팅 타입 볼 밸브는 알루미늄 브론즈 c95800으로 제작되었습니다. 감소 된 보어 볼 밸브에는 레버 작동, rf 플랜지, 2 피스 타입 본체가 있습니다. 빠른 세부 사항 유형 볼 밸브 크기 1" 압력 아니 150 구성 떠 있는   볼, 2 피스 바디, 측면 입구, 보어 감소 연결 플랜지   종료 조작 지렛대   조작 신체   재료 알류미늄   청동 ASTM B148 C95800 미디어 w.o.g 볼 밸브에 사용 가능한 수정 공칭 압력 밸브 크기 -감소 된 포트 & amp; 풀 포트 -몸체, 볼, 스템, 시트, 패킹, 볼트 및 너트의 재질 밸브 작동 (레버, 기어 박스, 공압 또는 유압 또는 전기 액추에이터) 연결 유형 사용 가능한 확장 스템 맞춤형 코팅 및 포장 배수구 수정 dervos 포장 좋은 포장은 좋은 첫 인상을 의미합니다. 아래 두 개의 상자를 볼 때 어떻게 다르게 느끼는가? 그리고 당신은 왜 dervos에서 우리가 포장을 그렇게 중요하게 생각하는지 이유를 알 것입니다. dervos에서 우리는 1. 모든 밸브가 깨끗하고 건조합니다. 우리는 무엇을해야합니까? 포장하기 전에 밸브를 청소 녹슬지 않는 기름을 첨가하십시오 플랜지 커버 추가 납품에있는 벨브에 2.no 손상. 우리는 이것을 어떻게 달성합니까? 철 와이어로 밸브를 고정 부드러운 재료로 밸브를 분리하십시오. 합판을 가진 벨브를 층을 이루십시오 3.strong 상자 및 명확한 배송 표시

두 조각 캐스트 스틸 볼 밸브
캐스팅 2 피스 볼 밸브 4 인치 클래스 150 렌치

2 피스 타입 플로팅 볼 밸브 전체 포트, 화재 안전 설계, 안티 분출 스템, ANSI 150 플랜지 및 레버 작동. 탄소강 볼 밸브는 a216 wcb 바디, f316 스템 및 볼, ptfe 소프트 시트로 설계되었습니다. 빠른 세부 사항 유형 볼 밸브 크기 4 " 압력 150 파운드 구성 플로팅 타입   볼, 2 피스 바디, 풀 보어 연결 높인   면 플랜지 끝 조작 렌치   조작 신체   재료 캐스트 스틸   wcb 손질   재료 ss316 및 ptfe 디자인 표준 API 6D 압력   & amp; 임시 코드 asme b16.34 면 대면 asme b16.10 종료   연결 asme b16.5 검사   암호 API 6D 온도   범위 -29 ℃ ~ + 125 ℃ 미디어 물, 기름   가스 소재 & amp; 치수 아니 부품 이름 탄소   강철에서 ASTM으로 스테인리스   강철에서 ASTM으로 wcb lcb cf8 cf8m cf3 cf3m 1 신체 a216 화장실 a352 lcb a351 cf8 a351 cf8m a351 cf3 a351 cf3m 2 보닛 너트 a194 2 시간 a194 4 a194 8 삼 보닛 볼트 a193 b7 a320 l7 a193 b8 4 캡 a216 화장실 a352 lcb a351 cf8 a351 cf8m a351 cf3 a351 cf3m 5 틈 메우는 물건 ss 나선형 상처 / 흑연 또는   ss 나선형 상처 / ptfe 6 공 a105 / ep.cr 또는 f6 a182 f6 a351 cf8 a351 cf8m a351 cf3 a351 cf3m 7 좌석 링 rptfe 또는 pom 8 작은 봄 스테인레스 9 작은 공 a182 f304 a182 f316l 10 줄기 a182 f6 a182 f6 a182 f304 a182 f316 a182 f304l a182 f316l 11 줄기 좌석 ptfe 12 줄기 포장 ptfe 또는 흑연 13 선 a182 f6 a182 f304 a182 f316 a182 f304l a182 f316l 14 글 랜드 볼트 a193 b7 a193 b8 15 갈드 플랜지 a216 화장실 a351 cf8 16 포지셔닝 플레이트 강철 17 브렌치 a216 화장실 재료는   ASTM 표준에 따라 클래스 150 dn mm 15 20 25 40 50 65 80 100 150 200 250 nps 에 0.5 0.75 1 1.5 2 2.5 삼 4 6 8 10 엘 (rf) mm 108 117 127 165 178 191 203 229 394 457 533 에 4.25 4.6 5 6.5 7 7.5 8 9 15.5 18 21 l1 (bw) mm 140 152 165 190 216 241 283 305 457 521 559 에 5.5 6 6.5 7.48 8.5 9.5 11.13 12 18 20.5 22 l2 (rtj) mm 119 129.7 139.7 178 191 203 216 241 406 470 546 에 4.69 5.11 5.5 6.9 7.5 8 8.5 9.5 16 18.5 21.5 h mm 66 74 87 105 132 152 182 215 250 285 495 에 2.6 2.9 3.48 4.2 5.28 6.08 7.28 8.6 10 11.4 19.5 할 (w) mm 130 130 160 230 400 400 600 850 1100 1500 년 * 350 에 5.1 5.11 6.3 9 15.74 15.74 23.62 33.46 43.3 59 13.8 rf (kg) & emsp; 2.3 삼 4.5 7 15 20 25 40 97 160 240 bw (kg) & emsp; 2.0 2.5 3.8 5.8 12 17 21 36 92.8 154 227 * 웜 기어 또는 전동 액추에이터 작동 특별 시험 & amp; 검사 dervos는 정기적 인 유압 테스트 및 공기 테스트 외에도 pt 테스트, rt 테스트, ut 테스트, 극저온 테스트, 저 누출 테스트, 내화 테스트 및 경도 테스트 등과 같은 고객의 요청에 따라 특수 테스트를 수행 할 수 있습니다 .

DN100 WCB 볼 밸브
DIN 볼 밸브 DN100 PN16 WCB 부동 볼 가열 자켓

딘 볼 밸브 전체 기공 rf floaing 볼 화재 방지 정전기 방지 레버 wcb 바디 a105 + enp 볼 17-4ph 줄기 f304 + ni55 좌석 x750 봄 용접 플랜지 가열 재킷 dn100 pn16 빠른 세부 사항 유형 볼 밸브 크기 dn100 설계 압력 pn16 구성 플로팅 볼 밸브 연결 타입 올린 얼굴 플랜지 작업 유형 지렛대 바디 재료 wcb 공 재료 a105 + ni60 줄기 재료 17-4ph 시트 재료 f304 + ni55 디자인 코드 en12516-1 대면 치수 en558-1 연결 종료 en1092-1 b1 압력 및 온도 en12266 매질 물, 기름 및 가스 유래 중국

API 6D 볼 밸브 제조업체
API 6D 플로팅 볼 밸브 2 인치 600lb 확장 스템 A105

API 6D 볼 밸브는 지하 볼 밸브 또는 저온과 같은 특수 용도의 확장 스템 신청. 연장 된 줄기의 길이는 클라이언트의에 의하여 주문을 받아서 만들어 질 수 있습니다 의뢰. 빠른 세부 사항 유형 볼 밸브 크기 2 인치 압력 클래스 600 구성 스플릿   몸, 옆 입장, 뜨 유형, 내화성 디자인, 정전기 방지 체계,   폭발 방지 스템, 확장 보닛 연결 rf 플랜지 작동 모드 지렛대 바디 재료 a105n 트림 재료 SS304 볼 및 스템, RPTFE 시트 디자인 및 제조 API 6D 압력 및 임시 코드 asme b16.34 끝으로 종료 asme b16.10 연결 종료 asme b16.5 검사 API 6D,   API 598 온도 범위 -29 ℃ ~ + 200 ℃ 매질 기름,   수성 가스 dervos의 qc 프로세스 주조 검사 : 우리 급격한 주조와 같은 원료의 문제를 확인할 수 있습니다. 벽 두께, 화학 성분 등으로 인해 속이는 가공 검사 : -안전하게 하다 가공 정확도 -찾기 수리 시간을 더 많이 확보하기 위해 가능한 빨리 가공 실수를 재생 최종 검사 : -최종 검사 활동에는 문서 및 QC 기록이 포함됩니다 검토, 육안 검사, 치수 검사, 압력 테스트, 도장 및 포장 검사 -시간과 비용 절약 : 직접 방문해서 검사 할 필요가 없습니다. 모든 문서는 증거로 제공 될 수 있습니다. 검사 보고서는 다음을 포함하여 무료로 제공됩니다 : -en 10204 3.1 밀 테스트 인증서 전체 검사 과정을 보여주는 검사 보고서

 단조 스틸 a105 npt 볼 밸브
DN25 PN100 단조 스틸 A105 NPT 볼 밸브

DN25 PN100 단조 스틸 A105 NPT 연결 방식 2 개 구성 풀 포어 레버 작동 플로팅 볼 화재 안전 바디 및 보닛 A105 볼 A182 F304 시트 링 PTFE 스템 A182 F304 스템 O 링 바이 톤 패킹 흑연 글 랜드 스테인레스 스틸 디자인 및 제조 Asme B16.34 페이스 페이스 디자인 제조 표준 제조 표준 나사 및 치수 ansi b1.20.1 검사 및 테스트 API598 화재 안전 설계 API 607 빠른 세부 사항 유형 볼 밸브 크기 dn25 압력 pn100 구성 2 조각 연결 npt 작동 모드 지렛대 바디 재료 a105 덮개 a105 디자인 및 제조 asme b16.34 끝으로 종료 asme b16.10 연결 종료 ANSI B1.20.1 검사 API 598 온도 범위 -29 ℃ ~ + 538 ℃ 매질 기름, 물, 가스

다섯 개의 백성 중 하나
2 조각 플로팅 볼 밸브 WCB 150lb 4inch 감소 보어

API 6a에 따라 제작 된 2 피스 플로팅 볼 밸브는 보어 감소, 내화 설계, 폭발 방지 스템 설계를 갖추고 있습니다. rptfe 시트와 ptfe o 링이 장착 된 4 인치 wcb 밸브는 인증서를 제공합니다.

다섯 개의 백성 중 하나
JIS2 조각 부동 볼밸브 RF×NPT25A16K

이 공 벨브로 설계,ASME B16.34,기능 두 가지 다양한 연결 방법으로 한쪽 RF 및 다른 쪽 NPT. 밸브와 함께 떠 공 PTFE seat,SCS13 몸체와 다른 특징은 훌륭한 바다표범 어업 성과가 있습니다.

다섯 개의 백성 중 하나
2 인치 600LB API6D 볼 밸브 RF 전체 2 조각 구멍 유형

단조 강철 공 벨브로 만든 A105 체와 17 4PH 손 RTJ flange end 및 레버 작업입니다. 이동 볼밸브 기능을 신뢰할 수 있는 실링 성능고 쉽게 작업입니다.

다섯 개의 백성 중 하나
스테인리스 스틸 2 조각의 형 볼밸브 1-1/2 인치 800 파운드

의 F316,부동 공 벨브 설계에서 코드의 ASME B16.34. 밸브로 구성되어 있는 두 개의 조각 몸에 떠 있는 볼,레버 작동으로 좋은 신뢰할 수 있는 실링 성능과 작은 토크가 있습니다.

단조강 플로팅 볼 밸브
DN25 PN16 단조강 플로팅 볼 밸브 바디 ASTM ISO 17292

DN25 PN16 단조강 플로팅 볼 밸브는 ISO17292 표준에 따라 제작됩니다. 밸브 본체는 ASTM-A105 규격으로 제작되었습니다. 분리형, 플로팅 볼, 풀 보어, 내화성, 정전기 방지, 폭발 방지 스템의 구조적 특성을 갖추고 있습니다. 연결 방식은 RF이며, 핸드 휠 작동 방식을 사용합니다.

다섯 개의 백성 중 하나
1 인치 3 피스 수동 볼 밸브 풀 보어

CF8M으로 제작 된 2 개 밸브는 ASME B16.34. 혼합 와 15 %의 유리 섬유, RPTFE 밸브의 시트는 고온 및 높은 부식성 작업 조건을 견딜 수 있습니다.

다섯 개의 백성 중 하나
플랜지 엔드 볼 밸브, ASTM A350 LF6, CL600, 1 / 2 인치, 두 조각

중국 플랜지 엔드 볼 밸브 Producer, Dervos는 플랜지 엔드 볼 밸브, ASTM A350 LF6, 클래스 600, 1 / 2 인치, 투피스, 단조, API 608, BS 5351, ASME B16.34.

메시지를 남겨주세요

    에 관심이 있다면 우리의 제품과한 자세한 내용을 알고 싶다면,메시지를 남겨주십시오 여기,우리가 응답할 것입니다 당신은 빨리 우리가 할 수 있습니다.

제품

접촉